| *1 | No. 3 Air Conditioning Radiator Damper Servo Sub-assembly |
| *2 | Air Conditioning Harness Assembly |
| *3 | No. 1 Blower Damper Servo Sub-assembly |
| Sender | Receiver | Signal | Communication Line |
|---|---|---|---|
| Air conditioning amplifier assembly | ECM | Magnetic clutch request signal | CAN |
| Idle up request signal | |||
| Heater idle up request signal | |||
| ECO mode switch information signal | |||
| Charging control inhibit signal | |||
| Prior A/C control request signal | |||
| Acceleration cut inhibit signal | |||
| PTC heater control request signal*4 | |||
| Generator control inhibit signal | |||
| Transmission system cooling performance assistance request signal | |||
| Request control by refrigerant signal | |||
| Transmission system heating performance assistance request signal | |||
| Ambient temperature before correction signal | |||
| Refrigerant information signal | |||
| Evaporator temperature sensor signal | |||
| Variable capacity compressor immediate torque signal | |||
| Variable compressor solenoid current signal | |||
| Air conditioner pressure sensor signal | |||
| Rear defogger drive request signal | |||
| Ambient temperature display signal | |||
| Air conditioning amplifier assembly | Radio receiver assembly | A/C display request signal | CAN |
| A/C warning on-screen request signal | |||
| AUTO indicator signal | |||
| Front defroster indicator signal | |||
| Rear defogger indicator signal | |||
| Inlet auto indicator signal*3 | |||
| Recirculation indicator signal | |||
| Fresh indicator signal | |||
| A/C indicator signal | |||
| DUAL indicator signal | |||
| Blower level indicator signal | |||
| Outlet indicator signal | |||
| Blower manual status signal | |||
| Blower customize indicator signal*2 | |||
| Pollen remove indicator signal | |||
| A/C on-screen request signal | |||
| Driver side temperature display signal | |||
| Front passenger side temperature display signal | |||
| A/C screen select information signal | |||
| DUAL switch design select information signal | |||
| Temperature unit select information signal | |||
| Blower step select information signal | |||
| Speech recognition level information signal | |||
| Switch select information signal | |||
| Destination select information signal | |||
| Control information signal | |||
| A/C recirculation/fresh collaborated with navi information signal | |||
| Gas reception indicator display request signal*3 | |||
| Gas reception indicator signal*3 | |||
| Ambient temperature display signal | |||
| Switch signal of 0 or 0.5°C below decimal point of ambient temperature display signal | |||
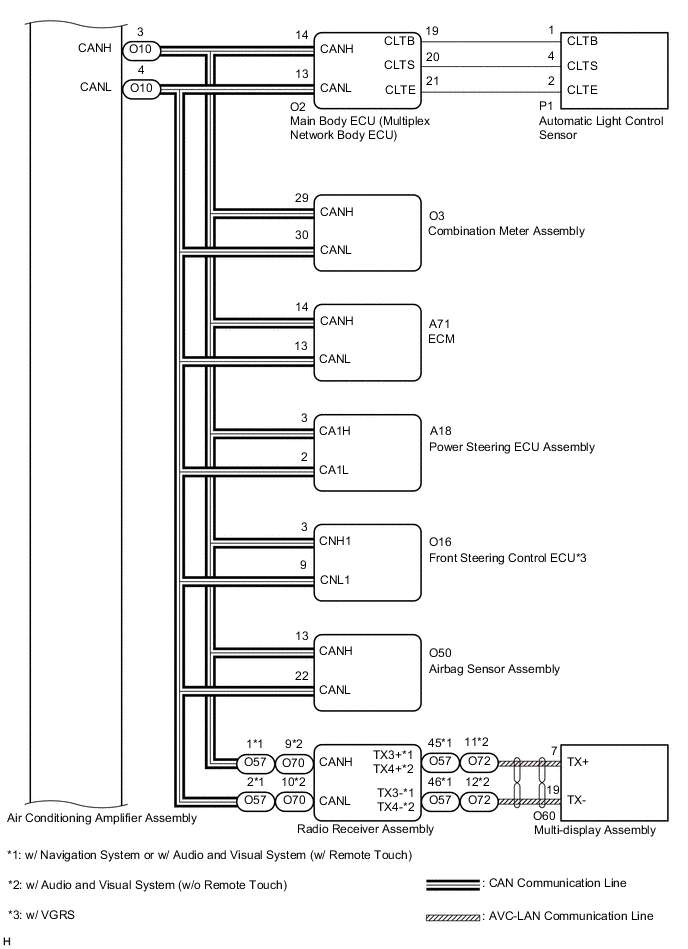
| Air conditioning amplifier assembly | Combination meter assembly | Ambient temperature display signal | CAN |
| Switch signal of 0 or 0.5°C below decimal point of ambient temperature display signal | |||
| A/C load limitation warning signal | |||
| Air conditioning amplifier assembly | Power steering ECU assembly | Ambient temperature display signal | CAN |
| Air conditioning amplifier assembly | Front steering control ECU*1 | Ambient temperature display signal | CAN |
| ECM | Air conditioning amplifier assembly | ECO mode indicator signal | CAN |
| Engine type information signal | |||
| Engine speed data signal | |||
| Alternative field duty value signal | |||
| Engine coolant temperature signal | |||
| A/C control cut-off signal | |||
| Variable control inhibition signal | |||
| Number of PTC heaters which are permitted signal*4 | |||
| Compulsory internal air circulation command signal at high coolant temperature | |||
| Radio receiver assembly | Air conditioning amplifier assembly | Blower customize switch state signal*2 | CAN |
| Panel design information signal | |||
| AUTO switch state signal | |||
| Front defroster switch state signal | |||
| Rear defogger switch state signal | |||
| Air inlet switch state signal | |||
| OFF switch state signal | |||
| A/C switch state signal | |||
| DUAL switch state signal | |||
| Mode switch state signal | |||
| Blower up switch state signal | |||
| Blower down switch state signal | |||
| Air outlet switch state signal | |||
| Driver side TEMP up switch state signal | |||
| Driver side TEMP down switch state signal | |||
| Front passenger side TEMP up switch state signal | |||
| Front passenger side TEMP down switch state signal | |||
| Pollen removal mode switch state signal | |||
| Gas reception setting screen signal*3 | |||
| Gas reception setting switch state signal*3 | |||
| A/C-navi cooperation state signal | |||
| Driver side seat speech recognition mode information signal | |||
| Driver side seat speech recognition date addition subtraction information signal | |||
| Driver side seat speech recognition temperature directions data signal | |||
| Front passenger side seat speech recognition mode information signal | |||
| Front passenger side seat speech recognition date addition subtraction information signal | |||
| Front passenger side seat speech recognition temperature directions data signal | |||
| Sensor fail signal | |||
| Confidence MMC signal | |||
| Confidence direction signal | |||
| GPS clock time signal | |||
| GMT time difference signal | |||
| Summer time setting signal | |||
| Main body ECU (multiplex network body ECU) | Air conditioning amplifier assembly | Trip count signal | CAN |
| Time count signal | |||
| Auto dimmer signal | |||
| High beam headlight request signal | |||
| Low beam headlight request signal | |||
| Destination symbol signal | |||
| Destination package signal | |||
| Steering wheel signal | |||
| Main body request signal | |||
| Solar data (R) signal | |||
| Solar data (L) signal | |||
| Combination meter assembly | Air conditioning amplifier assembly | Vehicle speed signal (meter to other) | CAN |
| Front passenger side seat occupant status signal | |||
| Power steering ECU assembly | Air conditioning amplifier assembly | Loading control level signal | CAN |
| Airbag sensor assembly | Air conditioning amplifier assembly | Front passenger side seat occupant status signal | CAN |
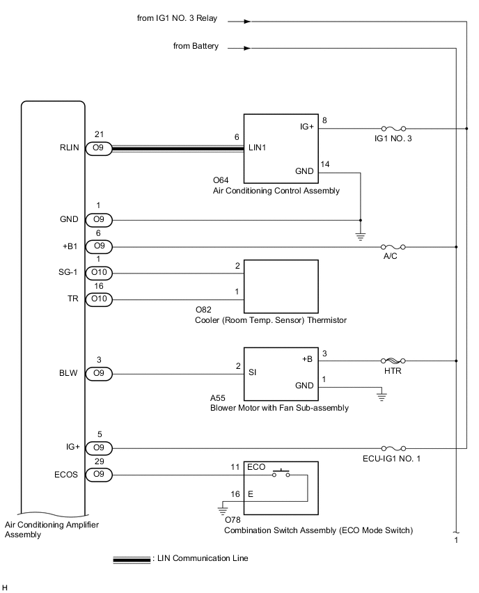
| Air conditioning control assembly | Air conditioning amplifier assembly | AUTO switch operation signal | LIN |
| OFF switch operation signal | |||
| A/C switch operation signal | |||
| Blower switch operation signal (up, down) | |||
| Mode switch operation signal | |||
| Front defroster switch operation signal | |||
| Rear defogger switch operation signal | |||
| DUAL switch operation signal | |||
| Exhaust auto switch operation signal*3 | |||
| Recirculation/fresh switch operation signal | |||
| Driver side set temperature switch operation signal | |||
| Front passenger side set temperature switch operation signal | |||
| Air conditioning amplifier assembly | Air conditioning control assembly | Entire front panel display instruction signal | LIN |
| AUTO display instruction signal | |||
| Blower level display instruction signal | |||
| A/C display instruction signal | |||
| Exhaust auto display instruction signal*3 | |||
| Recirculation/fresh display instruction signal | |||
| Air outlet display instruction signal | |||
| Rear defogger display instruction signal | |||
| DUAL display instruction signal | |||
| Driver side set temperature display instruction signal | |||
| Front passenger side set temperature display instruction signal |
*1: w/ VGRS
*2: for Europe
*3: w/ Mirror Heater
*4: w/ PTC Heater