CAN COMMUNICATION SYSTEM Combination Meter ECU Communication Stop Mode

DESCRIPTION

Detection Item Symptom Trouble Area
Combination Meter ECU Communication Stop Mode

Either condition is met:


  • "Combination Meter" is not displayed on the CAN Bus Check screen of the GTS

    Click here

  • Communication system DTCs (DTCs that start with U) that correspond to "Combination Meter ECU Communication Stop Mode" in "DTC Combination Table" are output

    Click here


  • Combination meter assembly main line or connector

  • Power source circuit of combination meter assembly

  • Combination meter assembly ground circuit

  • Combination meter assembly

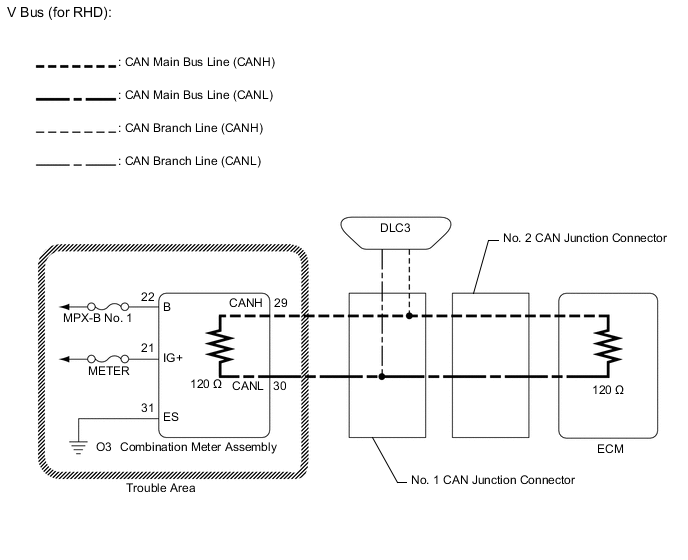
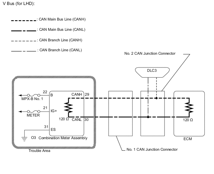
WIRING DIAGRAM

A01VS5XE09
A01VRPTE22

CAUTION / NOTICE / HINT

Note


  • Before measuring the resistance of the CAN bus, turn the engine switch off and leave the vehicle for 1 minute or more without operating the key or any switches, or opening or closing the doors. After that, disconnect the cable from the negative (-) battery terminal and leave the vehicle for 1 minute or more before measuring the resistance.

  • After turning the engine switch off, waiting time may be required before disconnecting the cable from the negative (-) battery terminal. Therefore, make sure to read the disconnecting the cable from the negative (-) battery terminal notices before proceeding with work.

    Click here

  • Because the order of diagnosis is important to allow correct diagnosis, make sure to begin troubleshooting using How to Proceed with Troubleshooting when CAN communication system related DTCs are output.

    Click here

  • After performing repairs, perform the DTC check procedure and confirm that the DTCs are not output again.

  • DTC check procedure: Turn the engine switch on (IG) and wait at least 52 seconds.

  • After the repair, perform the CAN bus check and check that all the ECUs and sensors connected to the CAN communication system are displayed.

    Click here

  • Inspect the fuses for circuits related to this system before performing the following procedure.

Tech Tips


  • Operating the engine switch, any other switches or a door triggers related ECU and sensor communication on the CAN. This communication will cause the resistance value to change.

  • Even after DTCs are cleared, if a DTC is stored again after driving the vehicle for a while, the malfunction may be occurring due to vibration of the vehicle. In such a case, wiggling the ECUs or wire harness while performing the inspection below may help determine the cause of the malfunction.

PROCEDURE


  1. CHECK FOR OPEN IN CAN BUS LINES (COMBINATION METER ASSEMBLY MAIN LINE)


    1. Disconnect the cable from the negative (-) battery terminal.

    2. B007703C28
      *a

      Front view of wire harness connector

      (to Combination Meter Assembly)

      Disconnect the O3 combination meter assembly connector.

    3. Measure the resistance according to the value(s) in the table below.

      Standard Resistance
      Tester Connection Condition Specified Condition
      O3-29 (CANH) - O3-30 (CANL) Cable disconnected from negative (-) battery terminal 108 to 132 Ω
      Result
      Result
      OK
      NG

    NG
    OK
  2. CHECK HARNESS AND CONNECTOR (POWER SOURCE CIRCUIT)


    1. A01VSPLC29
      *a

      Front view of wire harness connector

      (to Combination Meter Assembly)

      Measure the resistance according to the value(s) in the table below.

      Standard Resistance
      Tester Connection Condition Specified Condition
      O3-31 (ES) - Body ground Cable disconnected from negative (-) battery terminal Below 1 Ω
    2. A01VSPLC30
      *a

      Front view of wire harness connector

      (to Combination Meter Assembly)

      Reconnect the cable to the negative (-) battery terminal.

    3. Measure the voltage according to the value(s) in the table below.

      Standard Voltage
      Tester Connection Condition Specified Condition
      O3-21 (IG+) - Body ground Engine switch on (IG) 11 to 14 V
      O3-22 (B) - Body ground Always 11 to 14 V
      Result
      Result
      OK
      NG

    OK
    NG