VEHICLE STABILITY CONTROL SYSTEM SYSTEM DIAGRAM

B0076T4E25
B0073U6E15
B00732GE18
B00766QE01
B0074QYE20
Transmitting ECU (Transmitter) Receiving ECU Signal Communication Method
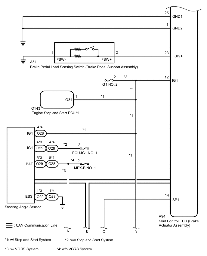
Skid control ECU (Brake actuator assembly) Steering angle sensor Steering angle sensor request signal CAN communication line
Steering angle sensor Skid control ECU (Brake actuator assembly) Steering angle sensor signal CAN communication line
Skid control ECU (Brake actuator assembly) Yaw rate and acceleration sensor Yaw rate and acceleration request signal CAN communication line
Yaw rate and acceleration sensor Skid control ECU (Brake actuator assembly) Yaw rate and acceleration signal CAN communication line
Skid control ECU (Brake actuator assembly) ECM
  • Wheel speed signal

  • VSC data signal

CAN communication line
ECM Skid control ECU (Brake actuator assembly)
  • Shift position signal

  • Throttle position signal

  • Engine speed signal

CAN communication line
Skid control ECU (Brake actuator assembly) Power steering ECU assembly VSC data signal CAN communication line
Power steering ECU assembly Skid control ECU (Brake actuator assembly) EPS data signal CAN communication line
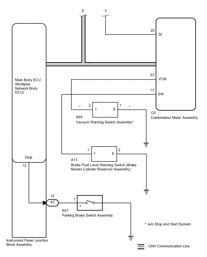
Main body ECU (Multiplex network body ECU) Skid control ECU (Brake actuator assembly) Parking brake switch signal CAN communication line
Skid control ECU (Brake actuator assembly) Combination meter assembly
  • ABS warning light signal

  • Brake warning light signal

  • Multi-information display (TRC OFF message) signal

  • VSC OFF indicator light signal

  • Slip indicator light signal

  • Wheel speed signal

CAN communication line
Skid control ECU (Brake actuator assembly) VGRS ECU (Front steering control ECU) Target relative angle signal CAN communication line
VGRS ECU (Front steering control ECU) Skid control ECU (Brake actuator assembly)
  • VGRS cooperative control enabling signal

  • VGRS relative angle signal

CAN communication line
Skid control ECU (Brake actuator assembly) DRS ECU (Rear steering control ECU) Target relative angle signal CAN communication line
DRS ECU (Rear steering control ECU) Skid control ECU (Brake actuator assembly)
  • DRS cooperative control enabling signal

  • DRS relative angle signal

CAN communication line