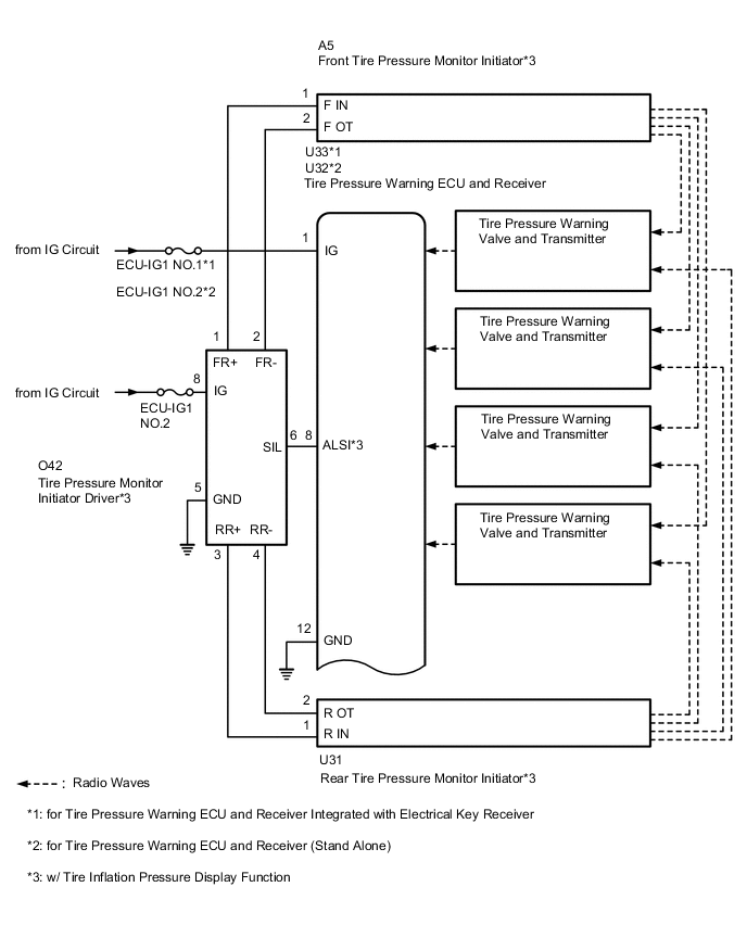
TIRE PRESSURE WARNING SYSTEM SYSTEM DIAGRAM

A01F9YLE02
A01FASEE15

Tech Tips

Each tire pressure warning valve and transmitter sends its transmitter ID, temperature and tire pressure information to the tire pressure warning ECU and receiver.

Transmitting ECU (Transmitter) Receiving ECU Signal Communication Method
Combination Meter Assembly Main Body ECU (Multiplex Network Body ECU) Vehicle speed signal CAN communication line
Main Body ECU (Multiplex Network Body ECU) Combination Meter Assembly Tire pressure warning light signal CAN communication line