СИСТЕМА КУРСОВОЙ УСТОЙЧИВОСТИ Контрольная лампа состояния тормозной системы остается включенной

ОПИСАНИЕ

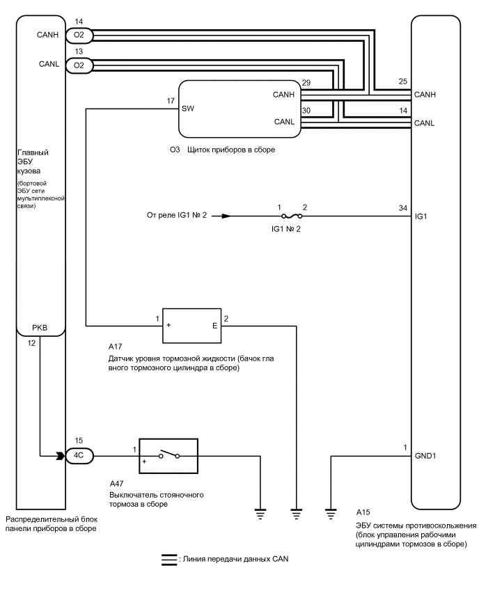
ЭБУ системы противоскольжения (блок управления рабочими цилиндрами тормозов) соединен с щитком приборов шиной CAN.

Контрольная лампа BRAKE включается при регистрации любого из описанных ниже событий.


СХЕМА ЭЛЕКТРИЧЕСКИХ СОЕДИНЕНИЙ

A01VN8NE09

ПРЕДОСТЕРЕЖЕНИЕ / ПРИМЕЧАНИЕ / УКАЗАНИЕ

Note


  • В случае замены ЭБУ системы противоскольжения (блока управления рабочими цилиндрами тормозов в сборе) выполните калибровку "нуля" датчика и сохраните системную информацию.

    Нажмите здесь Click here

  • Перед выполнением последующей процедуры проверки проверьте плавкие предохранители цепей, относящихся к данной системе.

  • Перед заменой главного ЭБУ кузова (бортового ЭБУ сети мультиплексной связи) обратитесь к бюллетеню технического обслуживания.

ПОРЯДОК ВЫПОЛНЕНИЯ


  1. ПРОВЕРЬТЕ СИСТЕМУ ПЕРЕДАЧИ ДАННЫХ CAN


    1. Проверьте, выводятся ли DTC системы передачи данных CAN.

      Нажмите здесь Click here

      Результат
      Результат Следующий шаг
      DTC не выводятся. А
      Выводятся коды DTC. B

    B
    А
  2. ПРОВЕРЬТЕ, НАДЕЖНО ЛИ ПОДСОЕДИНЕН РАЗЪЕМ БЛОКА УПРАВЛЕНИЯ РАБОЧИМИ ЦИЛИНДРАМИ ТОРМОЗОВ В СБОРЕ


    1. Проверьте подсоединение разъема ЭБУ системы противоскольжения (блока управления рабочими цилиндрами тормозов в сборе).

      OK
      Разъем подсоединен надежно.
      Результат
      Перейти к
      OK
      NG

    NG
    OK
  3. ПРОВЕРЬТЕ АККУМУЛЯТОРНУЮ БАТАРЕЮ


    1. Проверьте напряжение аккумуляторной батареи.

      Номинальное напряжение
      Подключение диагностического прибора Условие Заданные условия
      Аккумуляторная батарея Всегда 11-14 В
      Результат
      Следующий шаг
      OK
      NG

    NG
    OK
  4. ПРОВЕРЬТЕ ЖГУТ ПРОВОДОВ И РАЗЪЕМ (КОНТАКТ IG1)


    1. A01VOCNC39
      *a

      Вид спереди разъема со стороны жгута проводов:

      (к ЭБУ системы противоскольжения (блоку управления рабочими цилиндрами тормозов))

      Отсоедините разъем A15 ЭБУ системы противоскольжения (блока управления рабочими цилиндрами тормозов в сборе).

    2. Измерьте напряжение в соответствии со значениями, приведенными в таблице.

      Номинальное напряжение
      Подключение диагностического прибора Условие Заданные условия
      A15-34 (IG1) - масса Выключатель зажигания в состоянии ON (ВКЛ) (IG) 11-14 В
      A15-34 (IG1) - A15-1 (GND1) Выключатель зажигания в состоянии ON (ВКЛ) (IG) 11-14 В
      Результат
      Перейти к
      OK
      NG

    NG
    OK
  5. ПРОВЕРЬТЕ ЖГУТ ПРОВОДОВ И РАЗЪЕМ (КОНТАКТ GND1)


    1. A01VOCNC40
      *a

      Вид спереди разъема со стороны жгута проводов:

      (к ЭБУ системы противоскольжения (блоку управления рабочими цилиндрами тормозов))

      Выключите зажигание.

    2. Измерьте сопротивление в соответствии со значениями, приведенными в таблице ниже.

      Номинальное сопротивление
      Подключение диагностического прибора Условие Заданные условия
      A15-1 (GND1) - масса Всегда Менее 1 Ом
      Результат
      Следующий шаг
      OK
      NG

    NG
    OK
  6. СНИМИТЕ ПОКАЗАНИЯ GTS (ВЫКЛЮЧАТЕЛЬ СТОЯНОЧНОГО ТОРМОЗА)


    1. Подсоедините разъем A15 ЭБУ системы противоскольжения (блока управления рабочими цилиндрами тормозов в сборе).

    2. Подключите GTS к DLC3.

    3. Включите зажигание (IG).

    4. Выберите Data List на дисплее GTS.

      Нажмите здесь Click here


      Chassis > ABS/VSC/TRC > Data List
      Информация на дисплее прибора Измеряемая величина Диапазон Нормальное состояние Замечание по диагностике
      Parking Brake SW Выключатель стояночного тормоза в сборе ON (ВКЛ) или OFF (ВЫКЛ)

      ON (ВКЛ): педаль стояночного тормоза нажата

      OFF (ВЫКЛ): стояночный тормоз выключен

      -

      Chassis > ABS/VSC/TRC > Data List
      Информация на дисплее прибора
      Parking Brake SW
    5. Убедитесь, что состояние выключателя на экране GTS изменяется в соответствии с состоянием стояночного тормоза.

      OK
      На экране GTS отображается значение ON (ВКЛ) или OFF (ВЫКЛ) в соответствии с состоянием стояночного тормоза.
      Результат
      Перейти к
      OK
      NG

    NG
    OK
  7. ПРОВЕРЬТЕ БАЧОК ГЛАВНОГО ЦИЛИНДРА ТОРМОЗНОЙ СИСТЕМЫ В СБОРЕ


    1. A01VNL8C10
      *a

      Устройство с неподсоединенным жгутом проводов

      (Датчик уровня тормозной жидкости [бачок главного тормозного цилиндра в сборе]))

      Выключите зажигание.

    2. Снимите крышку наливного отверстия бачка и сетчатый фильтр.

    3. Отсоедините разъем A17 датчика уровня тормозной жидкости (бачка главного цилиндра тормозной системы в сборе).

    4. Измерьте сопротивление в соответствии со значениями, приведенными в таблице ниже.

      Tech Tips

      Внутри бачка находится поплавок. Его положение изменяется в зависимости от уровня тормозной жидкости.

      Номинальное сопротивление
      Подключение диагностического прибора Условие Заданные условия
      1 (+) - 2 (E) Датчик выключен (поплавок вверху) 1,9–2,1 кОм
      1 (+) - 2 (E) Датчик включен (поплавок внизу) Менее 1 Ом

      Tech Tips

      Если датчик исправен, долейте тормозную жидкость до отметки MAX.

      Результат
      Следующий шаг
      OK
      NG

    NG
    OK
  8. ПРОВЕРЬТЕ ЖГУТ ПРОВОДОВ И РАЗЪЕМ (ЩИТОК ПРИБОРОВ В СБОРЕ - БАЧОК ГЛАВНОГО ЦИЛИНДРА ТОРМОЗНОЙ СИСТЕМЫ В СБОРЕ)


    1. Отсоедините разъем О3 щитка приборов в сборе.

    2. Измерьте сопротивление в соответствии со значениями, приведенными в таблице ниже.

      Номинальное сопротивление
      Подключение диагностического прибора Условие Заданные условия
      O3-17 (SW) - A17-1 (+) Всегда Менее 1 Ом
      O3-17 (SW) или A17-1 (+) - масса Всегда 10 кОм или более
      A17-2 (E) - масса Всегда Менее 1 Ом
      Результат
      Следующий шаг
      OK
      NG

    NG
    OK
  9. СНИМИТЕ ПОКАЗАНИЯ GTS (BRAKE WARNING LIGHT)


    1. Подсоедините разъем A17 датчика уровня тормозной жидкости (бачка главного цилиндра тормозной системы в сборе).

    2. Подсоедините разъем О3 щитка приборов в сборе.

    3. Выберите Data List на дисплее GTS.

      Нажмите здесь Click here


      Chassis > ABS/VSC/TRC > Data List
      Информация на дисплее прибора Измеряемая величина Диапазон Нормальное состояние Замечание по диагностике
      Brake Warning Light Контрольная лампа BRAKE ON (ВКЛ) или OFF (ВЫКЛ)

      ON (ВКЛ): контрольная лампа включена

      OFF (ВЫКЛ): контрольная лампа выключена

      -

      Chassis > ABS/VSC/TRC > Data List
      Информация на дисплее прибора
      Brake Warning Light
    4. Проверьте состояние контрольной лампы состояния тормозной системы на дисплее GTS.

      Результат
      Результат Перейти к
      Отображается ON. А
      Отображается OFF. B

      Tech Tips

      Если поиск неисправностей выполнялся в соответствии с таблицей признаков неисправностей, перед заменой деталей вернитесь к таблице и перейдите к следующему шагу.

      Нажмите здесь Click here


    А
    B
  10. ПРОВЕРЬТЕ ВЫКЛЮЧАТЕЛЬ СТОЯНОЧНОГО ТОРМОЗА В СБОРЕ


    1. A01VMNNC09
      *a

      Устройство с неподсоединенным жгутом проводов

      (выключатель стояночного тормоза в сборе)

      Выключите зажигание.

    2. Отсоедините разъем А47 выключателя стояночного тормоза.

    3. Измерьте сопротивление в соответствии со значениями, приведенными в таблице ниже.

      Номинальное сопротивление
      Подключение диагностического прибора Условие Заданные условия
      1 (+) - масса

      Выключатель стояночного тормоза в сборе включен

      (штырь выключателя не нажат)

      Менее 1 Ом
      1 (+) - масса

      Выключатель стояночного тормоза в сборе выключен

      (штырь выключателя нажат)

      10 кОм или более
      Результат
      Перейти к
      OK
      NG

    NG
    OK
  11. ПРОВЕРЬТЕ ЖГУТ ПРОВОДОВ И РАЗЪЕМ (ГЛАВНЫЙ ЭБУ КУЗОВА (БОРТОВОЙ ЭБУ СЕТИ МУЛЬТИПЛЕКСНОЙ СВЯЗИ) – ВЫКЛЮЧАТЕЛЬ СТОЯНОЧНОГО ТОРМОЗА)


    1. Отсоедините разъем 4С распределительного блока панели приборов в сборе.

    2. Измерьте сопротивление в соответствии со значениями, приведенными в таблице ниже.

      Номинальное сопротивление
      Подключение диагностического прибора Условие Заданные условия
      4C-15 - A47-1 (+) Всегда Менее 1 Ом
      4C-15 или A47-1 (+) - масса Всегда 10 кОм или более
      Результат
      Следующий шаг
      OK
      NG

    NG
    OK
  12. ПРОВЕРЬТЕ РАСПРЕДЕЛИТЕЛЬНЫЙ БЛОК ПАНЕЛИ ПРИБОРОВ В СБОРЕ


    1. Снимите главный ЭБУ кузова (бортовой ЭБУ сети мультиплексной связи) с распределительного блока панели приборов в сборе.

      A01VNQ6C04
      *1 Распределительный блок панели приборов в сборе - -
    2. Измерьте сопротивление в соответствии со значениями, приведенными в таблице ниже.

      Номинальное сопротивление
      Подключение диагностического прибора Условие Заданные условия
      4C-15 - 12 (PKB) Всегда Менее 1 Ом
      4C-15 или 12 (PKB) - масса Всегда 10 кОм или более

      Tech Tips

      Если поиск неисправностей выполнялся в соответствии с таблицей признаков неисправностей, перед заменой деталей вернитесь к таблице и перейдите к следующему шагу.

      Нажмите здесь Click here

      Результат
      Перейти к
      OK
      NG

    OK
    NG