СИСТЕМА КУРСОВОЙ УСТОЙЧИВОСТИ ПОРЯДОК ПРОВЕДЕНИЯ АКТИВНОЙ ДИАГНОСТИКИ


  1. ПЕРВОНАЧАЛЬНАЯ ПРОВЕРКА ИНДИКАТОРОВ И КОНТРОЛЬНЫХ ЛАМП


    1. При включении зажигания (IG) удостоверьтесь, что контрольные лампы ABS, состояния тормозной системы, TRC OFF, VSC OFF и SLIP загораются приблизительно на 3 секунды.

      Tech Tips


      • При низком уровне тормозной жидкости загорается контрольная лампа состояния тормозной системы.

      • Когда ЭБУ системы противоскольжения (блок управления рабочими цилиндрами тормозов) сохраняет какие-либо коды DTC, включаются контрольные лампы ABS и SLIP.

      • Если какая-либо контрольная лампа остается включенной или не включается, выполните диагностику цепей ламп, как рассмотрено ниже.

      Неисправный участок См. стр.
      Цепь контрольной лампы ABS (постоянно включена)

      Click here

      Цепь контрольной лампы ABS (не включается)

      Click here

      Цепь контрольной лампы состояния тормозной системы (постоянно включена)

      Click here

      Цепь контрольной лампы состояния тормозной системы (не включается)

      Click here

      Цепь контрольной лампы TRC OFF (постоянно включена)

      Click here

      Цепь контрольной лампы TRC OFF (не включается)

      Click here

      Цепь контрольной лампы VSC OFF (постоянно включена)

      Click here

      Цепь контрольной лампы VSC OFF (не включается)

      Click here

      Цепь контрольной лампы SLIP (постоянно включена)

      Click here

      Цепь контрольной лампы SLIP (не включается)

      Click here

  2. ПРОВЕРКА ДАТЧИКОВ В РЕЖИМЕ АКТИВНОЙ ДИАГНОСТИКИ (ПРОВЕРКА СИГНАЛОВ) (если GTS используется)

    Tech Tips


    • Если в режиме активной диагностики (проверки сигналов) выключатель зажигания переключается из положения ON (ВКЛ) (IG) в положение ACC или OFF (ВЫКЛ), коды DTC, зарегистрированные при проверке датчиков, удаляются.

    • В режиме активной диагностики (проверки сигналов) ЭБУ системы противоскольжения (блок управления рабочими цилиндрами тормозов) сохраняет все DTC, зарегистрированные при проверке датчиков. В процессе активной диагностики (проверки сигналов) коды DTC, для которых подтверждается нормальное состояние, удаляются. Оставшиеся коды DTC являются кодами, которым соответствуют выявленные неисправности.


    1. Переход в режим активной диагностики


      1. Выключите зажигание.

      2. Убедитесь, что рулевое колесо установлено в центральное положение.

      3. Включите стояночный тормоз.

      4. Убедитесь, что рычаг переключения передач находится в положении Р.

      5. Подключите GTS к DLC3.

      6. Включите питание (IG).

      7. Включите GTS.

      8. Переключите ЭБУ системы противоскольжения (блок управления рабочими цилиндрами тормозов) в режим активной диагностики с помощью GTS. Войдите в следующие меню: Chassis / ABS/VSC/TRC / Utility / Signal Check.


        Chassis > ABS/VSC/TRC > Utility
        Информация на дисплее прибора
        Signal Check
      9. Убедитесь, что в режиме активной диагностики контрольные лампы ABS и SLIP сначала загораются на несколько секунд, а затем начинают мигать.

        Tech Tips

        Если контрольная лампа ABS и контрольная лампа скольжения SLIP не мигают, проверьте цепи этих контрольных ламп ABS.

      10. Проверьте датчики АБС.

        Tech Tips

        Перед проверкой датчиков АБС убедитесь, что контрольная лампа ABS мигает по схеме режима активной диагностики.

    2. Проверка датчика замедления


      1. Оставьте автомобиль в неподвижном состоянии на ровной поверхности на время не менее 1 с.

        Tech Tips

        Проверку датчика замедления можно выполнять совместно с описанной ниже процедурой проверки датчика давления в главном цилиндре.

    3. Проверка определения давления разрежения в гидроусилителе и калибровка "нуля" датчика давления в главном цилиндре


      1. При выключенном двигателе несколько раз нажмите педаль тормоза, чтобы сбросить разрежение в усилителе тормозной системы.

      2. Включите питание (IG).

      3. Убедитесь, что контрольная лампа состояния тормозной системы включается при нажатии на педаль тормоза с усилием 59,0 Н (6,0 кгс, 13,2 фунт-силы) или более в течение не менее 1 секунды. (Потеря давления в усилителе признана нормальной.)

      4. Запустите двигатель и нажимайте на педаль тормоза с усилием 59,0 Н (6,0 кгс, 13,2 фунт-силы) или более в течение не менее 1 секунды.

      5. Убедитесь, что при быстром отпускании педали тормоза контрольная лампа состояния тормозной системы гаснет. (Потеря давления в усилителе признана нормальной.)

      6. Оставьте автомобиль на время не менее 1 секунды. (Калибровка "нуля" датчика давления в главном цилиндре.)

        Note


        • Если вы медленно нажмете педаль тормоза, или нажмете ее многократно, калибровка "нуля" датчика давления в главном цилиндре не будет выполнена должным образом.

        • Проверка датчика давления в главном цилиндре может быть выполнена только при удовлетворительных результатах проверки определения давления разрежения в гидроусилителе.

        • Если повторная проверка выполняется после запуска двигателя, завершите работу в режиме активной диагностики, вновь войдите в режим активной диагностики, а затем сбросьте давление разрежения в гидроусилителе с помощью педали тормоза перед тем, как начинать повторную проверку.

        Tech Tips

        Если состояние потери давления в гидроусилителе признается ненормальным, включается контрольная лампа состояния тормозной системы и сохраняется DTC C1281 режима активной диагностики (недопустимый сигнал на выходе датчика давления в главном цилиндре).

    4. Проверка датчика давления в главном цилиндре


      1. Примите меры, чтобы автомобиль оставался в неподвижном состоянии, отпустите педаль тормоза на 1 с или более, а затем быстро и непрерывно нажимайте на нее с усилием не менее 98 Н (10 кгс, 22,0 фунт-силы) в течение 1 с.

      2. Убедитесь, что контрольная лампа ABS остается включенной в течение 3 с.

        Tech Tips


        • Убедитесь, что контрольная лампа ABS загорелась.

        • Пока контрольная лампа ABS остается включенной, продолжайте нажимать педаль тормоза с усилием не менее 98 Н (10 кгс, 22,0 фунт-сила-фута).

        • Всякий раз при выполнении описанных выше действий контрольная лампа ABS должна включаться на 3 с.

    5. Проверка датчика частоты вращения


      1. Двигайтесь на автомобиле задним ходом в течение более 1 с со скоростью не менее 3 км/час (2 мили в час) (проверка сигнала заднего хода).

      2. Убедитесь, что контрольная лампа ABS погасла.

        Tech Tips

        Двигаясь задним ходом, проверьте сигнал датчика частоты вращения. Необходимо помнить, что проверка сигналов не может быть выполнена, если скорость автомобиля составляет 45 км/час (28 миль в час) или выше.

      3. Двигайтесь на автомобиле прямо.

        Разгоните автомобиль до скорости не менее 45 км/час (28 миль в час) на несколько секунд (проверка сигнала переднего хода).

        Tech Tips


        • Проверка датчика не может быть завершена, если колеса автомобиля пробуксовывают.

        • В случае обнаружения неисправности во время проверки датчика частоты вращения контрольная лампа ABS загорается немедленно.

        Note


        • Проверка датчика частоты вращения не может быть выполнена, если в начале проверки поворачивалось рулевое колесо или пробуксовывали колеса.

        • Если скорость автомобиля превышает 80 км/час (50 миль в час), после выключения контрольной лампы ABS код DTC проверки датчика будет сохранен еще раз. Снизьте скорость или остановите автомобиль до того, как скорость достигнет 80 км/час (50 миль в час).

      4. Убедитесь, что контрольная лампа ABS погасла.

        Tech Tips


        • После завершения проверки датчика контрольная лампа ABS гаснет.

        • В случае обнаружения неисправности во время проверки датчика частоты вращения контрольная лампа ABS загорается немедленно.

      5. Остановите автомобиль.

        Tech Tips

        Когда проверка датчика завершается, контрольная лампа ABS гаснет во время движения и мигает согласно диаграмме режима активной диагностики, если автомобиль неподвижен.

        Note

        Если проверка датчиков не завершена, контрольная лампа ABS будет мигать даже во время движения автомобиля, а система АБС не сможет работать.

    6. Проверка датчика VSC

      Tech Tips

      Перед проверкой датчиков VSC убедитесь, что контрольная лампа SLIP мигает по схеме режима активной диагностики.

    7. Проверка "нуля" датчика рысканья


      1. Убедитесь, что рычаг переключения передач находится в положении Р.

      2. После включения зажигания (IG) автомобиль должен оставаться в неподвижном состоянии на ровной поверхности не менее 5 секунд.

    8. Проверка выключателя VSC OFF (комбинированного переключателя в сборе)


      1. Нажмите выключатель VSC OFF (комбинированный переключатель в сборе).

      2. Убедитесь, что загорается контрольная лампа VSC OFF.

      3. Нажмите выключатель VSC OFF (комбинированный переключатель в сборе) еще раз.

    9. Окончание проверки датчика


      1. По окончании проверки датчиков контрольная лампа ABS начинает мигать (по схеме режима активной диагностики), если автомобиль остановлен, и гаснет, если автомобиль находится в движении.

        Note

        Если проверка датчиков не завершена, контрольная лампа ABS будет мигать даже во время движения автомобиля, а система АБС не сможет работать.

    10. Считайте коды DTC проверки датчиков


      1. Определите коды DTC по экрану GTS.

        Note


        • Если отображаются только коды DTC, отличные от DTC проверки датчиков в режиме активной диагностики, устраните неисправности и удалите DTC.

        • Если отображаются коды DTC проверки датчиков в режиме активной диагностики и прочие коды DTC, или если отображаются только коды DTC режима активной диагностики, устраните неисправности, удалите DTC и снова выполните проверку в режиме активной диагностики.

        Tech Tips

        См. "Коды DTC проверки датчиков".

      2. Выключите зажигание и отсоедините GTS.

    11. Коды DTC поверки датчиков

      Tech Tips

      Указанные в таблице коды DTC выводятся только в режиме активной диагностики (проверки сигналов).

    12. ПРОВЕРКА ДАТЧИКОВ В РЕЖИМЕ АКТИВНОЙ ДИАГНОСТИКИ (ПРОВЕРКА СИГНАЛОВ) (с использованием диагностического жгута проводов SST)

      Tech Tips


      • Если в режиме активной диагностики (проверки сигналов) выключатель зажигания переключается из положения ON (ВКЛ) (IG) в положение ACC или OFF (ВЫКЛ), коды DTC, зарегистрированные при проверке датчиков, удаляются.

      • В режиме активной диагностики (проверки сигналов) ЭБУ системы противоскольжения (блок управления рабочими цилиндрами тормозов) сохраняет все DTC, зарегистрированные при проверке датчиков. В процессе активной диагностики (проверки сигналов) коды DTC, для которых подтверждается нормальное состояние, удаляются. Оставшиеся коды DTC являются кодами, которым соответствуют выявленные неисправности.


      1. Переход в режим активной диагностики


        1. Выключите зажигание.

        2. Убедитесь, что рулевое колесо установлено в центральное положение.

        3. Включите стояночный тормоз.

        4. Убедитесь, что рычаг переключения передач находится в положении Р.

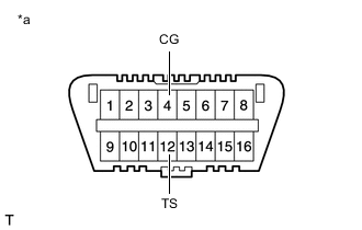
        5. A01FOEEC64
    13. *a Вид спереди разъема DLC3

С помощью SST соедините контакты TS и CG разъема DLC3.

SST
09843-18040
  • Включите зажигание (IG).

  • Убедитесь, что в режиме активной диагностики контрольные лампы ABS и SLIP сначала загораются на несколько секунд, а затем начинают мигать.

    Tech Tips

    Если контрольные лампы ABS и SLIP не мигают, проверьте цепь контактов TS и CG, а также цепи контрольных ламп ABS и SLIP.

  • Проверьте датчики АБС.

    Tech Tips

    Перед проверкой датчиков АБС убедитесь, что контрольная лампа ABS мигает по схеме режима активной диагностики.

  • Проверка датчика замедления


    1. Оставьте автомобиль в неподвижном состоянии на ровной поверхности на время не менее 1 с.

      Tech Tips

      Проверку датчика замедления можно выполнять совместно с описанной ниже процедурой проверки датчика давления в главном цилиндре.

  • Проверка определения давления разрежения в гидроусилителе и калибровка "нуля" датчика давления в главном цилиндре


    1. При выключенном двигателе несколько раз нажмите педаль тормоза, чтобы сбросить разрежение в усилителе тормозной системы.

    2. Включите зажигание (IG).

    3. Убедитесь, что контрольная лампа состояния тормозной системы включается при нажатии на педаль тормоза с усилием 59,0 Н (6,0 кгс, 13,2 фунт-силы) или более в течение не менее 1 секунды. (Потеря давления в усилителе признана нормальной.)

    4. Запустите двигатель и нажимайте на педаль тормоза с усилием 59,0 Н (6,0 кгс, 13,2 фунт-силы) или более в течение не менее 1 секунды.

    5. Убедитесь, что при быстром отпускании педали тормоза контрольная лампа состояния тормозной системы гаснет. (Потеря давления в усилителе признана нормальной.)

    6. Оставьте автомобиль на время не менее 1 секунды. (Калибровка "нуля" датчика давления в главном цилиндре.)

      Note


      • Если вы медленно нажмете педаль тормоза, или нажмете ее многократно, калибровка "нуля" датчика давления в главном цилиндре не будет выполнена должным образом.

      • Проверка датчика давления в главном цилиндре может быть выполнена только при удовлетворительных результатах проверки определения давления разрежения в гидроусилителе.

      • Если повторная проверка выполняется после запуска двигателя, завершите работу в режиме активной диагностики, вновь войдите в режим активной диагностики, а затем сбросьте давление разрежения в гидроусилителе с помощью педали тормоза перед тем, как начинать повторную проверку.

      Tech Tips

      Если состояние потери давления в гидроусилителе признается ненормальным, включается контрольная лампа состояния тормозной системы и сохраняется DTC C1281 режима активной диагностики (недопустимый сигнал на выходе датчика давления в главном цилиндре).

  • Проверка датчика давления в главном цилиндре


    1. Примите меры, чтобы автомобиль оставался в неподвижном состоянии, отпустите педаль тормоза на 1 с или более, а затем быстро и непрерывно нажимайте на нее с усилием не менее 98 Н (10 кгс, 22,0 фунт-силы) в течение 1 с.

    2. Убедитесь, что контрольная лампа ABS остается включенной в течение 3 с.

      Tech Tips


      • Убедитесь, что контрольная лампа ABS загорелась.

      • Пока контрольная лампа ABS остается включенной, продолжайте нажимать педаль тормоза с усилием не менее 98 Н (10 кгс, 22,0 фунт-сила-фута).

      • Всякий раз при выполнении описанных выше действий контрольная лампа ABS должна включаться на 3 с.

  • Проверка датчика частоты вращения


    1. Двигайтесь на автомобиле задним ходом в течение более 1 с со скоростью не менее 3 км/час (2 мили в час) (проверка сигнала заднего хода).

    2. Убедитесь, что контрольная лампа ABS погасла.

      Tech Tips

      Двигаясь задним ходом, проверьте сигнал датчика частоты вращения. Необходимо помнить, что проверка сигналов не может быть выполнена, если скорость автомобиля составляет 45 км/час (28 миль в час) или выше.

    3. Двигайтесь на автомобиле прямо.

      Разгоните автомобиль до скорости не менее 45 км/час (28 миль в час) на несколько секунд (проверка сигнала переднего хода).

      Note


      • Проверка датчика частоты вращения не может быть выполнена, если в начале проверки поворачивалось рулевое колесо или пробуксовывали колеса.

      • Если скорость автомобиля превышает 80 км/час (50 миль в час), после выключения контрольной лампы ABS код DTC проверки датчика будет сохранен еще раз. Снизьте скорость или остановите автомобиль до того, как скорость достигнет 80 км/час (50 миль в час).

      Tech Tips


      • Проверка датчика не может быть завершена, если колеса автомобиля пробуксовывают.

      • В случае обнаружения неисправности во время проверки датчика частоты вращения контрольная лампа ABS загорается немедленно.

    4. Убедитесь, что контрольная лампа ABS погасла.

      Tech Tips


      • После завершения проверки датчика контрольная лампа ABS гаснет.

      • В случае обнаружения неисправности во время проверки датчика частоты вращения контрольная лампа ABS загорается немедленно.

    5. Остановите автомобиль.

      Note

      Если проверка датчиков не завершена, контрольная лампа ABS будет мигать даже во время движения автомобиля, а система АБС не сможет работать.

      Tech Tips

      Когда проверка датчика завершается, контрольная лампа ABS гаснет во время движения и мигает согласно диаграмме режима активной диагностики, если автомобиль неподвижен.

  • Проверка датчика VSC

    Tech Tips

    Перед проверкой датчиков VSC убедитесь, что контрольная лампа SLIP мигает по схеме режима активной диагностики.

  • Проверка "нуля" датчика рысканья


    1. Убедитесь, что рычаг переключения передач находится в положении Р.

    2. После включения зажигания (IG) автомобиль должен оставаться в неподвижном состоянии на ровной поверхности не менее 5 секунд.

  • Проверка выключателя VSC OFF (комбинированного переключателя в сборе)


    1. Нажмите выключатель VSC OFF (комбинированный переключатель в сборе).

    2. Убедитесь, что загорается контрольная лампа VSC OFF.

    3. Нажмите выключатель VSC OFF (комбинированный переключатель в сборе) еще раз.

  • Окончание проверки датчика


    1. По окончании проверки датчиков контрольная лампа ABS начинает мигать (по схеме режима активной диагностики), если автомобиль остановлен, и гаснет, если автомобиль находится в движении.

      Note

      Если проверка датчиков не завершена, контрольная лампа ABS будет мигать даже во время движения автомобиля, а система АБС не сможет работать.

  • A01FOEEC65
    *a Вид спереди разъема DLC3

    Считайте коды DTC проверки датчиков


    1. С помощью SST соедините контакты TС и CG разъема DLC3.

      SST
      09843-18040
    2. Подсчитайте число миганий контрольной лампы ABS и контрольной лампы SLIP.

      Note


      • Если отображаются только коды DTC, отличные от DTC проверки датчиков в режиме активной диагностики, устраните неисправности и удалите DTC.

      • Если отображаются коды DTC проверки датчиков в режиме активной диагностики и прочие коды DTC, или если отображаются только коды DTC режима активной диагностики, устраните неисправности, удалите DTC и снова выполните проверку в режиме активной диагностики.

      Tech Tips


      • Считывание кодов DTC:

        Диагностические коды неисправностей обозначаются количеством миганий контрольной лампы. Например, код 21 будет представлен 2 миганиями, паузой 1,5 с и затем 1 миганием.

      • Если зарегистрирован один код:

        Контрольная лампа повторяет один и тот же код с паузой 4 с.

      • Если зарегистрированы несколько кодов:

        Лампа выводит коды один за другим с паузой 2,5 с между кодами.

        После вывода всех кодов делается 4-секундная пауза, и затем контрольная лампа повторяет вывод кодов.

      • При одновременной регистрации нескольких неисправностей первым будет выводиться код с наименьшим номером.

      • См. "Коды DTC проверки датчиков".

    3. После выполнения проверки отсоедините SST от контактов TS и CG на DLC3 и выключите зажигание.

    4. Включите зажигание (IG), чтобы выйти из режима активной диагностики.

      Tech Tips


      • Если выключатель зажигания не будет выключен и вновь установлен в положение ON (ВКЛ) (IG) после отсоединения SST от DLC3, продолжит действовать предыдущий режим активной диагностики.

      • Если выключатель зажигания будет установлен в положение ON (ВКЛ) (IG) с замкнутыми контактами TS и CG, продолжит действовать предыдущий режим активной диагностики.

  • Коды DTC поверки датчиков

    Tech Tips

    Указанные в таблице коды DTC выводятся только в режиме активной диагностики (проверки сигналов).