NAVIGATION SYSTEM, Diagnostic DTC:B15D5

DTC Code DTC Name
B15D5 Rear Seat Entertainment System Disconnected

DESCRIPTION

The multi-media module receiver assembly and multi-display controller sub-assembly are connected by the MOST communication line.

When a MOST communication error occurs between the multi-media module receiver assembly and multi-display controller sub-assembly, these DTCs will be stored.

DTC Code DTC Detection Condition Trouble Area
B15D5 A device that is listed in the MOST network connected device record of the master unit is missing.
  • Multi-display controller sub-assembly power source circuit

  • MOST circuit between stereo component amplifier assembly and multi-display controller sub-assembly

  • MOST circuit between multi-display controller sub-assembly and multi-media module receiver assembly

  • Multi-display controller sub-assembly

  • Multi-media module receiver assembly

Tech Tips

For the MOST network, the multi-media module receiver assembly is the master unit.

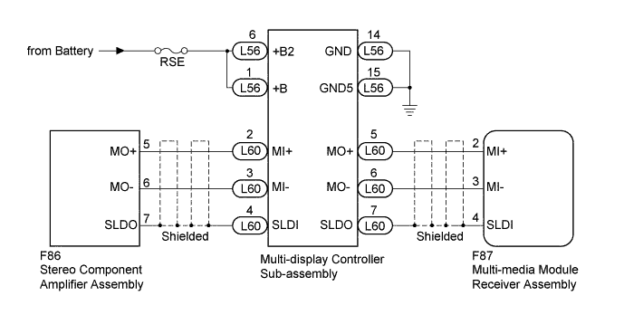
WIRING DIAGRAM

A01EO8EE09

INSPECTION PROCEDURE

Note

Inspect the fuses for circuits related to this system before performing the following inspection procedure.

PROCEDURE


  1. CHECK OPTIONAL COMPONENTS (INCLUDING ASSOCIATED WIRING)


    1. Check for optional components.


      1. Check that optional components (including associated wiring) which generate radio waves are not installed.

        Result
        Result Proceed to
        Optional components (including associated wiring) are installed. A
        Optional components (including associated wiring) are not installed. B

        Tech Tips


        • Electrical noise from radio waves generated by optional components or the wiring for those components may affect MOST communication.

        • This DTC may be stored when a MOST communication error occurs due to electrical noise.


    B
    A
  2. REMOVE OPTIONAL COMPONENTS (INCLUDING ASSOCIATED WIRING)


    1. Remove optional components (including associated wiring).

      Note

      Do not remove optional components or associated wiring without the permission of the customer.


    NEXT
  3. CLEAR DTC


    1. Clear the DTCs Click here.


    NEXT
  4. CHECK DTC


    1. Recheck for DTCs and check if the same DTC is output again Click here.

      Result
      Result Proceed to
      No DTCs are output A
      DTCs are output B

    B
    A
  5. CHECK HARNESS AND CONNECTOR (MULTI-DISPLAY CONTROLLER SUB-ASSEMBLY - POWER SOURCE AND BODY GROUND)


    1. A01EPVGE03
      Text in Illustration
      *a

      Front view of wire harness connector

      (to Multi-display Controller Sub-assembly)

      Disconnect the multi-display controller sub-assembly connector.

    2. Measure the resistance according to the value(s) in the table below.

      Standard Resistance
      Tester Connection Condition Specified Condition
      L56-14 (GND) - Body ground Always Below 1 Ω
      L56-15 (GND5) - Body ground Always Below 1 Ω
    3. Measure the voltage according to the value(s) in the table below.

      Standard Voltage
      Tester Connection Condition Specified Condition
      L56-6 (+B2) - L56-14 (GND) Always 11 to 14 V
      L56-1 (+B) - L56-14 (GND) Always 11 to 14 V

    NG
    OK
  6. CHECK HARNESS AND CONNECTOR (MULTI-DISPLAY CONTROLLER SUB-ASSEMBLY - STEREO COMPONENT AMPLIFIER ASSEMBLY)


    1. Disconnect the L60 multi-display controller sub-assembly connector.

    2. Disconnect the F86 stereo component amplifier assembly connector.

    3. Measure the resistance according to the value(s) in the table below.

      Standard Resistance
      Tester Connection Condition Specified Condition
      L60-2 (MI+) - F86-5 (MO+) Always Below 1 Ω
      L60-3 (MI-) - F86-6 (MO-) Always Below 1 Ω
      L60-4 (SLDI) - F86-7 (SLDO) Always Below 1 Ω
      L60-2 (MI+) - Body ground Always 10 kΩ or higher
      L60-3 (MI-) - Body ground Always 10 kΩ or higher
      L60-4 (SLDI) - Body ground Always 10 kΩ or higher

    NG
    OK
  7. CHECK HARNESS AND CONNECTOR (MULTI-DISPLAY CONTROLLER SUB-ASSEMBLY - MULTI-MEDIA MODULE RECEIVER ASSEMBLY)


    1. Disconnect the L60 multi-display controller sub-assembly connector.

    2. Disconnect the F87 multi-media module receiver assembly connector.

    3. Measure the resistance according to the value(s) in the table below.

      Standard Resistance
      Tester Connection Condition Specified Condition
      L60-5 (MO+) - F87-2 (MI+) Always Below 1 Ω
      L60-6 (MO-) - F87-3 (MI-) Always Below 1 Ω
      L60-7 (SLDO) - F87-4 (SLDI) Always Below 1 Ω
      L60-5 (MO+) - Body ground Always 10 kΩ or higher
      L60-6 (MO-) - Body ground Always 10 kΩ or higher
      L60-7 (SLDO) - Body ground Always 10 kΩ or higher

    NG
    OK
  8. REPLACE MULTI-DISPLAY CONTROLLER SUB-ASSEMBLY


    1. Replace the multi-display controller sub-assembly Click here.


    NEXT
  9. CLEAR DTC


    1. Clear the DTCs Click here.


    NEXT
  10. CHECK DTC


    1. Recheck for DTCs and check if the same DTC is output again Click here.

      OK
      No DTCs are output.

    NG
    OK