СИСТЕМА КОНДИЦИОНИРОВАНИЯ (для моделей с кондиционером с ручным управлением), Diagnostic DTC:B1497

Код DTC Наименование DTC
B1497 Нарушение обмена данными (ИС шины)

ОПИСАНИЕ

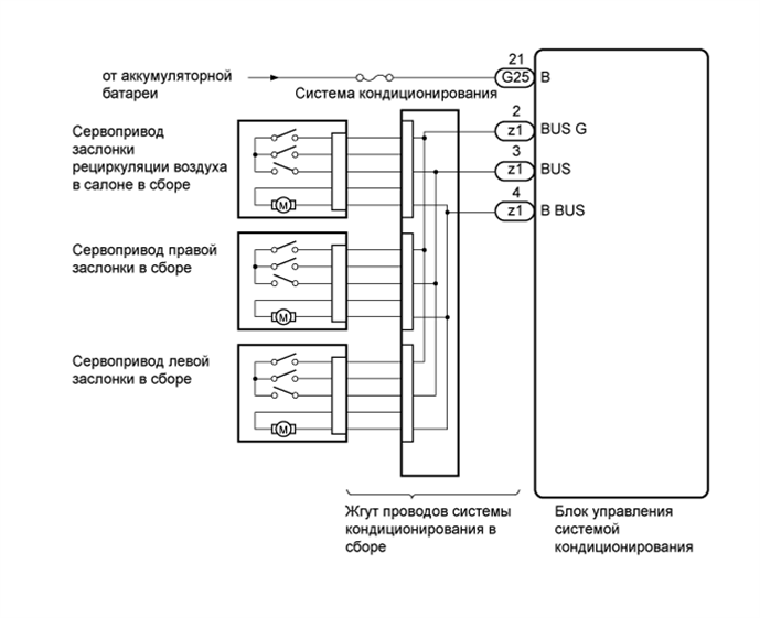
Жгут проводов системы кондиционирования в сборе соединяет блок управления системой кондиционирования в сборе и сервоприводы. Через этот жгут проводов блок управления системой кондиционирования в сборе выдает питающее напряжение и команды управления для каждого сервопривода. В свою очередь, сервоприводы передают в блок управления системой кондиционирования в сборе информацию о положениях заслонок.

Код DTC Условие обнаружения DTC Неисправный участок
B1497 Обрыв цепи или ошибка в линии передачи данных.
  • Сервопривод заслонки рециркуляции воздуха в салоне в сборе

  • Сервопривод правой заслонки в сборе

  • Сервопривод левой заслонки в сборе

  • Жгут проводов системы кондиционирования в сборе

  • Блок управления системой кондиционирования в сборе

  • Жгут или разъем

СХЕМА ЭЛЕКТРИЧЕСКИХ СОЕДИНЕНИЙ

A00XJX8E01

ПОСЛЕДОВАТЕЛЬНОСТЬ ПРОВЕРКИ

Note

Перед выполнением следующей процедуры проверки проверьте предохранители цепей, относящихся к данной системе.

ПОРЯДОК ВЫПОЛНЕНИЯ


  1. ВЫПОЛНИТЕ ДИАГНОСТИКУ В РЕЖИМЕ ACTIVE TEST С ПОМОЩЬЮ ПОРТАТИВНОГО ДИАГНОСТИЧЕСКОГО ПРИБОРА


    1. Выберите режим Active Test, с помощью портативного диагностического прибора подайте команду управления, после чего проверьте, работает ли серводвигатель (см. стр. Click here).

      Air Conditioner (Система кондиционирования)
      Информация на дисплее прибора Испытываемое устройство Диапазон регулирования Замечание по диагностике
      Air Mix Servo Targ Pulse (D) Заданный импульсный сигнал сервопривода заслонки радиатора системы кондиционирования № 1 (сервопривода смесительной заслонки со стороны водителя) Мин.: 0, макс.: 255 -
      Air Mix Servo Targ Pulse (P) Импульсный сигнал сервопривода заслонки радиатора системы кондиционирования № 2 (сервопривода смесительной заслонки со стороны переднего пассажира) Мин.: 0, макс.: 255 -
      Air Outlet Servo Pulse (D) Импульсный сигнал сервопривода заслонки радиатора системы кондиционирования № 1 (серводвигателя заслонки распределения потоков воздуха) Мин.: 0, макс.: 255 -
      Air Inlet Damper Targ Pulse Импульсный сигнал сервопривода заслонки вентилятора №1 Мин.: 0, макс.: 255 -
      OK
      Рычаг сервопривода, выбранного в режиме Active Test, перемещается плавно
    2. В соответствии с результатом проверки переходите к следующему шагу.

      Результат
      Результат Следующий шаг
      Один из передних сервоприводов неисправен А
      Все передние сервоприводы неисправны B

    B
    А
  2. ПРОВЕРКА СИСТЕМЫ


    1. В соответствии с результатом проверки переходите к следующему шагу.

      Результат
      Результат Следующий шаг
      Неисправен только сервопривод заслонки рециркуляции воздуха в салоне А
      Неисправен только сервопривод правой заслонки B
      Неисправен только сервопривод левой заслонки C

    B
    C
    А
  3. ЗАМЕНИТЕ СЕРВОПРИВОД ЗАСЛОНКИ РЕЦИРКУЛЯЦИИ ВОЗДУХА В САЛОНЕ В СБОРЕ


    1. Замените сервопривод заслонки рециркуляции воздуха в салоне в сборе (см. стр. Click here).

      Tech Tips

      Поскольку проверить снятый с автомобиля серводвигатель невозможно, замените серводвигатель новым или заведомо исправным и проверьте, восстанавливается ли нормальное состояние.

    2. Проверьте DTC.

      Результат
      Результат Следующий шаг
      DTC B1497/97 отсутствует А
      DTC B1497/97 выводится B

    B
    А
  4. ЗАМЕНИТЕ СЕРВОПРИВОД ПРАВОЙ ЗАСЛОНКИ В СБОРЕ


    1. Замените сервопривод правой заслонки в сборе (см. стр. Click here).

      Tech Tips

      Поскольку проверить снятый с автомобиля серводвигатель невозможно, замените серводвигатель новым или заведомо исправным и проверьте, восстанавливается ли нормальное состояние.

    2. Проверьте DTC.

      Результат
      Результат Следующий шаг
      DTC B1497/97 отсутствует А
      DTC B1497/97 выводится B

    B
    А
  5. ЗАМЕНИТЕ СЕРВОПРИВОД ЛЕВОЙ ЗАСЛОНКИ В СБОРЕ


    1. Замените сервопривод левой заслонки в сборе (см. стр. Click here).

      Tech Tips

      Поскольку проверить снятый с автомобиля серводвигатель невозможно, замените серводвигатель новым или заведомо исправным и проверьте, восстанавливается ли нормальное состояние.

    2. Проверьте DTC.

      Результат
      Результат Следующий шаг
      DTC B1497/97 отсутствует А
      DTC B1497/97 выводится B

    B
    А
  6. ЗАМЕНИТЕ ЖГУТ ПРОВОДОВ СИСТЕМЫ КОНДИЦИОНИРОВАНИЯ


    1. Замените жгут проводов системы кондиционирования (см. стр. Click here).

      Tech Tips

      Поскольку проверить снятый с автомобиля серводвигатель невозможно, замените серводвигатель новым или заведомо исправным и проверьте, восстанавливается ли нормальное состояние.

    2. Проверьте DTC.

      Результат
      Результат Следующий шаг
      DTC B1497/97 отсутствует А
      DTC B1497/97 выводится B

    B
    А
  7. ПРОВЕРЬТЕ ЖГУТ ПРОВОДОВ И РАЗЪЕМ (БЛОК УПРАВЛЕНИЯ СИСТЕМОЙ КОНДИЦИОНИРОВАНИЯ – АККУМУЛЯТОРНАЯ БАТАРЕЯ)


    1. A00XHQUE20
      Обозначения на рисунке
      *a

      Вид сзади разъема со стороны жгута проводов

      (к блоку управления системой кондиционирования)

      Отсоедините разъем G25 блока управления системой кондиционирования.

    2. Измерьте напряжение в соответствии со значениями, приведенными в таблице.

      Номинальное напряжение
      Подключение диагностического прибора Условие Заданные условия
      G25-21 (B) - масса Всегда 11 - 14 В

    NG
    OK