AIRBAG SYSTEM, Diagnostic DTC:B1860/64, B1861/64, B1862/64, B1863/64

DTC Code DTC Name
B1860/64 Short in Driver Side Knee Airbag Squib Circuit
B1861/64 Open in Driver Side Knee Airbag Squib Circuit
B1862/64 Short to GND in Driver Side Knee Airbag Squib Circuit
B1863/64 Short to B+ in Driver Side Knee Airbag Squib Circuit

DESCRIPTION

The driver side knee squib circuit consists of the center airbag sensor and lower No. 1 instrument panel airbag.

This circuit instructs the SRS to deploy when deployment conditions are met.

These DTCs are stored when a malfunction is detected in the driver side knee squib circuit.

DTC Code DTC Detection Condition Trouble Area
B1860/64

One of the following conditions is met:


  • The center airbag sensor detects a line short circuit signal 5 times in the driver side knee squib circuit during the primary check.

  • A driver side knee squib malfunction.

  • A center airbag sensor malfunction.


  • Instrument panel wire

  • Lower No. 1 instrument panel airbag assembly (Driver side knee squib)

  • Center airbag sensor assembly

B1861/64

One of the following conditions is met:


  • The center airbag sensor detects open circuit signal in the driver side knee squib circuit for 2 seconds.

  • A driver side knee squib malfunction.

  • A center airbag sensor malfunction.


  • Instrument panel wire

  • Lower No. 1 instrument panel airbag assembly (Driver side knee squib)

  • Center airbag sensor assembly

B1862/64

One of the following conditions is met:


  • The airbag sensor center detects a short circuit to ground signal in the driver side knee squib circuit for 0.5 seconds.

  • A driver side knee squib malfunction.

  • A center airbag sensor malfunction.


  • Instrument panel wire

  • Lower No. 1 instrument panel airbag assembly (Driver side knee squib)

  • Center airbag sensor assembly

B1863/64

One of the following conditions is met:


  • The airbag sensor center detects a short circuit to B+ signal in the driver side knee squib circuit for 0.5 seconds.

  • A driver side knee squib malfunction.

  • A center airbag sensor malfunction.


  • Instrument panel wire

  • Lower No. 1 instrument panel airbag assembly (Driver side knee squib)

  • Center airbag sensor assembly

WIRING DIAGRAM

A0098FOE21

INSPECTION PROCEDURE

Note

When disconnecting the cable from the negative (-) battery terminal while performing repairs, some systems need to be initialized after the cable is reconnected Click here.

Tech Tips

To perform the simulation method, enter check mode (signal check) with the intelligent tester Click here, and then wiggle each connector of the airbag system or drive the vehicle on various types of road Click here.

PROCEDURE


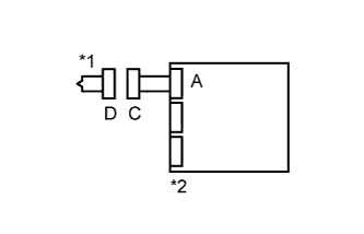
  1. CHECK LOWER NO. 1 INSTRUMENT PANEL AIRBAG (DRIVER SIDE KNEE SQUIB)


    1. A009AW6E01
      Text in Illustration
      *1 Driver Side Knee Squib
      *2 Center Airbag Sensor
      *3 Connector C
      *4 SST
      *a

      Front view of wire harness connector

      (to Driver Side Knee Squib)

      Turn the ignition switch off.

    2. Disconnect the cable from the negative (-) battery terminal, and wait for at least 90 seconds.

    3. Disconnect the connector from the lower No. 1 instrument panel airbag.

    4. Connect the white wire side of SST (resistance: 2.1 Ω) to connector C.

      CAUTION:

      Never connect the tester to the lower No. 1 instrument panel airbag (driver side knee squib) for measurement, as this may lead to a serious injury due to airbag deployment.

      Note


      • Do not forcibly insert SST into the terminals of the connector when connecting SST.

      • Insert SST straight into the terminals of the connector.

      SST
      09843-18061
    5. Connect the cable to the negative (-) battery terminal, and wait for at least 2 seconds.

    6. Turn the ignition switch to ON, and wait for at least 60 seconds.

    7. Clear the DTCs Click here.

    8. Turn the ignition switch off.

    9. Turn the ignition switch to ON, and wait for at least 60 seconds.

    10. Check for DTCs Click here.

      OK
      DTC B1860, B1861, B1862 or B1863 is not output.

      Tech Tips

      Codes other than DTC B1860, B1861, B1862 and B1863 may be output at this time, but they are not related to this check.


    NG
    OK
  2. CHECK CONNECTOR


    1. Turn the ignition switch off.

    2. Disconnect the cable from the negative (-) battery terminal, and wait for at least 90 seconds.

    3. Disconnect SST from connector C.

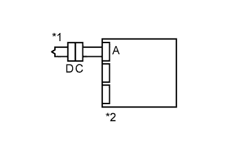
    4. A0094QAE01
      Text in Illustration
      *1 Driver Side Knee Squib
      *2 Center Airbag Sensor

      Check that the instrument panel wire connector (on the lower No. 1 instrument panel airbag side) is not damaged.

      OK
      The lock button is not disengaged, and the claw of the lock is not deformed or damaged.

    NG
    OK
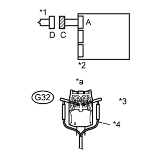
  3. CHECK INSTRUMENT PANEL WIRE (LOWER NO. 1 INSTRUMENT PANEL AIRBAG - CENTER AIRBAG SENSOR)


    1. A009B6HE02
      Text in Illustration
      *1 Driver Side Knee Squib
      *2 Instrument Panel Wire
      *3 Center Airbag Sensor
      *4 Connector C
      *a

      Front view of wire harness connector

      (to Driver Side Knee Squib)

      Disconnect the connectors from the center airbag sensor.

    2. Connect the cable to the negative (-) battery terminal, and wait for at least 2 seconds.

    3. Measure the voltage according to the value(s) in the table below.

      Standard Voltage
      Tester Connection Switch Condition Specified Condition
      G32-1 (DK+) - Body ground Ignition switch ON Below 1 V
      G32-2 (DK-) - Body ground Ignition switch ON Below 1 V
    4. Turn the ignition switch off.

    5. Disconnect the cable from the negative (-) battery terminal, and wait for at least 90 seconds.

    6. Measure the resistance according to the value(s) in the table below.

      Standard Resistance
      Tester Connection Condition Specified Condition
      G32-1 (DK+) - G32-2 (DK-) Always Below 1 Ω
    7. Release the activation prevention mechanism built into connector B Click here.

    8. Measure the resistance according to the value(s) in the table below.

      Standard Resistance
      Tester Connection Condition Specified Condition
      G32-1 (DK+) - G32-2 (DK-) Always 1 MΩ or higher
      G32-1 (DK+) - Body ground Always 1 MΩ or higher
      G32-2 (DK-) - Body ground Always 1 MΩ or higher

    NG
    OK
  4. CHECK CENTER AIRBAG SENSOR


    1. A0095UOE02
      Text in Illustration
      *1 Driver Side Knee Squib
      *2 Center Airbag Sensor

      Connect the connectors to the lower No. 1 instrument panel airbag and center airbag sensor.

    2. Connect the cable to the negative (-) battery terminal, and wait for at least 2 seconds.

    3. Turn the ignition switch to ON, and wait for at least 60 seconds.

    4. Clear the DTCs Click here.

    5. Turn the ignition switch off.

    6. Turn the ignition switch to ON, and wait for at least 60 seconds.

    7. Check for DTCs Click here.

      OK
      DTC B1860, B1861, B1862 or B1863 is not output.

      Tech Tips

      Codes other than DTC B1860, B1861, B1862 and B1863 may be output at this time, but they are not related to this check.


    NG
    OK