AIRBAG SYSTEM, Diagnostic DTC:B1830/57, B1831/57, B1832/57, B1833/57

DTC Code DTC Name
B1830/57 Short in Curtain Shield Squib RH Circuit
B1831/57 Open in Curtain Shield Squib RH Circuit
B1832/57 Short to GND in Curtain Shield Squib RH Circuit
B1833/57 Short to B+ in Curtain Shield Squib RH Circuit

DESCRIPTION

The curtain shield squib RH circuit consists of the center airbag sensor and curtain shield airbag RH.

The circuit instructs the SRS to deploy when deployment conditions are met.

These DTCs are stored when a malfunction is detected in the curtain shield squib RH circuit.

DTC Code DTC Detection Condition Trouble Area
B1830/57

One of the following conditions is met:


  • The center airbag sensor detects a line short circuit signal 5 times in the curtain shield squib RH circuit during the primary check.

  • A curtain shield squib RH malfunction.

  • A center airbag sensor malfunction.


  • Floor wire

  • Curtain shield airbag assembly RH (Curtain shield squib RH)

  • Center airbag sensor assembly

B1831/57

One of the following conditions is met:


  • The center airbag sensor detects open circuit signal in the curtain shield squib RH circuit for 2 seconds.

  • A curtain shield squib RH malfunction.

  • A center airbag sensor malfunction.


  • Floor wire

  • Curtain shield airbag assembly RH (Curtain shield squib RH)

  • Center airbag sensor assembly

B1832/57

One of the following conditions is met:


  • The center airbag sensor detects a short circuit to ground signal in the curtain shield squib RH circuit for 0.5 seconds.

  • A curtain shield squib RH malfunction.

  • A center airbag sensor malfunction.


  • Floor wire

  • Curtain shield airbag assembly RH (Curtain shield squib RH)

  • Center airbag sensor assembly

B1833/57

One of the following conditions is met:


  • The center airbag sensor detects a short circuit to B+ signal in the curtain shield squib RH circuit for 0.5 seconds.

  • A curtain shield squib RH malfunction.

  • A center airbag sensor malfunction.


  • Floor wire

  • Curtain shield airbag assembly RH (Curtain shield squib RH)

  • Center airbag sensor assembly

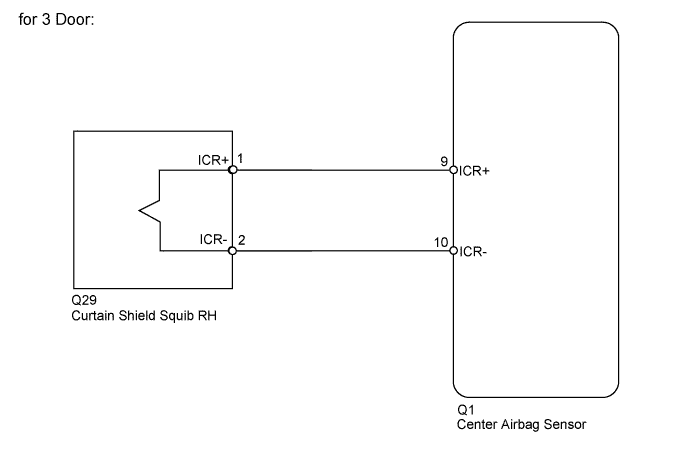
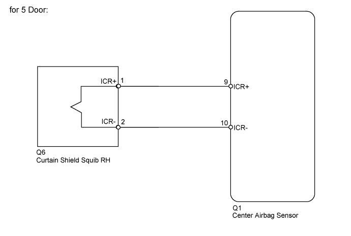
WIRING DIAGRAM

A00XH5GE28
A00XH5GE45

INSPECTION PROCEDURE

Note


  • After turning the ignition switch off, waiting time may be required before disconnecting the cable from the battery terminal. Therefore, make sure to read the disconnecting the cable from the battery terminal notice before proceeding with work Click here.

  • When disconnecting the cable from the negative (-) battery terminal while performing repairs, some systems need to be initialized after the cable is reconnected Click here.

Tech Tips

To perform the simulation method, enter check mode (signal check) with the intelligent tester Click here, and then wiggle each connector of the airbag system or drive the vehicle on various types of road Click here.

PROCEDURE


  1. CHECK VEHICLE TYPE


    1. Check vehicle type.

      Result
      Result Proceed to
      for LHD A
      for RHD B

    A
    B
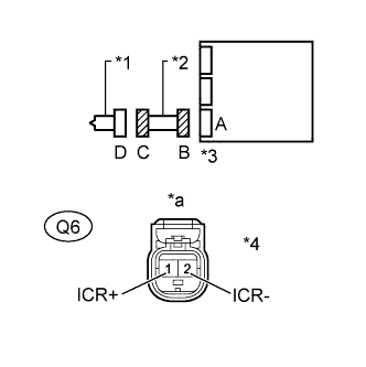
  2. CHECK CURTAIN SHIELD AIRBAG RH (CURTAIN SHIELD SQUIB RH)


    1. A00XGONE01
      Text in Illustration
      *1 Curtain Shield Squib RH
      *2 Center Airbag Sensor
      *3 Connector C
      *4 SST
      *a

      Front view of wire harness connector

      (to Curtain Shield Squib RH)

      Turn the ignition switch off.

    2. Disconnect the cable from the negative (-) battery terminal, and wait for at least 90 seconds.

    3. Disconnect the connector from the curtain shield airbag RH.

    4. Connect the black wire side of SST (resistance: 2.1 Ω) to connector C.

      CAUTION:

      Never connect the tester to the curtain shield airbag RH (curtain shield squib RH) for measurement, as this may lead to a serious injury due to airbag deployment.

      Note


      • Do not forcibly insert SST into the terminals of the connector when connecting SST.

      • Insert SST straight into the terminals of the connector.

      SST
      09843-18061
    5. Connect the cable to the negative (-) battery terminal, and wait for at least 2 seconds.

    6. Turn the ignition switch to ON, and wait for at least 60 seconds.

    7. Clear the DTCs Click here.

    8. Turn the ignition switch off.

    9. Turn the ignition switch to ON, and wait for at least 60 seconds.

    10. Check for DTCs Click here.

      OK
      DTC B1830, B1831, B1832 or B1833 is not output.

      Tech Tips

      Codes other than DTC B1830, B1831, B1832 and B1833 may be output at this time, but they are not related to this check.


    NG
    OK
  3. CHECK CONNECTOR


    1. Turn the ignition switch off.

    2. Disconnect the cable from the negative (-) battery terminal, and wait for at least 90 seconds.

    3. Disconnect SST from connector C.

    4. A00XJGWE01
      Text in Illustration
      *1 Curtain Shield Squib RH
      *2 Center Airbag Sensor

      Check that the floor wire connector (on the curtain shield airbag RH side) is not damaged.

      OK
      The lock button is not disengaged, and the claw of the lock is not deformed or damaged.

    NG
    OK
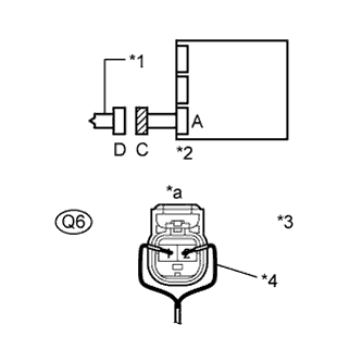
  4. CHECK FLOOR WIRE (CURTAIN SHIELD AIRBAG RH - CENTER AIRBAG SENSOR)


    1. A00XGRNE02
      Text in Illustration
      *1 Curtain Shield Squib RH
      *2 Floor Wire
      *3 Center Airbag Sensor
      *4 Connector C
      *a

      Front view of wire harness connector

      (to Curtain Shield Squib RH)

      Disconnect the connectors from the center airbag sensor.

    2. Connect the cable to the negative (-) battery terminal, and wait for at least 2 seconds.

    3. Measure the voltage according to the value(s) in the table below.

      Standard Voltage
      Tester Connection Switch Condition Specified Condition
      Q6-1 (ICR+) - Body ground Ignition switch ON Below 1 V
      Q6-2 (ICR-) - Body ground Ignition switch ON Below 1 V
    4. Turn the ignition switch off.

    5. Disconnect the cable from the negative (-) battery terminal, and wait for at least 90 seconds.

    6. Measure the resistance according to the value(s) in the table below.

      Standard Resistance
      Tester Connection Condition Specified Condition
      Q6-1 (ICR+) - Q6-2 (ICR-) Always Below 1 Ω
    7. Release the activation prevention mechanism built into connector B Click here.

    8. Measure the resistance according to the value(s) in the table below.

      Standard Resistance
      Tester Connection Condition Specified Condition
      Q6-1 (ICR+) - Q6-2 (ICR-) Always 1 MΩ or higher
      Q6-1 (ICR+) - Body ground Always 1 MΩ or higher
      Q6-2 (ICR-) - Body ground Always 1 MΩ or higher

    NG
    OK
  5. CHECK CENTER AIRBAG SENSOR


    1. A00XEK9E37
      Text in Illustration
      *1 Curtain Shield Squib RH
      *2 Center Airbag Sensor

      Connect the connectors to the curtain shield airbag RH and center airbag sensor.

    2. Connect the cable to the negative (-) battery terminal, and wait for at least 2 seconds.

    3. Turn the ignition switch to ON, and wait for at least 60 seconds.

    4. Clear the DTCs Click here.

    5. Turn the ignition switch off.

    6. Turn the ignition switch to ON, and wait for at least 60 seconds.

    7. Check for DTCs Click here.

      OK
      DTC B1830, B1831, B1832 or B1833 is not output.

      Tech Tips

      Codes other than DTC B1830, B1831, B1832 and B1833 may be output at this time, but they are not related to this check.


    NG
    OK
  6. CHECK CURTAIN SHIELD AIRBAG RH (CURTAIN SHIELD SQUIB RH)


    1. A00XGBKE01
      Text in Illustration
      *1 Curtain Shield Squib RH
      *2 Center Airbag Sensor
      *3 Connector C
      *4 SST
      *a

      Front view of wire harness connector

      (to Curtain Shield Squib RH)

      Turn the ignition switch off.

    2. Disconnect the cable from the negative (-) battery terminal, and wait for at least 90 seconds.

    3. Disconnect the connector from the curtain shield airbag RH.

    4. Connect the white wire side of SST (resistance: 2.1 Ω) to connector C.

      CAUTION:

      Never connect the tester to the curtain shield airbag RH (curtain shield squib RH) for measurement, as this may lead to a serious injury due to airbag deployment.

      Note


      • Do not forcibly insert SST into the terminals of the connector when connecting SST.

      • Insert SST straight into the terminals of the connector.

      SST
      09843-18061
    5. Connect the cable to the negative (-) battery terminal, and wait for at least 2 seconds.

    6. Turn the ignition switch to ON, and wait for at least 60 seconds.

    7. Clear the DTCs Click here.

    8. Turn the ignition switch off.

    9. Turn the ignition switch to ON, and wait for at least 60 seconds.

    10. Check for DTCs Click here.

      OK
      DTC B1830, B1831, B1832 or B1833 is not output.

      Tech Tips

      Codes other than DTC B1830, B1831, B1832 and B1833 may be output at this time, but they are not related to this check.


    NG
    OK
  7. CHECK CONNECTOR


    1. Turn the ignition switch off.

    2. Disconnect the cable from the negative (-) battery terminal, and wait for at least 90 seconds.

    3. Disconnect SST from connector C.

    4. A00XJGWE01
      Text in Illustration
      *1 Curtain Shield Squib RH
      *2 Center Airbag Sensor

      Check that the floor wire connector (on the curtain shield airbag RH side) is not damaged.

      OK
      The lock button is not disengaged, and the claw of the lock is not deformed or damaged.

    NG
    OK
  8. CHECK FLOOR WIRE (CURTAIN SHIELD AIRBAG RH - CENTER AIRBAG SENSOR)


    1. A00XFYWE01
      Text in Illustration
      *1 Curtain Shield Squib RH
      *2 Floor Wire
      *3 Center Airbag Sensor
      *4 Connector C
      *a

      Front view of wire harness connector

      (to Curtain Shield Squib RH)

      Disconnect the connectors from the center airbag sensor.

    2. Connect the cable to the negative (-) battery terminal, and wait for at least 2 seconds.

    3. Measure the voltage according to the value(s) in the table below.

      Standard Voltage
      Tester Connection Switch Condition Specified Condition
      Q29-1 (ICR+) - Body ground Ignition switch ON Below 1 V
      Q29-2 (ICR-) - Body ground Ignition switch ON Below 1 V
    4. Turn the ignition switch off.

    5. Disconnect the cable from the negative (-) battery terminal, and wait for at least 90 seconds.

    6. Measure the resistance according to the value(s) in the table below.

      Standard Resistance
      Tester Connection Condition Specified Condition
      Q29-1 (ICR+) - Q29-2 (ICR-) Always Below 1 Ω
    7. Release the activation prevention mechanism built into connector B Click here.

    8. Measure the resistance according to the value(s) in the table below.

      Standard Resistance
      Tester Connection Condition Specified Condition
      Q29-1 (ICR+) - Q29-2 (ICR-) Always 1 MΩ or higher
      Q29-1 (ICR+) - Body ground Always 1 MΩ or higher
      Q29-2 (ICR-) - Body ground Always 1 MΩ or higher

    NG
    OK
  9. CHECK CENTER AIRBAG SENSOR


    1. A00XEK9E37
      Text in Illustration
      *1 Curtain Shield Squib RH
      *2 Center Airbag Sensor

      Connect the connectors to the curtain shield airbag RH and center airbag sensor.

    2. Connect the cable to the negative (-) battery terminal, and wait for at least 2 seconds.

    3. Turn the ignition switch to ON, and wait for at least 60 seconds.

    4. Clear the DTCs Click here.

    5. Turn the ignition switch off.

    6. Turn the ignition switch to ON, and wait for at least 60 seconds.

    7. Check for DTCs Click here.

      OK
      DTC B1830, B1831, B1832 or B1833 is not output.

      Tech Tips

      Codes other than DTC B1830, B1831, B1832 and B1833 may be output at this time, but they are not related to this check.


    NG
    OK