AIRBAG SYSTEM, Diagnostic DTC:B1656/38

DTC Code DTC Name
B1656/38 Seat Belt Buckle Switch LH Circuit Malfunction

DESCRIPTION

The seat belt buckle switch LH circuit consists of the center airbag sensor and front seat inner belt LH.

DTC B1656/38 is stored when a malfunction is detected in the seat belt buckle switch LH circuit.

DTC Code DTC Detection Condition Trouble Area
B1656/38

One of the following conditions is met:


  • The center airbag sensor detects a line short circuit signal, open circuit signal, short circuit to ground signal or short circuit to B+ signal in the seat belt buckle switch LH circuit for 2 seconds.

  • A front seat inner belt LH malfunction.

  • A center airbag sensor malfunction.


  • No. 2 floor wire

  • Front seat inner belt assembly LH (Seat belt buckle switch LH)

  • Center airbag sensor assembly

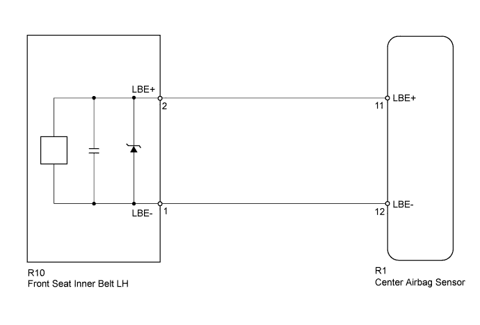
WIRING DIAGRAM

A00XJLWE07

INSPECTION PROCEDURE

Note


  • After turning the ignition switch off, waiting time may be required before disconnecting the cable from the battery terminal. Therefore, make sure to read the disconnecting the cable from the battery terminal notice before proceeding with work Click here.

  • When disconnecting the cable from the negative (-) battery terminal while performing repairs, some systems need to be initialized after the cable is reconnected Click here.

PROCEDURE


  1. CHECK FOR DTC


    1. Turn the ignition switch to ON.

    2. Clear the DTCs Click here.

    3. Turn the ignition switch off.

    4. Turn the ignition switch to ON, and wait for at least 60 seconds.

    5. Check for DTCs Click here.

      OK
      DTC B1656 is not output.

      Tech Tips

      Codes other than DTC B1656 may be output at this time, but they are not related to this check.


    NG
    OK
  2. CHECK CONNECTION OF CONNECTORS


    1. Turn the ignition switch off.

    2. Disconnect the cable from the negative (-) battery terminal, and wait for at least 90 seconds.

    3. Check that the connectors are properly connected to the center airbag sensor and front seat inner belt LH.

      OK
      The connectors are properly connected.

    NG
    OK
  3. CHECK CONNECTORS


    1. Disconnect the connectors from the center airbag sensor and front seat inner belt LH.

    2. A00XFDXE01
      Text in Illustration
      *1 Front Seat Inner Belt LH
      *2 Center Airbag Sensor

      Check that the connectors (on the center airbag sensor side and front seat inner belt LH side) are not damaged.

      OK
      The connectors are not deformed or damaged.

    NG
    OK
  4. CHECK NO. 2 FLOOR WIRE (CENTER AIRBAG SENSOR - FRONT SEAT INNER BELT LH)


    1. Connect the cable to the negative (-) battery terminal, and wait for at least 2 seconds.

      A00XDJNE10
      Text in Illustration
      *1 Front Seat Inner Belt LH *2 Center Airbag Sensor
      *3 No. 2 Floor Wire *4 Connector C
      *5 Connector B - -
      *a

      Front view of wire harness connector

      (to Front Seat Inner Belt LH)

      *b

      Rear view of wire harness connector

      (to Center Airbag Sensor)

    2. Measure the voltage according to the value(s) in the table below.

      Standard Voltage
      Tester Connection Switch Condition Specified Condition
      R10-2 (LBE+) - Body ground Ignition switch ON Below 1 V
      R10-1 (LBE-) - Body ground Ignition switch ON Below 1 V
    3. Turn the ignition switch off.

    4. Disconnect the cable from the negative (-) battery terminal, and wait for at least 90 seconds.

    5. Measure the resistance according to the value(s) in the table below.

      Standard Resistance
      Tester Connection Condition Specified Condition
      R10-2 (LBE+) - R1-11 (LBE+) Always Below 1 Ω
      R10-1 (LBE-) - R1-12 (LBE-) Always Below 1 Ω
      R10-2 (LBE+) - Body ground Always 1 MΩ or higher
      R10-1 (LBE-) - Body ground Always 1 MΩ or higher

    NG
    OK
  5. CHECK FRONT SEAT INNER BELT LH (SEAT BELT BUCKLE SWITCH)


    1. A00XI1DE01
      Text in Illustration
      *1 Front Seat Inner Belt LH
      *2 Center Airbag Sensor

      Connect the connectors to the center airbag sensor and front seat inner belt LH.

    2. Connect the cable to the negative (-) battery terminal, and wait for at least 2 seconds.

    3. Turn the ignition switch to ON, and wait for at least 60 seconds.

    4. Clear the DTCs Click here.

    5. Turn the ignition switch off.

    6. Turn the ignition switch to ON, and wait for at least 60 seconds.

    7. Check for DTCs Click here.

      OK
      DTC B1656 is not output.

      Tech Tips

      Codes other than DTC B1656 may be output at this time, but they are not related to this check.


    NG
    OK
  6. REPLACE FRONT SEAT INNER BELT ASSEMBLY LH


    1. Turn the ignition switch off.

    2. Disconnect the cable from the negative (-) battery terminal, and wait for at least 90 seconds.

    3. Replace the front seat inner belt LH Click here.

      Tech Tips

      Perform the inspection using parts from a normally functioning vehicle if possible.


    NEXT
  7. CHECK CENTER AIRBAG SENSOR


    1. A00XI1DE01
      Text in Illustration
      *1 Front Seat Inner Belt LH
      *2 Center Airbag Sensor

      Connect the cable to the negative (-) battery terminal, and wait for at least 2 seconds.

    2. Turn the ignition switch to ON, and wait for at least 60 seconds.

    3. Clear the DTCs Click here.

    4. Turn the ignition switch off.

    5. Turn the ignition switch to ON, and wait for at least 60 seconds.

    6. Check for DTCs Click here.

      OK
      DTC B1656 is not output.

      Tech Tips

      Codes other than DTC B1656 may be output at this time, but they are not related to this check.


    NG
    OK