AIRBAG SYSTEM, Diagnostic DTC:B1655/37

DTC Code DTC Name
B1655/37 Seat Belt Buckle Switch RH Circuit Malfunction

DESCRIPTION

The seat belt buckle switch RH circuit consists of the center airbag sensor and front seat inner belt RH.

DTC B1655/37 is stored when a malfunction is detected in the seat belt buckle switch RH circuit.

DTC Code DTC Detection Condition Trouble Area
B1655/37

One of the following conditions is met:


  • The center airbag sensor detects a line short circuit signal, open circuit signal, short circuit to ground signal or short circuit to B+ signal in the seat belt buckle switch RH circuit for 2 seconds.

  • A front seat inner belt RH malfunction.

  • A center airbag sensor malfunction.


  • Harness and connector

  • Front seat inner belt assembly RH (Seat belt buckle switch RH)

  • Center airbag sensor assembly

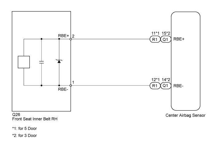
WIRING DIAGRAM

A0099CGE03

INSPECTION PROCEDURE

Note

When disconnecting the cable from the negative (-) battery terminal while performing repairs, some systems need to be initialized after the cable is reconnected Click here.

PROCEDURE


  1. CHECK FOR DTC


    1. Turn the ignition switch to ON.

    2. Clear the DTCs Click here.

    3. Turn the ignition switch off.

    4. Turn the ignition switch to ON, and wait for at least 60 seconds.

    5. Check for DTCs Click here.

      OK
      DTC B1655 is not output.

      Tech Tips

      Codes other than DTC B1655 may be output at this time, but they are not related to this check.


    NG
    OK
  2. CHECK CONNECTION OF CONNECTORS


    1. Turn the ignition switch off.

    2. Disconnect the cable from the negative (-) battery terminal, and wait for at least 90 seconds.

    3. Check that the connectors are properly connected to the center airbag sensor and front seat inner belt RH.

      OK
      The connectors are properly connected.
      Result
      Result Proceed to
      NG A
      OK (for 3 Door) B
      OK (for 5 Door) C

    A
    B
    C
  3. CHECK CONNECTORS


    1. Disconnect the connectors from the center airbag sensor and front seat inner belt RH.

    2. A0098MQE01
      Text in Illustration
      *1 Front Seat Inner Belt RH
      *2 Center Airbag Sensor

      Check that the connectors (on the center airbag sensor side and front seat inner belt RH side) are not damaged.

      OK
      The connectors are not deformed or damaged.

    NG
    OK
  4. CHECK HARNESS AND CONNECTOR (CENTER AIRBAG SENSOR - FRONT SEAT INNER BELT RH)


    1. Connect the cable to the negative (-) battery terminal, and wait for at least 2 seconds.

      A009AZPE12
      Text in Illustration
      *1 Front Seat Inner Belt RH *2 Center Airbag Sensor
      *3 Connector C *4 Connector B
      *a

      Front view of wire harness connector

      (to Front Seat Inner Belt RH)

      *b

      Rear view of wire harness connector

      (to Center Airbag Sensor)

    2. Measure the voltage according to the value(s) in the table below.

      Standard Voltage
      Tester Connection Switch Condition Specified Condition
      Q26-2 (RBE+) - Body ground Ignition switch ON Below 1 V
      Q26-1 (RBE-) - Body ground Ignition switch ON Below 1 V
    3. Turn the ignition switch off.

    4. Disconnect the cable from the negative (-) battery terminal, and wait for at least 90 seconds.

    5. Measure the resistance according to the value(s) in the table below.

      Standard Resistance
      Tester Connection Condition Specified Condition
      Q26-2 (RBE+) - R1-11 (RBE+) Always Below 1 Ω
      Q26-1 (RBE-) - R1-12 (RBE-) Always Below 1 Ω
      Q26-2 (RBE+) - Body ground Always 1 MΩ or higher
      Q26-1 (RBE-) - Body ground Always 1 MΩ or higher

    NG
    OK
  5. CHECK FRONT SEAT INNER BELT RH (SEAT BELT BUCKLE SWITCH)


    1. A009B71E01
      Text in Illustration
      *1 Front Seat Inner Belt RH
      *2 Center Airbag Sensor

      Connect the connectors to the center airbag sensor and front seat inner belt RH.

    2. Connect the cable to the negative (-) battery terminal, and wait for at least 2 seconds.

    3. Turn the ignition switch to ON, and wait for at least 60 seconds.

    4. Clear the DTCs Click here.

    5. Turn the ignition switch off.

    6. Turn the ignition switch to ON, and wait for at least 60 seconds.

    7. Check for DTCs Click here.

      OK
      DTC B1655 is not output.

      Tech Tips

      Codes other than DTC B1655 may be output at this time, but they are not related to this check.


    NG
    OK
  6. REPLACE FRONT SEAT INNER BELT ASSEMBLY RH


    1. Turn the ignition switch off.

    2. Disconnect the cable from the negative (-) battery terminal, and wait for at least 90 seconds.

    3. Replace the front seat inner belt RH Click here.

      Tech Tips

      Perform the inspection using parts from a normally functioning vehicle if possible.


    NEXT
  7. CHECK CENTER AIRBAG SENSOR


    1. A009B71E01
      Text in Illustration
      *1 Front Seat Inner Belt RH
      *2 Center Airbag Sensor

      Connect the cable to the negative (-) battery terminal, and wait for at least 2 seconds.

    2. Turn the ignition switch to ON, and wait for at least 60 seconds.

    3. Clear the DTCs Click here.

    4. Turn the ignition switch off.

    5. Turn the ignition switch to ON, and wait for at least 60 seconds.

    6. Check for DTCs Click here.

      OK
      DTC B1655 is not output.

      Tech Tips

      Codes other than DTC B1655 may be output at this time, but they are not related to this check.


    NG
    OK
  8. CHECK CONNECTORS


    1. Disconnect the connectors from the center airbag sensor and front seat inner belt RH.

    2. A0094BIE01
      Text in Illustration
      *1 Front Seat Inner Belt RH
      *2 Center Airbag Sensor

      Check that the connectors (on the center airbag sensor side and front seat inner belt RH side) are not damaged.

      OK
      The connectors are not deformed or damaged.

    NG
    OK
  9. CHECK HARNESS AND CONNECTOR (CENTER AIRBAG SENSOR - FRONT SEAT INNER BELT RH)


    1. Connect the cable to the negative (-) battery terminal, and wait for at least 2 seconds.

      A00947ME03
      Text in Illustration
      *1 Front Seat Inner Belt RH *2 Center Airbag Sensor
      *3 Connector C *4 Connector B
      *a

      Front view of wire harness connector

      (to Front Seat Inner Belt RH)

      *b

      Rear view of wire harness connector

      (to Center Airbag Sensor)

    2. Measure the voltage according to the value(s) in the table below.

      Standard Voltage
      Tester Connection Switch Condition Specified Condition
      Q26-2 (RBE+) - Body ground Ignition switch ON Below 1 V
      Q26-1 (RBE-) - Body ground Ignition switch ON Below 1 V
    3. Turn the ignition switch off.

    4. Disconnect the cable from the negative (-) battery terminal, and wait for at least 90 seconds.

    5. Measure the resistance according to the value(s) in the table below.

      Standard Resistance
      Tester Connection Condition Specified Condition
      Q26-2 (RBE+) - Q1-15 (RBE+) Always Below 1 Ω
      Q26-1 (RBE-) - Q1-14 (RBE-) Always Below 1 Ω
      Q26-2 (RBE+) - Body ground Always 1 MΩ or higher
      Q26-1 (RBE-) - Body ground Always 1 MΩ or higher

    NG
    OK
  10. CHECK FRONT SEAT INNER BELT RH (SEAT BELT BUCKLE SWITCH)


    1. A00994TE03
      Text in Illustration
      *1 Front Seat Inner Belt RH
      *2 Center Airbag Sensor

      Connect the connectors to the center airbag sensor and the front seat inner belt RH.

    2. Connect the cable to the negative (-) battery terminal, and wait for at least 2 seconds.

    3. Turn the ignition switch to ON, and wait for at least 60 seconds.

    4. Clear the DTCs Click here.

    5. Turn the ignition switch off.

    6. Turn the ignition switch to ON, and wait for at least 60 seconds.

    7. Check for DTCs Click here.

      OK
      DTC B1655 is not output.

      Tech Tips

      Codes other than DTC B1655 may be output at this time, but they are not related to this check.


    NG
    OK
  11. REPLACE FRONT SEAT INNER BELT ASSEMBLY RH


    1. Turn the ignition switch off.

    2. Disconnect the cable from the negative (-) battery terminal, and wait for at least 90 seconds.

    3. Replace the front seat inner belt RH Click here.

      Tech Tips

      Perform the inspection using parts from a normally functioning vehicle if possible.


    NEXT
  12. CHECK CENTER AIRBAG SENSOR


    1. A00994TE03
      Text in Illustration
      *1 Front Seat Inner Belt RH
      *2 Center Airbag Sensor

      Connect the cable to the negative (-) battery terminal, and wait for at least 2 seconds.

    2. Turn the ignition switch to ON, and wait for at least 60 seconds.

    3. Clear the DTCs Click here.

    4. Turn the ignition switch off.

    5. Turn the ignition switch to ON, and wait for at least 60 seconds.

    6. Check for DTCs Click here.

      OK
      DTC B1655 is not output.

      Tech Tips

      Codes other than DTC B1655 may be output at this time, but they are not related to this check.


    NG
    OK