SKID CONTROL BUZZER INSPECTION


  1. INSPECT SKID CONTROL BUZZER ASSEMBLY


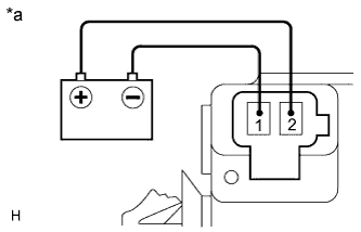
    1. A0097SSE01

      Apply battery voltage to the skid control buzzer and check that the buzzer sounds.

      OK
      Measurement Condition Specified Condition
      Battery positive (+) voltage → Terminal 2 Skid control buzzer sounds
      Battery negative (-) voltage → Terminal 1

      If the result is not as specified, replace the skid control buzzer assembly.