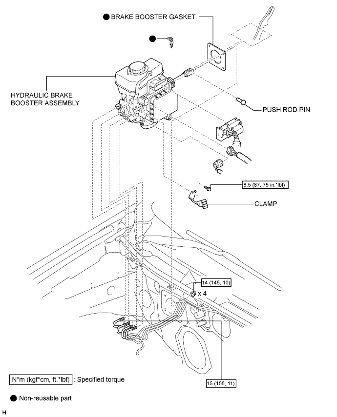
HYDRAULIC BRAKE BOOSTER (for RHD) COMPONENTS

ILLUSTRATION

A00K16UE01

ILLUSTRATION

A00JWQWE04

ILLUSTRATION

A00JWIEE01