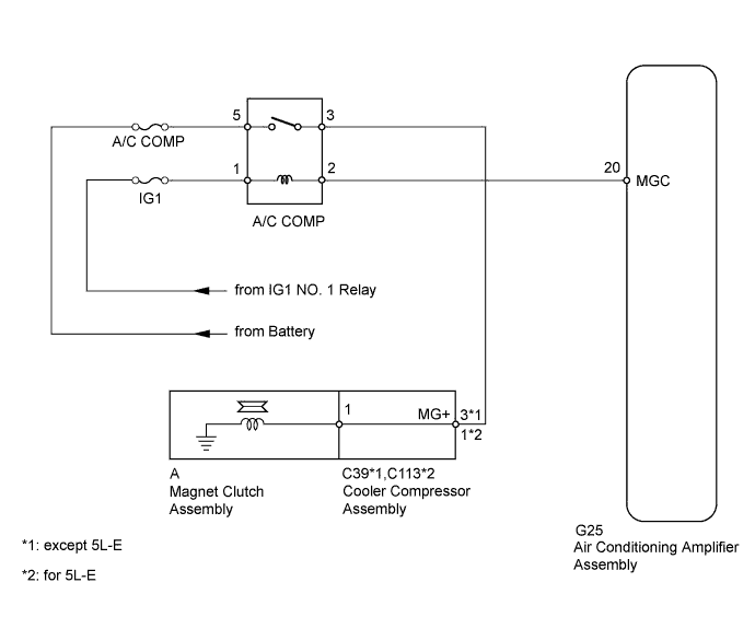
AIR CONDITIONING SYSTEM (for Manual Air Conditioning System) Air Conditioning Compressor Magnetic Clutch Circuit

DESCRIPTION

When the air conditioning amplifier assembly is turned on, a magnet clutch assembly ON signal is sent from the MGC terminal of the air conditioning amplifier assembly. Then, the A/C COMP relay turns on to operate the magnet clutch assembly.

WIRING DIAGRAM

A009B8OE02

INSPECTION PROCEDURE

Note

Inspect the fuses for circuits related to this system before performing the following inspection procedure.

PROCEDURE


  1. INSPECT MAGNET CLUTCH RELAY (A/C COMP)


    1. A0099HV

      Remove the A/C COMP relay from the engine room No. 1 relay block, junction block.

    2. Measure the resistance according to the value(s) in the table below.

      Standard Resistance
      Tester Connection Condition Specified Condition
      3 - 5 Battery voltage is not applied to terminals 1 and 2 10 kΩ or higher
      Battery voltage is applied to terminals 1 and 2 Below 1 Ω

    NG
    OK
  2. INSPECT COOLER COMPRESSOR ASSEMBLY


    1. except 5L-E:


      1. Remove the cooler compressor assembly (for 1GR-FE) Click here.

        A0099YZE05
      2. Remove the cooler compressor assembly (for 1KD-FTV) Click here.

      3. Remove the cooler compressor assembly (for 2TR-FE) Click here.

      4. Disconnect the A magnet clutch connector.

      5. Measure the resistance according to the value(s) in the table below.

        Standard Resistance
        Tester Connection Condition Specified Condition
        3 (MG+) - A-1 Always Below 1 Ω
        3 (MG+) - Body ground Always 10 kΩ or higher
    2. for 5L-E:


      1. Remove the cooler compressor assembly Click here.

        A009BW5E01
      2. Disconnect the A magnet clutch connector.

      3. Measure the resistance according to the value(s) in the table below.

        Standard Resistance
        Tester Connection Condition Specified Condition
        1 (MG+) - A-1 Always Below 1 Ω
        1 (MG+) - Body ground Always 10 kΩ or higher
        Result
        Result Proceed to
        OK A
        NG (for 1GR-FE) B
        NG (for 1KD-FTV) C
        NG (for 5L-E) D
        NG (for 2TR-FE) E

    B
    C
    D
    E
    A
  3. INSPECT MAGNET CLUTCH ASSEMBLY


    1. except 5L-E:


      1. Reconnect the A magnet clutch connector.

        A009BNYE01
      2. Apply battery voltage to the magnet clutch assembly and check the operation of the magnet clutch assembly.

        OK
        Measurement Condition Specified Condition

        Battery positive (+) → Terminal 3 (MG+)

        Battery negative (-) → Body ground

        Magnet clutch assembly operating sound can be heard, and magnetic clutch hub and rotor lock.
    2. for 5L-E:


      1. Reconnect the A magnet clutch connector.

        A0098Q6E01
      2. Apply battery voltage to the magnet clutch assembly and check the operation of the magnet clutch assembly.

        OK
        Measurement Condition Specified Condition

        Battery positive (+) → Terminal 1 (MG+)

        Battery negative (-) → Body ground

        Magnet clutch assembly operating sound can be heard, and magnetic clutch hub and rotor lock.
        Result
        Result Proceed to
        OK A
        NG (for 1GR-FE) B
        NG (for 1KD-FTV) C
        NG (for 5L-E) D
        NG (for 2TR-FE) E

    B
    C
    D
    E
    A
  4. CHECK HARNESS AND CONNECTOR (ENGINE ROOM NO. 1 RELAY BLOCK, JUNCTION BLOCK - BATTERY)


    1. A0098I2E01
      Text in Illustration
      *1 A/C COMP Relay
      *a

      Component without relay installed

      (Engine Room No. 1 Relay Block, Junction Block)

      Remove the A/C COMP relay from the engine room No. 1 relay block, junction block.

    2. Measure the voltage according to the value(s) in the table below.

      Standard Voltage
      Tester Connection Switch Condition Specified Condition
      A/C COMP relay terminal 1 - Body ground Ignition switch ON 11 to 14 V
      A/C COMP relay terminal 5 - Body ground Always 11 to 14 V

    NG
    OK
  5. CHECK HARNESS AND CONNECTOR (AIR CONDITIONING AMPLIFIER - BATTERY)


    1. A0099VNE90
      Text in Illustration
      *a

      Front view of wire harness connector

      (to Air Conditioning Amplifier Assembly)

      Disconnect the G25 amplifier connector.

    2. Measure the voltage according to the value(s) in the table below.

      Standard Voltage
      Tester Connection Switch Condition Specified Condition
      G25-20 (MGC) - Body ground Ignition switch off Below 1 V
      G25-20 (MGC) - Body ground Ignition switch ON 11 to 14 V

    NG
    OK
  6. CHECK HARNESS AND CONNECTOR (ENGINE ROOM NO. 1 RELAY BLOCK, JUNCTION BLOCK - COOLER COMPRESSOR)


    1. Remove the A/C COMP relay from the engine room No. 1 relay block, junction block.

    2. Disconnect the C39*1 or C113*2 compressor connector.


      • *1: except 5L-E

      • *2: for 5L-E

    3. Measure the resistance according to the value(s) in the table below.

      Standard Resistance
      except 5L-E
      Tester Connection Condition Specified Condition
      A/C COMP relay terminal 3 - C39-3 (MG+) Always Below 1 Ω
      C39-3 (MG+) - Body ground Always 10 kΩ or higher
      for 5L-E
      Tester Connection Condition Specified Condition
      A/C COMP relay terminal 3 - C113-1 (MG+) Always Below 1 Ω
      C113-1 (MG+) - Body ground Always 10 kΩ or higher

    NG
    OK