СИСТЕМА ОСВЕЩЕНИЯ Цепь переключателя освещения

ОПИСАНИЕ

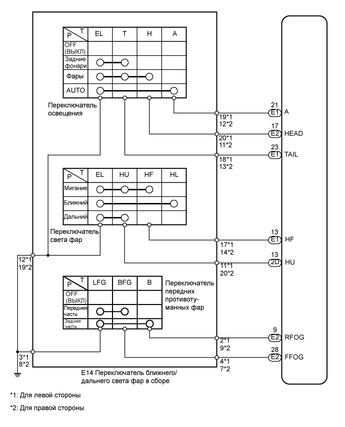
Главный ЭБУ кузова получает сигналы состояния переключателя освещения, переключателя света фар и переключателя передних противотуманных фар от переключателя ближнего/дальнего света фар.

СХЕМА СОЕДИНЕНИЙ

A0156R4E01

ПОСЛЕДОВАТЕЛЬНОСТЬ ПРОВЕРКИ

ПОРЯДОК ВЫПОЛНЕНИЯ


  1. СНИМИТЕ ПОКАЗАНИЯ ПОРТАТИВНОГО ДИАГНОСТИЧЕСКОГО ПРИБОРА (ПЕРЕКЛЮЧАТЕЛЬ СВЕТА ФАР)


    1. Действуя в соответствии с указаниями на дисплее портативного диагностического прибора, выберите режим "Data List".

      Кузов
      Информация на дисплее прибора Измеряемая величина / диапазон измерения Нормальное состояние Замечание по диагностике
      Dimmer SW Сигнал переключателя света фар / ON (ВКЛ) или OFF (ВЫКЛ)

      ON (ВКЛ): Переключатель света фар включен

      OFF (ВЫКЛ): Переключатель света фар выключен

      -
      Passing Light SW Сигнал переключателя ближнего света / ON (ВКЛ) или OFF (ВЫКЛ)

      ON (ВКЛ): Переключатель ближнего света фар включен

      OFF (ВЫКЛ): Выключатель ближнего света фар выключен

      -
      Front Fog Light SW Сигнал переключателя передних противотуманных фар / ON (ВКЛ) или OFF (ВЫКЛ)

      ON (ВКЛ): Переключатель передних противотуманных фар включен

      OFF (ВЫКЛ): Переключатель передних противотуманных фар выключен

      -
      Rear Fog Light SW Сигнал переключателя задних противотуманных фонарей / ON (ВКЛ) или OFF (ВЫКЛ)

      ON (ВКЛ): Переключатель задних противотуманных фонарей включен

      OFF (ВЫКЛ): Переключатель задних противотуманных фонарей выключен

      -
      Auto Light SW Сигнал переключателя автоматического освещения / ON (ВКЛ) или OFF (ВЫКЛ)

      ON (ВКЛ): Переключатель автоматического режима освещения включен

      OFF (ВЫКЛ): Переключатель автоматического режима освещения выключен

      -
      Head Light SW (Head) Сигнал переключателя освещения / ON (ВКЛ) или OFF (ВЫКЛ)

      ON (ВКЛ): Переключатель освещения (HEAD) включен

      OFF (ВЫКЛ): Переключатель освещения (HEAD) выключен

      -
      Head Light SW (Tail) Сигнал переключателя задних фонарей / ON (ВКЛ) или OFF (ВЫКЛ)

      ON (ВКЛ): Переключатель освещения (TAIL) включен

      OFF (ВЫКЛ): Переключатель освещения (TAIL) выключен

      -
      OK
      При управлении комбинированным переключателем освещения результаты соответствуют указанным выше.

    NG
    OK
  2. ПРОВЕРЬТЕ ПЕРЕКЛЮЧАТЕЛЬ СВЕТА ФАР В СБОРЕ


    1. A015CPQE03

      Снимите переключатель света фар (см. стр. Click here).

    2. Для левой стороны:


      1. Измерьте сопротивление в соответствии со значениями, приведенными в таблице ниже.

        Номинальное сопротивление
        Контакты для подключения диагностического прибора Положение выключателя Заданные условия
        18 (T) - 12 (EL) Переключатель освещения в положении TAIL Менее 1 Ом
        20 (H) - 12 (EL) Переключатель освещения в положении HEAD
        18 (T) - 12 (EL)
        19 (A) - 12 (EL) Переключатель освещения в положении AUTO
        4 (BFG) - 3 (LFG) Переключатель передних противотуманных фар включен
        2 (B) - 3 (LFG) Переключатель задних противотуманных фонарей включен
        17 (HF) - 12 (EL) Переключатель света фар в положении FLASH
        11 (HU) - 12 (EL) Переключатель света фар в положении дальнего света
    3. A015DMNE02

      Для правой стороны:


      1. Измерьте сопротивление в соответствии со значениями, приведенными в таблице ниже.

        Номинальное сопротивление
        Контакты для подключения диагностического прибора Условие Заданные условия
        13 (T) - 19 (EL) Переключатель освещения в положении TAIL Менее 1 Ом
        11 (H) - 19 (EL) Переключатель освещения в положении HEAD
        13 (T) - 19 (EL)
        12 (AUTO) - 19 (EL) Переключатель освещения в положении AUTO
        7 (BFG) - 8 (LFG) Переключатель передних противотуманных фар включен
        9 (B) - 8 (LFG) Переключатель задних противотуманных фонарей включен
        14 (HF) - 19 (EL) Переключатель света фар в положении FLASH
        20 (HU) - 19 (EL) Переключатель света фар в положении дальнего света

    NG
    OK
  3. ПРОВЕРЬТЕ ЖГУТ ПРОВОДОВ И РАЗЪЕМ (ПЕРЕКЛЮЧАТЕЛЬ БЛИЖНЕГО/ДАЛЬНЕГО СВЕТА ФАР – ГЛАВНЫЙ ЭБУ КУЗОВА И МАССА)


    1. Отсоедините разъем E14 переключателя.

    2. Для левой стороны:


      1. Отсоедините разъемы E1, E2 и 2D ЭБУ.

        A015D28E01
      2. Измерьте сопротивление в соответствии со значениями, приведенными в таблице ниже.

        Номинальное сопротивление
        Контакты для подключения диагностического прибора Условие Заданные условия
        E14-4 (BFG) - E2-28 (FFOG) Всегда Менее 1 Ом
        E14-2 (B) - E2-9 (RFGO)
        E14-19 (A) - E1-21 (A)
        E14-20 (H) - E2-17 (HEAD)
        E14-18 (T) - E1-23 (TAIL)
        E14-17 (HF) - E1-13 (HF)
        E14-11 (HU) - 2D-13 (HU)
        E14-12 (EL) - масса
        E14-3 (LFG) - масса
        E14-4 (BFG) - масса Всегда 10 кОм или более
        E14-2 (B) - масса
        E14-19 (A) - масса
        E14-20 (H) - масса
        E14-18 (T) - масса
        E14-17 (HF) - масса
        E14-11 (HU) - масса
    3. Для правой стороны:


      1. Отсоедините разъемы E1, E2 и 2D ЭБУ.

        A015D28E02
      2. Измерьте сопротивление в соответствии со значениями, приведенными в таблице ниже.

        Номинальное сопротивление
        Контакты для подключения диагностического прибора Условие Заданные условия
        E14-7 (BFG) - E2-28 (FFOG) Всегда Менее 1 Ом
        E14-9 (B) - E2-9 (RFOG)
        E14-12 (A) - E1-21 (A)
        E14-11 (H) - E2-17 (HEAD)
        E14-13 (T) - E1-23 (TAIL)
        E14-14 (HF) - E1-13 (HF)
        E14-20 (HU) - 2D-13 (HU)
        E14-19 (EL) - масса
        E14-8 (LFG) - масса
        E14-7 (BFG) - масса Всегда 10 кОм или более
        E14-9 (B) - масса
        E14-12 (A) - масса
        E14-11 (H) - масса
        E14-13 (T) - масса
        E14-14 (HF) - масса
        E14-20 (HU) - масса

    NG
    OK