Click here

ACTIVE HEIGHT CONTROL SUSPENSION, Diagnostic DTC:C1756

Click here
Click here Click here
DTC Code DTC Name
C1756 Suspension Control Relay Malfunction
Click here

DESCRIPTION

This relay is to supply the power source to the pump and motor. The relay stays on while the height control is operated.

DTC Code Detection Condition Trouble Area
C1756

When either of the following is detected:


  • With the suspension control relay not activated, an open signal of the suspension control relay is detected for 1 second or more.

  • With the suspension control relay activated, a short signal of the suspension control relay is detected 8 times successively.


  • Harness or connector

  • Suspension control relay

  • Suspension control ECU

Click here

WIRING DIAGRAM

Click here

INSPECTION PROCEDURE

Note:
  • Before performing troubleshooting, inspect the connectors of related circuits.

  • If the suspension control ECU or height control sensor is replaced, the vehicle height offset calibration must be performed (Click here).

Click here

PROCEDURE


  1. Click here

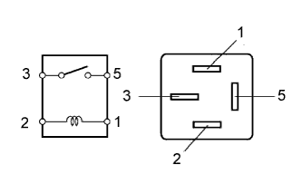
    INSPECT SUSPENSION CONTROL RELAY (AHC)


    1. Remove the suspension control relay from the engine room relay block.

    2. A0157T9E03

      Measure the resistance according to the value(s) in the table below.

      Standard Resistance
      Tester Connection Condition Specified Condition
      3 - 5 Battery voltage is not applied to terminal 1 and 2 10 kΩ or higher
      Battery voltage is applied to terminal 1 and 2 Below 1 Ω

  2. Click here

    CHECK HARNESS AND CONNECTOR (SUSPENSION CONTROL ECU - RELAY BLOCK AND BODY GROUND)


    1. Remove the suspension control relay from the engine room relay block.

    2. Disconnect the K36 ECU connector.

    3. Measure the resistance according to the value(s) in the table below.

      Standard Resistance
      Tester Connection Condition Specified Condition
      K36-16 (RC) - Relay block suspension control relay terminal 1 Always Below 1 Ω
      K36-16 (RC) - Body ground Always 10 kΩ or higher
      Relay block suspension control relay terminal 2 - Body ground Always Below 1 Ω

  3. Click here

    REPLACE SUSPENSION CONTROL ECUClick here

  4. Click here

    REPAIR OR REPLACE HARNESS AND CONNECTOR

  5. Click here

    REPLACE SUSPENSION CONTROL RELAY