SFI SYSTEM ECM Power Source Circuit

DESCRIPTION

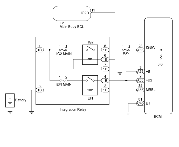
When the engine switch is turned on (IG), battery voltage is applied to the IGSW of the ECM. The output signal from the MREL terminal of the ECM causes a current to flow to the coil, closing the contacts of the integration relay (EFI) and supplying power to either terminal +B or +B2 of the ECM.

WIRING DIAGRAM

A01554SE09

INSPECTION PROCEDURE

Note

Inspect the fuses for circuits related to this system before performing the following inspection procedure.

PROCEDURE


  1. INSPECT INTEGRATION RELAY (INTEGRATION RELAY - BODY GROUND)

    A01587ME01

    1. Remove the integration relay from the engine room relay block.

    2. Measure the voltage according to the value(s) in the table below.

      Standard Voltage
      Tester Connection Condition Specified Condition
      1C-1 - Body ground Always 11 to 14 V

    NG
    OK
  2. INSPECT INTEGRATION RELAY (EFI AND IG2 RELAY)

    A015CB1E04

    1. Remove the integration relay from the engine room relay block.

    2. Measure the resistance according to the value(s) in the table below.

      Standard Resistance
      Tester Connection Condition Specified Condition
      1C-1 - 1B-4 Battery voltage is not applied to terminals 1B-2 and 1B-3 10 kΩ or higher
      Battery voltage is applied to terminals 1B-2 and 1B-3 Below 1 Ω
      1C-1 - 1B-8 Battery voltage is not applied to terminals 1B-7 and 1B-6 10 kΩ or higher
      Battery voltage is applied to terminals 1B-7 and 1B-6 Below 1 Ω

    NG
    OK
  3. CHECK HARNESS AND CONNECTOR (+B, +B2 AND MREL CIRCUIT)

    A015E7CE03

    1. Check the harness and the connectors between the integration relay and the ECM.


      1. Remove the integration relay from the engine room relay block.

      2. Disconnect the ECM connector.

      3. Measure the resistance according to the value(s) in the table below.

        Standard Resistance
        Tester Connection Condition Specified Condition
        A38-34 (MREL) - 1B-2 Always Below 1 Ω
        A38-3 (+B) - 1B-4 Always Below 1 Ω
        A38-2 (+B2) - 1B-4 Always Below 1 Ω
        A38-34 (MREL) or 1B-2 - Body ground Always 10 kΩ or higher
        A38-3 (+B) or 1B-4 - Body ground Always 10 kΩ or higher
        A38-2 (+B2) or 1B-4 - Body ground Always 10 kΩ or higher
    2. Check the harness and connectors between the integration relay and body ground.


      1. Measure the resistance according to the value(s) in the table below.

        Standard Resistance
        Tester Connection Condition Specified Condition
        1B-3 - Body ground Always Below 1 Ω

    NG
    OK
  4. CHECK HARNESS AND CONNECTOR (ECM - BODY GROUND)

    A015DOPE02

    1. Disconnect the ECM connector.

    2. Measure the resistance according to the value(s) in the table below.

      Standard Resistance
      Tester Connection Condition Specified Condition
      C45-81 (E1) - Body ground Always Below 1 Ω

    NG
    OK
  5. INSPECT ECM (IGSW VOLTAGE)

    A015C0EE16

    1. Disconnect the ECM connectors.

    2. Measure the voltage according to the value(s) in the table below.

      Standard Voltage
      Tester Connection Switch Condition Specified Condition
      A38-28 (IGSW) - C45-81 (E1) Engine switch on (IG) 11 to 14 V

    NG
    OK
  6. CHECK HARNESS AND CONNECTOR (INTEGRATION RELAY - ECM, INTEGRATION RELAY - BODY GROUND)

    A015E7CE04

    1. Remove the integration relay from the engine room relay block.

    2. Disconnect the ECM connector.

    3. Measure the resistance according to the value(s) in the table below.

      Standard Resistance
      Tester Connection Condition Specified Condition
      1B-8 - A38-28 (IGSW) Always Below 1 Ω
      1B-8 or A38-28 (IGSW) - Body ground Always 10 kΩ or higher

    NG
    OK
  7. CHECK HARNESS AND CONNECTOR (MAIN BODY ECU - ENGINE ROOM RELAY BLOCK)

    A015AMCE02

    1. Remove the integration relay from the engine room relay block.

    2. Disconnect the E2 main body ECU connector.

    3. Measure the resistance according to the value(s) in the table below.

      Standard Resistance
      Tester Connection Condition Specified Condition
      E2-11 (IG2D) - 1B-6 Always Below 1 Ω
      E2-11 (IG2D) or 1B-6 - Body ground Always 10 kΩ or higher

    NG
    OK
  8. CHECK ENTRY AND START SYSTEM (POWER SOURCE MODE DOES NOT CHANGE)


    1. Check the entry and start system Click here.


    NG
    OK