СИСТЕМА СТЕКЛООЧИСТИТЕЛЕЙ И СТЕКЛООМЫВАТЕЛЕЙ Цепь переключателя стеклоочистителя и стеклоомывателя
ОПИСАНИЕ
Цепь определяет состояние переключателя стеклоочистителя ветрового стекла (переключателя переднего стеклоочистителя и выключателя переднего стеклоомывателя) и направляет соответствующий сигнал на реле стеклоочистителя ветрового стекла.
СХЕМА ЭЛЕКТРИЧЕСКИХ СОЕДИНЕНИЙ
ПОСЛЕДОВАТЕЛЬНОСТЬ ПРОВЕРКИ
Note
Перед выполнением следующей процедуры проверки проверьте предохранители цепей, относящихся к данной системе.
ПОРЯДОК ВЫПОЛНЕНИЯ
-
ПРОВЕРЬТЕ ПЕРЕКЛЮЧАТЕЛЬ СТЕКЛООЧИСТИТЕЛЯ ВЕТРОВОГО СТЕКЛА В СБОРЕ
-
Обозначения на рисунке
| *1 |
Переключатель стеклоочистителя ветрового стекла в сборе (положение регулировочного рычага) |
| *a |
Устройство с неподсоединенным жгутом проводов (переключатель стеклоочистителя ветрового стекла в сборе) |
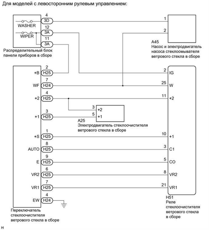
Для моделей с левосторонним рулевым управлением:
-
Снимите переключатель стеклоочистителя ветрового стекла в сборе (см. стр. Click here).
-
Измерьте сопротивление в соответствии со значениями, приведенными в таблице ниже.
| Номинальное сопротивление |
Переключатель переднего стеклоочистителя
| Подключение диагностического прибора |
Условие |
Заданные условия |
| H25-3 (+1) - H25-1 (+S) |
OFF (ВЫКЛ) |
Менее 1 Ом |
| AUTO |
| H25-3 (+1) - H25-2 (+B) |
MIST |
| LO |
| H25-2 (+B) - H25-4 (+2) |
HI |
| H25-8 (AUTO) - H25-9 (E) |
AUTO |
|
Выключатель переднего стеклоомывателя
| Подключение диагностического прибора |
Условие |
Заданные условия |
| H24-4 (EW) - H24-7 (WF) |
ON (ВКЛ) |
Менее 1 Ом |
| OFF (ВЫКЛ) |
10 кОм или более |
|
Рычаг регулировки*
| Подключение диагностического прибора |
Условие |
Заданные условия |
| H25-7 (VR1) - H25-6 (VR2) |
P1 |
209 - 231 Ом |
| P2 |
114 - 126 Ом |
| P3 |
58,9 - 65,1 Ом |
| P4 |
Менее 1 Ом |
|
Tech Tips
*: Чувствительность датчика дождя регулируется с помощью регулировочного рычага переключателя стеклоочистителя ветрового стекла.
-
Обозначения на рисунке
| *1 |
Переключатель стеклоочистителя ветрового стекла в сборе (положение регулировочного рычага) |
| *a |
Устройство с неподсоединенным жгутом проводов (переключатель стеклоочистителя ветрового стекла в сборе) |
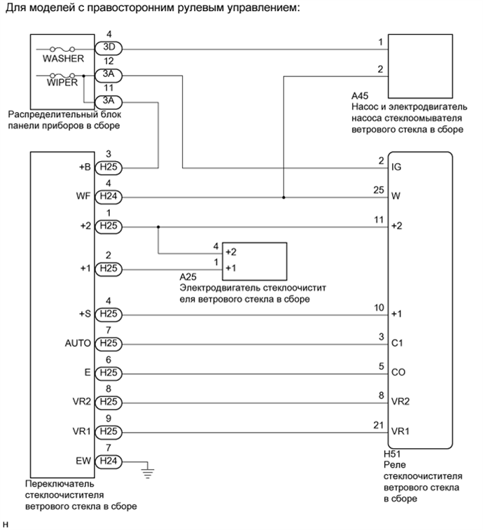
Для моделей с правосторонним рулевым управлением:
-
Снимите переключатель стеклоочистителя ветрового стекла в сборе (см. стр. Click here).
-
Измерьте сопротивление в соответствии со значениями, приведенными в таблице ниже.
| Номинальное сопротивление |
Переключатель переднего стеклоочистителя
| Подключение диагностического прибора |
Условие |
Заданные условия |
| H25-2 (+1) - H25-4 (+S) |
OFF (ВЫКЛ) |
Менее 1 Ом |
| AUTO |
| H25-2 (+1) - H25-3 (+B) |
MIST |
| LO |
| H25-3 (+B) - H25-1 (+2) |
HI |
| H25-7 (AUTO) - H25-6 (E) |
AUTO |
|
Выключатель переднего стеклоомывателя
| Подключение диагностического прибора |
Условие |
Заданные условия |
| H24-7 (EW) - H24-4 (WF) |
ON (ВКЛ) |
Менее 1 Ом |
| OFF (ВЫКЛ) |
10 кОм или более |
|
Рычаг регулировки*
| Подключение диагностического прибора |
Условие |
Заданные условия |
| H25-9 (VR1) - H25-8 (VR2) |
P1 |
209 - 231 Ом |
| P2 |
114 - 126 Ом |
| P3 |
58,9 - 65,1 Ом |
| P4 |
Менее 1 Ом |
|
Tech Tips
*: Чувствительность датчика дождя регулируется с помощью регулировочного рычага переключателя стеклоочистителя ветрового стекла.
| NG |
|
ЗАМЕНИТЕ ПЕРЕКЛЮЧАТЕЛЬ СТЕКЛООЧИСТИТЕЛЯ ВЕТРОВОГО СТЕКЛА В СБОРЕ Click here
|
| OK |
|
-
ПРОВЕРЬТЕ ЖГУТ ПРОВОДОВ И РАЗЪЕМ (ПЕРЕКЛЮЧАТЕЛЬ СТЕКЛООЧИСТИТЕЛЯ ВЕТРОВОГО СТЕКЛА - РЕЛЕ СТЕКЛООЧИСТИТЕЛЯ ВЕТРОВОГО СТЕКЛА И МАССА)
-
Отсоедините разъем H51 реле стеклоочистителя ветрового стекла в сборе.
-
Отсоедините разъем А25 электродвигателя стеклоочистителя ветрового стекла.
-
Отсоедините разъем A45 насоса и электродвигателя насоса стеклоомывателя ветрового стекла в сборе.
-
Отсоедините разъем 3D распределительного блока панели приборов.
-
Отсоедините разъем 3A распределительного блока панели приборов.
-
Измерьте сопротивление в соответствии со значениями, приведенными в таблице ниже.
| Номинальное сопротивление |
Для моделей с левосторонним рулевым управлением
| Подключение диагностического прибора |
Условие |
Заданные условия |
| H24-4 (EW) - масса |
Всегда |
Менее 1 Ом |
| H24-7 (WF) - H51-25 (W) |
Всегда |
Менее 1 Ом |
| H24-7 (WF) - A45-2 |
Всегда |
Менее 1 Ом |
| H24-7 (WF) - масса |
Всегда |
10 кОм или более |
| H25-1 (+S) - H51-10 (+1) |
Всегда |
Менее 1 Ом |
| H25-1 (+S) - масса |
Всегда |
10 кОм или более |
| H25-2 (+B) - 3A-11 |
Всегда |
Менее 1 Ом |
| H25-2 (+B) - масса |
Всегда |
10 кОм или более |
| H25-3 (+1) - A25-5 (+1) |
Всегда |
Менее 1 Ом |
| H25-3 (+1) - масса |
Всегда |
10 кОм или более |
| H25-4 (+2) - H51-11 (+2) |
Всегда |
Менее 1 Ом |
| H25-4 (+2) - A25-3 (+2) |
Всегда |
Менее 1 Ом |
| H25-4 (+2) - масса |
Всегда |
10 кОм или более |
| H25-6 (VR2) - H51-8 (VR2) |
Всегда |
Менее 1 Ом |
| H25-6 (VR2) - масса |
Всегда |
10 кОм или более |
| H25-7 (VR1) - H51-21 (VR1) |
Всегда |
Менее 1 Ом |
| H25-7 (VR1) - масса |
Всегда |
10 кОм или более |
| H25-8 (AUTO) - H51-3 (C1) |
Всегда |
Менее 1 Ом |
| H25-8 (AUTO) - масса |
Всегда |
10 кОм или более |
| H25-9 (E) - H51-5 (CO) |
Всегда |
Менее 1 Ом |
| H25-9 (E) - масса |
Всегда |
10 кОм или более |
| A45-1 - 3D-4 |
Всегда |
Менее 1 Ом |
| A45-1 - масса |
Всегда |
10 кОм или более |
|
Для моделей с правосторонним рулевым управлением
| Подключение диагностического прибора |
Условие |
Заданные условия |
| H24-7 (EW) - масса |
Всегда |
Менее 1 Ом |
| H24-4 (WF) - H51-25 (W) |
Всегда |
Менее 1 Ом |
| H24-4 (WF) - A45-2 |
Всегда |
Менее 1 Ом |
| H24-4 (WF) - масса |
Всегда |
10 кОм или более |
| H25-4 (+S) - H51-10 (+1) |
Всегда |
Менее 1 Ом |
| H25-4 (+S) - масса |
Всегда |
10 кОм или более |
| H25-3 (+B) - 3A-11 |
Всегда |
Менее 1 Ом |
| H25-3 (+B) - масса |
Всегда |
10 кОм или более |
| H25-2 (+1) - A25-1 (+1) |
Всегда |
Менее 1 Ом |
| H25-2 (+1) - масса |
Всегда |
10 кОм или более |
| H25-1 (+2) - H51-11 (+2) |
Всегда |
Менее 1 Ом |
| H25-1 (+2) - A25-4 (+2) |
Всегда |
Менее 1 Ом |
| H25-1 (+2) - масса |
Всегда |
10 кОм или более |
| H25-8 (VR2) - H51-8 (VR2) |
Всегда |
Менее 1 Ом |
| H25-8 (VR2) - масса |
Всегда |
10 кОм или более |
| H25-9 (VR1) - H51-21 (VR1) |
Всегда |
Менее 1 Ом |
| H25-9 (VR1) - масса |
Всегда |
10 кОм или более |
| H25-7 (AUTO) - H51-3 (C1) |
Всегда |
Менее 1 Ом |
| H25-7 (AUTO) - масса |
Всегда |
10 кОм или более |
| H25-6 (E) - H51-5 (CO) |
Всегда |
Менее 1 Ом |
| H25-6 (E) - масса |
Всегда |
10 кОм или более |
| A45-1 - 3D-4 |
Всегда |
Менее 1 Ом |
| A45-1 - масса |
Всегда |
10 кОм или более |
|
| NG |
|
ОТРЕМОНТИРУЙТЕ ИЛИ ЗАМЕНИТЕ ЖГУТ ПРОВОДОВ ИЛИ РАЗЪЕМ
|
| OK |
|
ПЕРЕЙДИТЕ К СЛЕДУЮЩЕМУ ПРЕДПОЛАГАЕМОМУ УЧАСТКУ, УКАЗАННОМУ В ТАБЛИЦЕ ПРИЗНАКОВ НЕИСПРАВНОСТЕЙ Click here