СИСТЕМА СТЕКЛООЧИСТИТЕЛЕЙ И СТЕКЛООМЫВАТЕЛЕЙ Цепь переключателя стеклоочистителя и стеклоомывателя

ОПИСАНИЕ

Цепь определяет состояние переключателя стеклоочистителя ветрового стекла (переключателя переднего стеклоочистителя и выключателя переднего стеклоомывателя) и направляет соответствующий сигнал на реле стеклоочистителя ветрового стекла.

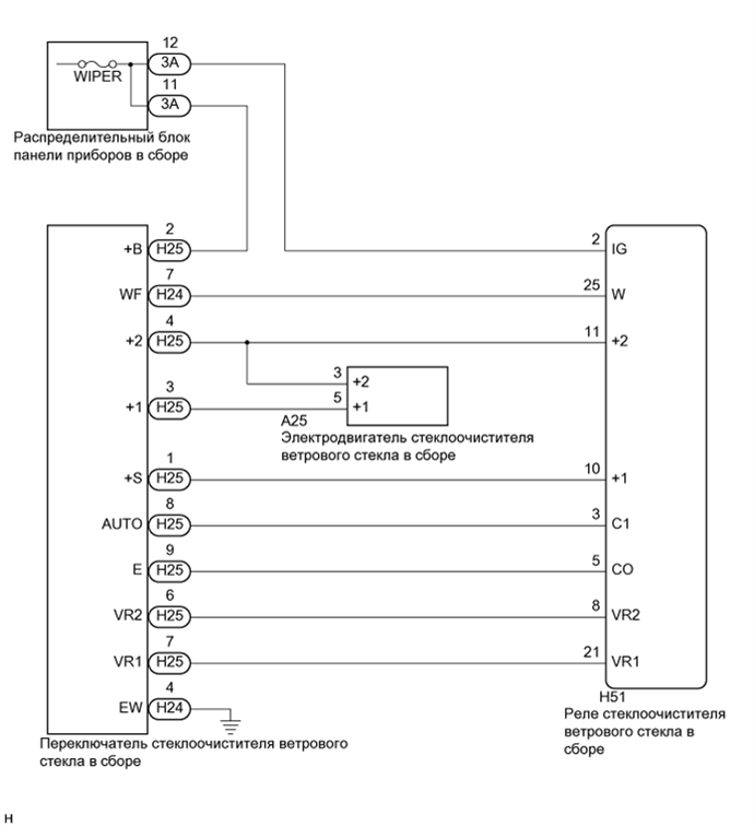
СХЕМА ЭЛЕКТРИЧЕСКИХ СОЕДИНЕНИЙ

A01G62PE01

ПОСЛЕДОВАТЕЛЬНОСТЬ ПРОВЕРКИ

Note

Перед выполнением следующей процедуры проверки проверьте предохранители цепей, относящихся к данной системе.

ПОРЯДОК ВЫПОЛНЕНИЯ


  1. ПРОВЕРЬТЕ ПЕРЕКЛЮЧАТЕЛЬ СТЕКЛООЧИСТИТЕЛЯ ВЕТРОВОГО СТЕКЛА В СБОРЕ


    1. A01G9BVE01
      Обозначения на рисунке
      *1 Переключатель стеклоочистителя ветрового стекла в сборе (положение регулировочного рычага)
      *a

      Устройство с неподсоединенным жгутом проводов

      (переключатель стеклоочистителя ветрового стекла в сборе)

      Снимите переключатель стеклоочистителя ветрового стекла в сборе (см. стр. Click here).

    2. Измерьте сопротивление в соответствии со значениями, приведенными в таблице ниже.

      Номинальное сопротивление
      Переключатель переднего стеклоочистителя
      Подключение диагностического прибора Условие Заданные условия
      H25-3 (+1) - H25-1 (+S) OFF (ВЫКЛ) Менее 1 Ом
      AUTO
      H25-3 (+1) - H25-2 (+B) MIST
      LO
      H25-2 (+B) - H25-4 (+2) HI
      H25-8 (AUTO) - H25-9 (E) AUTO
      Выключатель переднего стеклоомывателя
      Подключение диагностического прибора Условие Заданные условия
      H24-4 (EW) - H24-7 (WF) ON (ВКЛ) Менее 1 Ом
      OFF (ВЫКЛ) 10 кОм или более
      Рычаг регулировки*
      Подключение диагностического прибора Условие Заданные условия
      H25-7 (VR1) - H25-6 (VR2) P1 209 - 231 Ом
      P2 114 - 126 Ом
      P3 58,9 - 65,1 Ом
      P4 Менее 1 Ом

      Tech Tips

      *: Чувствительность датчика дождя регулируется с помощью регулировочного рычага переключателя стеклоочистителя ветрового стекла.


    NG
    OK
  2. ПРОВЕРЬТЕ ЖГУТ ПРОВОДОВ И РАЗЪЕМ (ПЕРЕКЛЮЧАТЕЛЬ СТЕКЛООЧИСТИТЕЛЯ ВЕТРОВОГО СТЕКЛА - РЕЛЕ СТЕКЛООЧИСТИТЕЛЯ ВЕТРОВОГО СТЕКЛА И МАССА)


    1. Отсоедините разъем H51 реле стеклоочистителя ветрового стекла в сборе.

    2. Отсоедините разъем А25 электродвигателя стеклоочистителя ветрового стекла.

    3. Отсоедините разъем 3A распределительного блока панели приборов.

    4. Измерьте сопротивление в соответствии со значениями, приведенными в таблице ниже.

      Номинальное сопротивление
      Подключение диагностического прибора Условие Заданные условия
      H24-4 (EW) - масса Всегда Менее 1 Ом
      H24-7 (WF) - H51-25 (W) Всегда Менее 1 Ом
      H24-7 (WF) - масса Всегда 10 кОм или более
      H25-1 (+S) - H51-10 (+1) Всегда Менее 1 Ом
      H25-1 (+S) - масса Всегда 10 кОм или более
      H25-2 (+B) - 3A-11 Всегда Менее 1 Ом
      H25-2 (+B) - масса Всегда 10 кОм или более
      H25-3 (+1) - A25-5 (+1) Всегда Менее 1 Ом
      H25-3 (+1) - масса Всегда 10 кОм или более
      H25-4 (+2) - H51-11 (+2) Всегда Менее 1 Ом
      H25-4 (+2) - A25-3 (+2) Всегда Менее 1 Ом
      H25-4 (+2) - масса Всегда 10 кОм или более
      H25-6 (VR2) - H51-8 (VR2) Всегда Менее 1 Ом
      H25-6 (VR2) - масса Всегда 10 кОм или более
      H25-7 (VR1) - H51-21 (VR1) Всегда Менее 1 Ом
      H25-7 (VR1) - масса Всегда 10 кОм или более
      H25-8 (AUTO) - H51-3 (C1) Всегда Менее 1 Ом
      H25-8 (AUTO) - масса Всегда 10 кОм или более
      H25-9 (E) - H51-5 (CO) Всегда Менее 1 Ом
      H25-9 (E) - масса Всегда 10 кОм или более

    NG
    OK