| Блок управления системой кондиционирования в сборе |
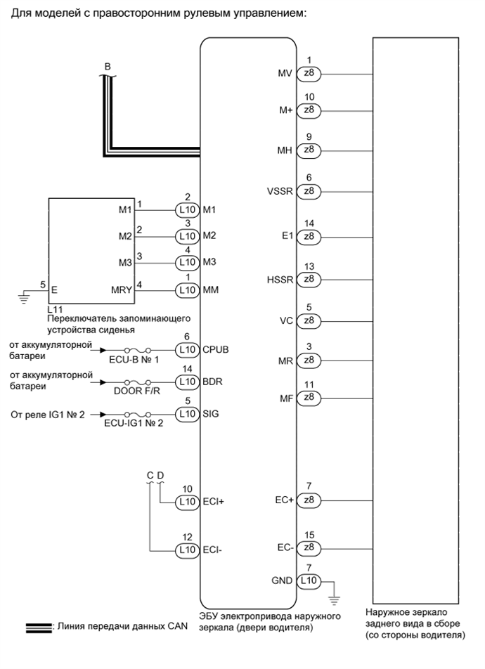
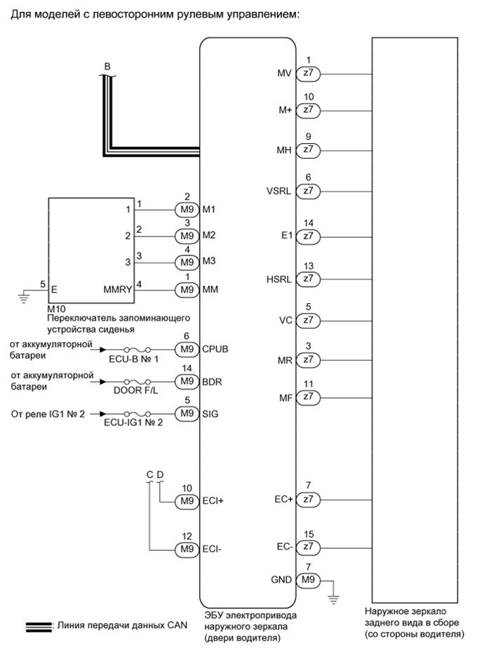
ЭБУ электропривода наружного зеркала в сборе (со стороны водителя) |
Сигнал запроса управления обогревателем зеркала / Команда включения или команда выключения |
CAN |
| Блок управления системой кондиционирования в сборе |
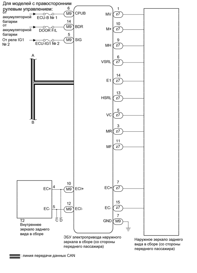
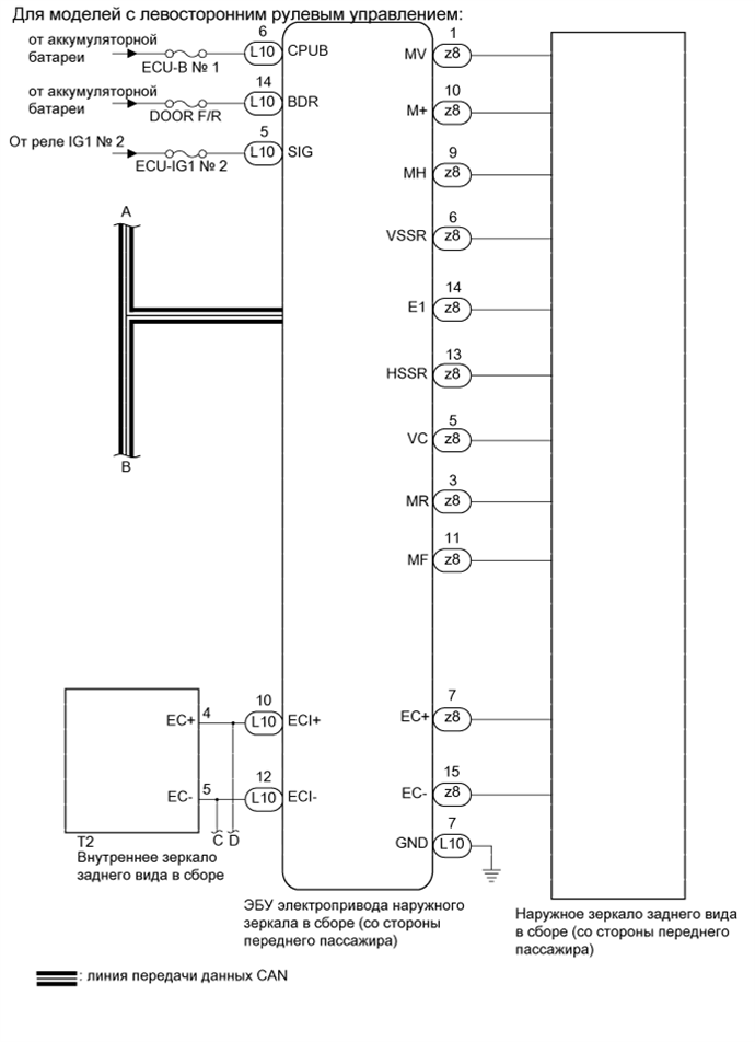
ЭБУ электропривода наружного зеркала в сборе (со стороны переднего пассажира) |
Сигнал запроса управления обогревателем зеркала / Команда включения или команда выключения |
CAN |
| Главный ЭБУ кузова (бортовой ЭБУ сети мультиплексной связи) |
ЭБУ электропривода наружного зеркала в сборе (со стороны водителя) |
Сигнал выключателя зажигания / ON (ВКЛ) (IG) или OFF (ВЫКЛ) |
CAN |
| Главный ЭБУ кузова (бортовой ЭБУ сети мультиплексной связи) |
ЭБУ электропривода наружного зеркала в сборе (со стороны переднего пассажира) |
Сигнал выключателя зажигания / ON (ВКЛ) (IG) или OFF (ВЫКЛ) |
CAN |
| Главный ЭБУ кузова (бортовой ЭБУ сети мультиплексной связи) |
ЭБУ электропривода наружного зеркала в сборе (со стороны водителя) |
Сигнал выключателя зажигания (ACC) / ON (ВКЛ) (ACC) или OFF (ВЫКЛ) |
CAN |
| Главный ЭБУ кузова (бортовой ЭБУ сети мультиплексной связи) |
ЭБУ электропривода наружного зеркала в сборе (со стороны переднего пассажира) |
Сигнал выключателя зажигания (ACC) / ON (ВКЛ) (ACC) или OFF (ВЫКЛ) |
CAN |
| Главный ЭБУ кузова (бортовой ЭБУ сети мультиплексной связи) |
ЭБУ электропривода наружного зеркала в сборе (со стороны водителя) |
Сигнал переключателя выбора правого наружного зеркала / ON (ВКЛ) или OFF (ВЫКЛ) |
CAN |
| Главный ЭБУ кузова (бортовой ЭБУ сети мультиплексной связи) |
ЭБУ электропривода наружного зеркала в сборе (со стороны переднего пассажира) |
Сигнал переключателя выбора правого наружного зеркала / ON (ВКЛ) или OFF (ВЫКЛ) |
CAN |
| Главный ЭБУ кузова (бортовой ЭБУ сети мультиплексной связи) |
ЭБУ электропривода наружного зеркала в сборе (со стороны водителя) |
Сигнал переключателя выбора левого наружного зеркала / ON (ВКЛ) или OFF (ВЫКЛ) |
CAN |
| Главный ЭБУ кузова (бортовой ЭБУ сети мультиплексной связи) |
ЭБУ электропривода наружного зеркала в сборе (со стороны переднего пассажира) |
Сигнал переключателя выбора левого наружного зеркала / ON (ВКЛ) или OFF (ВЫКЛ) |
CAN |
| Главный ЭБУ кузова (бортовой ЭБУ сети мультиплексной связи) |
ЭБУ электропривода наружного зеркала в сборе (со стороны водителя) |
Сигнал переключателя регулировки зеркала (вправо) / ON (ВКЛ) или OFF (ВЫКЛ) |
CAN |
| Главный ЭБУ кузова (бортовой ЭБУ сети мультиплексной связи) |
ЭБУ электропривода наружного зеркала в сборе (со стороны переднего пассажира) |
Сигнал переключателя регулировки зеркала (вправо) / ON (ВКЛ) или OFF (ВЫКЛ) |
CAN |
| Главный ЭБУ кузова (бортовой ЭБУ сети мультиплексной связи) |
ЭБУ электропривода наружного зеркала в сборе (со стороны водителя) |
Сигнал переключателя регулировки зеркала (влево) / ON (ВКЛ) или OFF (ВЫКЛ) |
CAN |
| Главный ЭБУ кузова (бортовой ЭБУ сети мультиплексной связи) |
ЭБУ электропривода наружного зеркала в сборе (со стороны переднего пассажира) |
Сигнал переключателя регулировки зеркала (влево) / ON (ВКЛ) или OFF (ВЫКЛ) |
CAN |
| Главный ЭБУ кузова (бортовой ЭБУ сети мультиплексной связи) |
ЭБУ электропривода наружного зеркала в сборе (со стороны водителя) |
Сигнал переключателя регулировки зеркала (вверх) / ON (ВКЛ) или OFF (ВЫКЛ) |
CAN |
| Главный ЭБУ кузова (бортовой ЭБУ сети мультиплексной связи) |
ЭБУ электропривода наружного зеркала в сборе (со стороны переднего пассажира) |
Сигнал переключателя регулировки зеркала (вверх) / ON (ВКЛ) или OFF (ВЫКЛ) |
CAN |
| Главный ЭБУ кузова (бортовой ЭБУ сети мультиплексной связи) |
ЭБУ электропривода наружного зеркала в сборе (со стороны водителя) |
Сигнал переключателя регулировки зеркала (вниз) / ON (ВКЛ) или OFF (ВЫКЛ) |
CAN |
| Главный ЭБУ кузова (бортовой ЭБУ сети мультиплексной связи) |
ЭБУ электропривода наружного зеркала в сборе (со стороны переднего пассажира) |
Сигнал переключателя регулировки зеркала (вниз) / ON (ВКЛ) или OFF (ВЫКЛ) |
CAN |
| Главный ЭБУ кузова (бортовой ЭБУ сети мультиплексной связи) |
ЭБУ электропривода наружного зеркала в сборе (со стороны водителя) |
Сигнал запроса положения зеркала / запрос сохранения в памяти, запрос сохранения настроек для заднего хода, запрос вызова из памяти, запрос сохраненных настроек для заднего хода или запрос сохраненных настроек для возврата зеркала |
CAN |
| Главный ЭБУ кузова (бортовой ЭБУ сети мультиплексной связи) |
ЭБУ электропривода наружного зеркала в сборе (со стороны переднего пассажира) |
Сигнал запроса положения зеркала / запрос сохранения в памяти, запрос сохранения настроек для заднего хода, запрос вызова из памяти, запрос сохраненных настроек для заднего хода или запрос сохраненных настроек для возврата зеркала |
CAN |
| ЭБУ электропривода наружного зеркала в сборе (со стороны водителя) |
Главный ЭБУ кузова (бортовой ЭБУ сети мультиплексной связи) |
Сигнал состояния левого наружного зеркала / управление в ручном режиме, управление по данным в памяти, управление при включении заднего хода или управление возвратом |
CAN |
| ЭБУ электропривода наружного зеркала в сборе (со стороны переднего пассажира) |
Главный ЭБУ кузова (бортовой ЭБУ сети мультиплексной связи) |
Сигнал состояния правого наружного зеркала / управление в ручном режиме, управление по данным в памяти, управление при включении заднего хода или управление возвратом |
CAN |
| ЭБУ электропривода наружного зеркала в сборе (со стороны водителя) |
Главный ЭБУ кузова (бортовой ЭБУ сети мультиплексной связи) |
Сигнал переключателя запоминающего устройства сиденья / (переключатели M1, M2, M3 или SET) |
CAN |