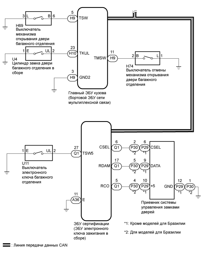
СИСТЕМА ДВЕРИ БАГАЖНОГО ОТДЕЛЕНИЯ С ЭЛЕКТРОПРИВОДОМ СХЕМА СИСТЕМЫ

A01G838E01
A01G9GNE02
Таблица обмена данными
Передатчик Приемник Сигнал Линия
Главный ЭБУ кузова (бортовой ЭБУ сети мультиплексной связи) Электродвигатель доводчика двери багажного отделения
  • Сигнал выключателя отмены открывания двери багажного отделения

  • Сигнал выключателя механизма открывания двери багажного отделения в сборе

  • Сигнал цилиндра замка двери багажного отделения в сборе

CAN
ЭБУ сертификации (ЭБУ электронного ключа зажигания в сборе) Электродвигатель доводчика двери багажного отделения Дистанционный сигнал выключателя механизма открывания двери багажного отделения CAN
ECM Электродвигатель доводчика двери багажного отделения Сигнал датчика положения рычага переключения передач CAN
Щиток приборов в сборе Электродвигатель доводчика двери багажного отделения Сигнал скорости автомобиля CAN