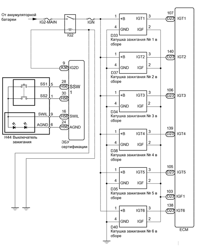
СИСТЕМА ЗАЖИГАНИЯ СХЕМА СИСТЕМЫ

A01G4YNE02