СИСТЕМА ПЕРЕДНИХ СИДЕНИЙ С ЭЛЕКТРОПРИВОДОМ (для моделей с запоминающим устройством) СХЕМА СИСТЕМЫ


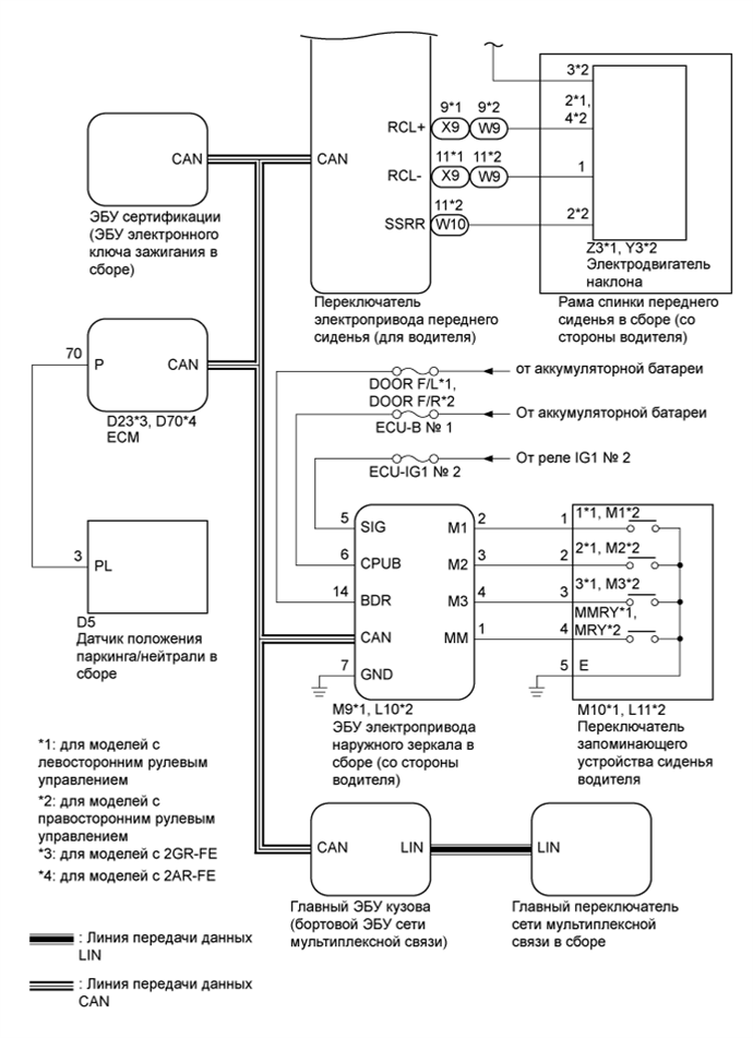
  1. СО СТОРОНЫ ВОДИТЕЛЯ

    A01G801E01
    A01G6PQE01
    A01G6ITE06
    Таблица обмена данными
    Передатчик Приемник Сигнал Линия
    ECM Главный ЭБУ кузова (бортовой ЭБУ сети мультиплексной связи)
    • Данные трансмиссии

    • Сигнал состояния парковки (P)

    CAN
    ЭБУ электропривода наружного зеркала в сборе (со стороны водителя) Главный ЭБУ кузова (бортовой ЭБУ сети мультиплексной связи)
    • Сигнал переключателя M1

    • Сигнал переключателя M2

    • Сигнал переключателя M3

    • Сигнал переключателя SET

    CAN
    Главный ЭБУ кузова (бортовой ЭБУ сети мультиплексной связи) Переключатель электропривода переднего сиденья (для водителя)
    • Сигнал состояния парковки (P)

    • Сигнал скорости автомобиля

    • Данные трансмиссии

    • Запрос звукового сигнала положения для вождения

    • Запрос положения сиденья водителя

    • Данные о положении сиденья водителя

    CAN
    ЭБУ сертификации (ЭБУ электронного ключа зажигания в сборе) Главный ЭБУ кузова (бортовой ЭБУ сети мультиплексной связи)
    • Сигнал выключателя зажигания

    • Запрос повторного обращения к памяти

    • Состояние регистрации идентификационных кодов ключей № 1-7

    CAN
    Переключатель электропривода переднего сиденья (для водителя) Главный ЭБУ кузова (бортовой ЭБУ сети мультиплексной связи)
    • Сигнал состояния сиденья водителя

    • Сигнал состояния звукового сигнала положения для вождения

    CAN
    Главный переключатель сети мультиплексной связи в сборе Главный ЭБУ кузова (бортовой ЭБУ сети мультиплексной связи) Сигнал выключателя системы блокировки дверей LIN
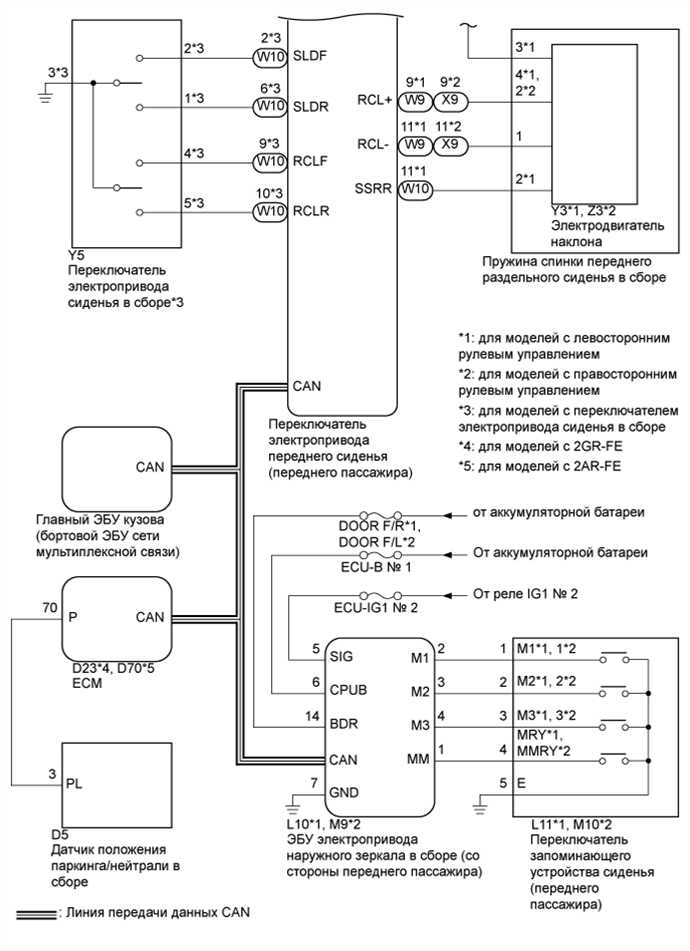
  2. СО СТОРОНЫ ПЕРЕДНЕГО ПАССАЖИРА

    A01G86BE01
    A01G8E4E01
    Таблица обмена данными
    Передатчик Приемник Сигнал Линия
    ECM Главный ЭБУ кузова (бортовой ЭБУ сети мультиплексной связи)
    • Данные трансмиссии

    • Сигнал состояния парковки (P)

    CAN
    ЭБУ электропривода наружного зеркала в сборе (со стороны переднего пассажира) Главный ЭБУ кузова (бортовой ЭБУ сети мультиплексной связи)
    • Сигнал переключателя M1

    • Сигнал переключателя M2

    • Сигнал переключателя M3

    • Сигнал переключателя SET

    CAN
    Главный ЭБУ кузова (бортовой ЭБУ сети мультиплексной связи) Переключатель электропривода переднего сиденья (переднего пассажира)
    • Сигнал состояния парковки (P)

    • Сигнал скорости автомобиля

    • Запрос положения сиденья переднего пассажира

    • Данные о положении сиденья переднего пассажира

    CAN