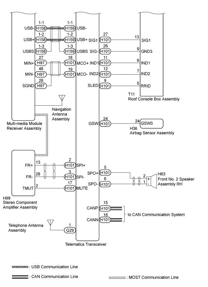
TELEMATICS SYSTEM (w/ Telematics Transceiver) SYSTEM DIAGRAM


  1. SYSTEM DIAGRAM

    A01G60NE02
    A01G6I5E04