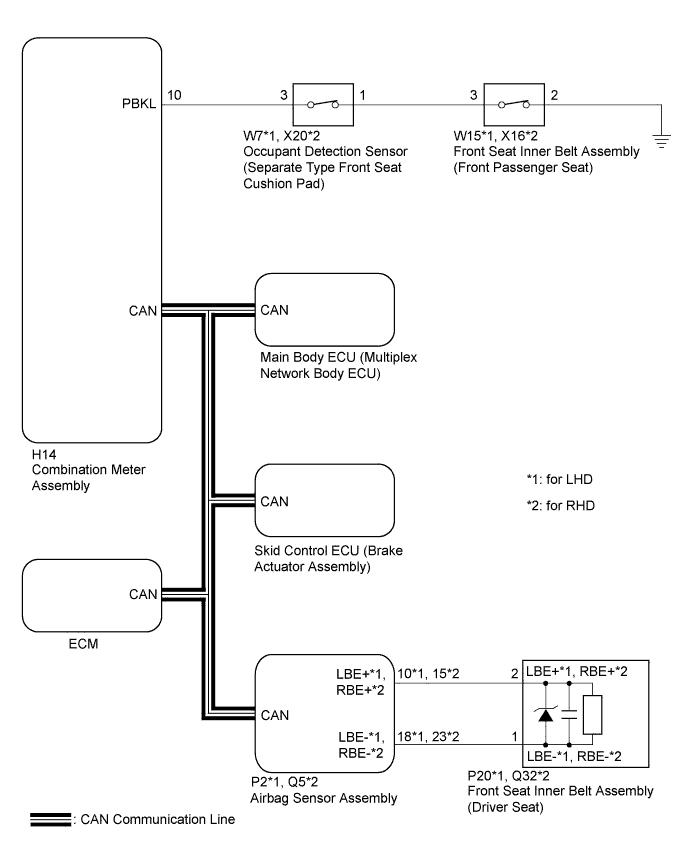
SEAT BELT WARNING SYSTEM SYSTEM DIAGRAM


  1. FRONT SEAT BELT WARNING

    A01G7YNE02
    Communication Table
    Sender Receiver Signal Communication Method
    Airbag sensor assembly Main body ECU (multiplex network body ECU) Front seat inner belt (driver seat) buckle switch CAN
    Main body ECU (multiplex network body ECU) Combination meter assembly
    • Front seat inner belt (front passenger seat) buckle switch

    • Parking brake switch

    Skid control ECU (brake actuator assembly) Combination meter assembly Vehicle speed
    ECM Combination meter assembly Shift position
  2. REAR SEAT BELT WARNING (w/ Rear Seat Belt Warning)

    A01G7VRE03