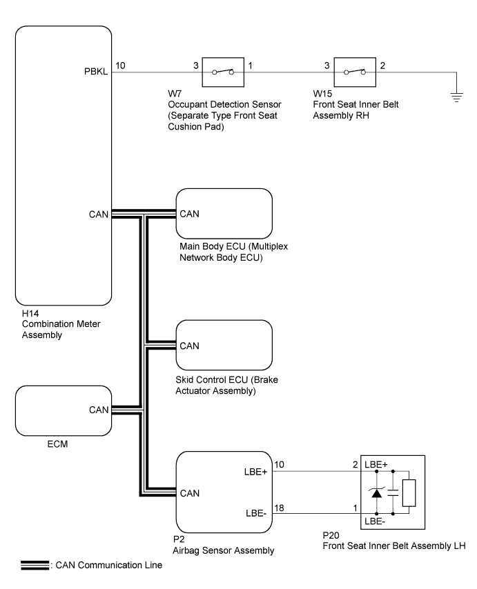
SEAT BELT WARNING SYSTEM SYSTEM DIAGRAM

A01G7EQE03
Communication Table
Sender Receiver Signal Communication Method
Airbag sensor assembly Main body ECU (multiplex network body ECU) Front seat inner belt LH buckle switch CAN
Main body ECU (multiplex network body ECU) Combination meter assembly
  • Front seat inner belt LH buckle switch

  • Parking brake switch

Skid control ECU (brake actuator assembly) Combination meter assembly Vehicle speed
ECM Combination meter assembly Shift position