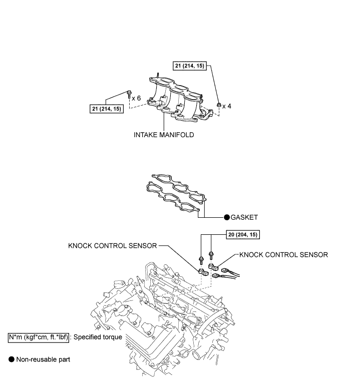
KNOCK SENSOR COMPONENTS

ILLUSTRATION

A01G8NWE01