СИСТЕМА ОСВЕЩЕНИЯ Цепь фонаря заднего хода

ОПИСАНИЕ

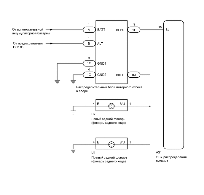
ЭБУ распределения питания управляет фонарями заднего хода через распределительный блок моторного отсека.

СХЕМА СОЕДИНЕНИЙ

A0008Y0E06

ПРЕДОСТЕРЕЖЕНИЕ / ПРИМЕЧАНИЕ / УКАЗАНИЕ

Note

Прежде чем переходить к следующей процедуре проверки, проверьте плавкие предохранители и лампы, относящиеся к данной системе.

ПОРЯДОК ВЫПОЛНЕНИЯ


  1. ПРОВЕРЬТЕ DTC (СИСТЕМЫ УПРАВЛЕНИЯ ГИБРИДНОЙ СИСТЕМОЙ)


    1. Проверьте коды DTC (см. стр. Click here).

      OK
      Коды DTC системы управления гибридной системой не выводятся.

    NG
    OK
  2. ПРОВЕРЬТЕ РАСПРЕДЕЛИТЕЛЬНЫЙ БЛОК МОТОРНОГО ОТСЕКА В СБОРЕ


    1. Используя вольтметр, проверьте показания сигнала распределительного блока моторного отсека в сборе (см. стр. Click here).

      OK
      Показания выходного сигнала нормальные.

    NG
    OK
  3. ПРОВЕРЬТЕ ЖГУТ ПРОВОДОВ И РАЗЪЕМ (ПИТАНИЕ И МАССА РАСПРЕДЕЛИТЕЛЬНОГО БЛОКА МОТОРНОГО ОТСЕКА В СБОРЕ)


    1. Извлеките распределительный блок моторного отсека из блока реле моторного отсека и распределительного блока (см. стр. Click here).

      A0005W1E01
      Обозначения на рисунке
      *a

      Элемент вне распределительного блока моторного отсека в сборе подсоединен

      (Блок реле и распределительный блок моторного отсека в сборе)

      - -
    2. Измерьте напряжение в соответствии со значениями, приведенными в таблице.

      Номинальное напряжение
      Подключение диагностического прибора Условие Заданные условия
      A-1 (BATT) - масса Питание выключено 11–14 В
      B-1 (ALT) - масса Питание выключено 11–14 В
    3. Измерьте сопротивление в соответствии со значениями, приведенными в таблице ниже.

      Номинальное сопротивление
      Подключение диагностического прибора Условие Заданные условия
      1F-3 (GND1) - масса Всегда Менее 1 Ом
      1G-4 (GND2) - масса Всегда Менее 1 Ом

    NG
    OK
  4. ПРОВЕРЬТЕ ЖГУТ ПРОВОДОВ И РАЗЪЕМ (ЗАДНИЙ БЛОК ФОНАРЕЙ В СБОРЕ - РАСПРЕДЕЛИТЕЛЬНЫЙ БЛОК МОТОРНОГО ОТСЕКА В СБОРЕ)


    1. Отсоедините U7 разъем левого заднего фонаря.

    2. Отсоедините разъем U1 правого заднего фонаря.

    3. Измерьте сопротивление в соответствии со значениями, приведенными в таблице ниже.

      Номинальное сопротивление
      Подключение диагностического прибора Условие Заданные условия
      1M-1 (BKLP) - U7-1 (B/U) Всегда Менее 1 Ом
      1M-1 (BKLP) - U1-1 (B/U) Всегда Менее 1 Ом

    NG
    OK
  5. ПРОВЕРЬТЕ ЖГУТ ПРОВОДОВ И РАЗЪЕМ (ЭБУ РАСПРЕДЕЛЕНИЯ ПИТАНИЯ – РАСПРЕДЕЛИТЕЛЬНЫЙ БЛОК МОТОРНОГО ОТСЕКА)


    1. Отсоедините разъем A31 ЭБУ распределения питания.

    2. Измерьте сопротивление в соответствии со значениями, приведенными в таблице ниже.

      Номинальное сопротивление
      Подключение диагностического прибора Условие Заданные условия
      1F-9 (BLPS) - A31-15 (BL) Всегда Менее 1 Ом
      1F-9 (BLPS) - масса Всегда 10 кОм или более

    NG
    OK
  6. ПРОВЕРЬТЕ РАСПРЕДЕЛИТЕЛЬНЫЙ БЛОК МОТОРНОГО ОТСЕКА В СБОРЕ


    1. Замените распределительный блок моторного отсека в сборе новым или заведомо исправным (см. стр. Click here).

      OK
      Задний блок фонарей работает нормально.

    OK
    NG