СИСТЕМА СТЕКЛООЧИСТИТЕЛЕЙ И СТЕКЛООМЫВАТЕЛЕЙ СХЕМА СИСТЕМЫ


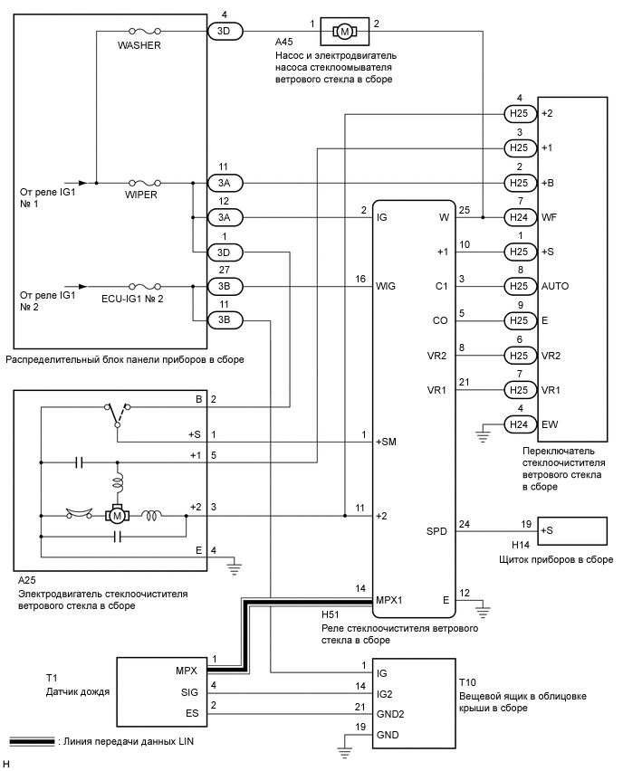
  1. СИСТЕМА ПЕРЕДНЕГО СТЕКЛООЧИСТИТЕЛЯ И СТЕКЛООМЫВАТЕЛЯ (для моделей с автоматическими стеклоочистителями)

    A0003IJE01
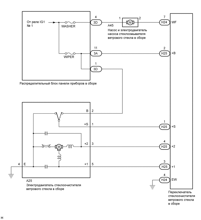
  2. СИСТЕМА ПЕРЕДНЕГО СТЕКЛООЧИСТИТЕЛЯ И СТЕКЛООМЫВАТЕЛЯ (для моделей без автоматических стеклоочистителей)

    A0008TWE04
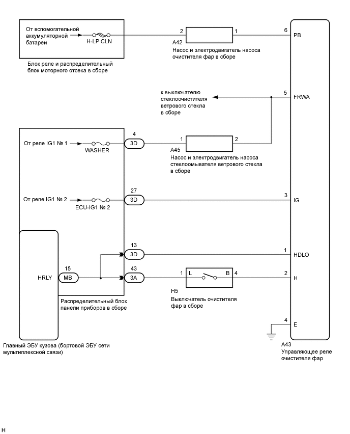
  3. СИСТЕМА ОЧИСТИТЕЛЯ ПЕРЕДНИХ ФАР

    A00075TE02