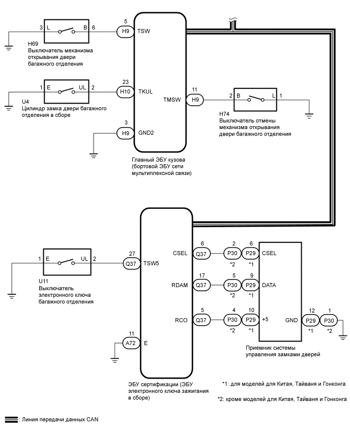
СИСТЕМА ДВЕРИ БАГАЖНОГО ОТДЕЛЕНИЯ С ЭЛЕКТРОПРИВОДОМ СХЕМА СИСТЕМЫ

A0007H2E01
A0004LWE11
Таблица обмена данными
Передатчик Приемник Сигнал Линия
Главный ЭБУ кузова (бортовой ЭБУ сети мультиплексной связи) Электродвигатель доводчика двери багажного отделения
  • Сигнал выключателя отмены открывания двери багажного отделения

  • Сигнал выключателя механизма открывания двери багажного отделения в сборе

  • Сигнал цилиндра замка двери багажного отделения в сборе

CAN
ЭБУ сертификации (ЭБУ электронного ключа зажигания в сборе) Электродвигатель доводчика двери багажного отделения Дистанционный сигнал выключателя механизма открывания двери багажного отделения CAN
ЭБУ распределения питания Электродвигатель доводчика двери багажного отделения Сигнал датчика положения рычага переключения передач CAN
Щиток приборов в сборе Электродвигатель доводчика двери багажного отделения Сигнал скорости автомобиля CAN