Click here

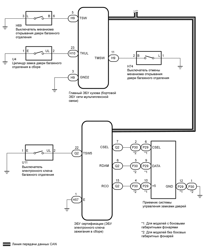
СИСТЕМА ДВЕРИ БАГАЖНОГО ОТДЕЛЕНИЯ С ЭЛЕКТРОПРИВОДОМ СХЕМА СИСТЕМЫ

Click here
A0004LWE04
Click here
Table 1. Таблица обмена данными Передатчик Приемник Сигнал Линия Главный ЭБУ кузова (бортовой ЭБУ сети мультиплексной связи) Электродвигатель доводчика двери багажного отделения Сигнал выключателя отмены открывания двери багажного отделения Сигнал выключателя механизма открывания двери багажного отделения в сборе Сигнал цилиндра замка двери багажного отделения в сборе CAN ЭБУ сертификации (ЭБУ электронного ключа зажигания в сборе) Электродвигатель доводчика двери багажного отделения Дистанционный сигнал выключателя механизма открывания двери багажного отделения CAN ЭБУ распределения питания Электродвигатель доводчика двери багажного отделения Сигнал датчика положения рычага переключения передач CAN Щиток приборов в сборе Электродвигатель доводчика двери багажного отделения Сигнал скорости автомобиля CAN