СИСТЕМА НАВИГАЦИИ Цепь освещения

ОПИСАНИЕ

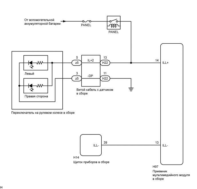
Питание для подсветки приемника мультимедийного модуля в сборе и переключателя на рулевом колесе в сборе подается, когда переключатель освещения находится в положении TAIL или HEAD.

СХЕМА ЭЛЕКТРИЧЕСКИХ СОЕДИНЕНИЙ

A0003F0E04

ПРЕДОСТЕРЕЖЕНИЕ / ПРИМЕЧАНИЕ / УКАЗАНИЕ

Note


  • Автомобиль оборудован дополнительной системой (пассивной) безопасности (SRS), в которую входят такие устройства, как подушки безопасности. Прежде чем приступать к обслуживанию (включая снятие и установку деталей), изучите меры предосторожности при работе с системой SRS (см. стр. Click here).

  • Перед выполнением следующей процедуры проверки проверьте предохранители цепей, относящихся к данной системе.

ПОРЯДОК ВЫПОЛНЕНИЯ


  1. ПРОВЕРЬТЕ СВЕЧЕНИЕ


    1. Проверьте, включается ли подсветка приемника мультимедийного модуля в сборе, переключателя на рулевом колесе в сборе, переключателя управления отопителем и других устройств (выключателя аварийной сигнализации, датчика положения селектора передач и т. д.), когда переключатель освещения устанавливается в положение HEAD или TAIL.

      Результат
      Результат Перейти к
      Включается подсветка всех устройств, кроме переключателя на рулевом колесе в сборе. А
      Включается подсветка всех устройств, кроме приемника мультимедийного модуля в сборе. B
      Включается только подсветка переключателя на рулевом колесе в сборе. C
      Подсветка не включается (для приемника мультимедийного модуля в сборе, выключателя аварийной сигнализации, переключателя управления отопителем и т. д.). D

    B
    C
    D
    А
  2. ПРОВЕРЬТЕ ЖГУТ ПРОВОДОВ И РАЗЪЕМ (СИГНАЛ ПОДСВЕТКИ)


    1. Отсоедините разъем H22 витого кабеля с датчиком в сборе.

    2. Измерьте напряжение в соответствии со значениями, приведенными в таблице.

      Номинальное напряжение
      Подключение диагностического прибора Значение Заданные условия
      H22-13 (IL+2) - масса

      Питание выключено

      Переключатель освещения в положении TAIL или HEAD

      11 - 14 В

    NG
    OK
  3. ПРОВЕРЬТЕ ПЕРЕКЛЮЧАТЕЛИ НА РУЛЕВОМ КОЛЕСЕ


    1. Снимите переключатель на рулевом колеса в сборе (см. стр. Click here)

    2. Подсоедините положительный (+) вывод вспомогательной аккумуляторной батареи к контакту 5 (IL+2), а отрицательный (-) – к контакту 3 (-DP) разъема переключателя на рулевом колесе в сборе.

      A0005BTE07
      Обозначения на рисунке
      *a

      Устройство с неподсоединенным жгутом проводов

      (переключатели на рулевом колесе в сборе)

      - -
    3. Проверьте, включается ли подсветка переключателей на рулевом колесе.

      OK
      Подсветка переключателей на рулевом колесе включается.

    NG
    OK
  4. ПРОВЕРЬТЕ ВИТОЙ КАБЕЛЬ С ДАТЧИКОМ В СБОРЕ


    1. Снимите витой кабель с датчиком в сборе (см. стр. Click here).

    2. A00065UE02
      Обозначения на рисунке
      *a

      Устройство с неподсоединенным жгутом проводов

      (Витой кабель с датчиком в сборе)

      *b Со стороны переключателей на рулевом колесе в сборе
      *c Со стороны проводки автомобиля

      Измерьте сопротивление в соответствии со значениями, приведенными в таблице ниже.

      Номинальное сопротивление
      Подключение диагностического прибора Условие Заданные условия
      z5-5 (IL+2) - H22-13 (IL+2) Центр 3 Ом или менее
      2,5 оборота влево
      2,5 оборота вправо
      z5-3 (-DP) - H22-11 (-DP) Центр 3 Ом или менее
      2,5 оборота влево
      2,5 оборота вправо
    3. Установите витой кабель с датчиком в сборе в центральное положение и поверните его на 2,5 оборота по часовой стрелке. Затем измерьте сопротивление в соответствии со значениями, приведенными в таблице ниже, поворачивая витой кабель с датчиком в сборе на 5 оборотов против часовой стрелки.

      Номинальное сопротивление
      Подключение диагностического прибора Условие Заданные условия
      z5-5 (IL+2) - H22-13 (IL+2) Всегда 3 Ом или менее
      z5-3 (-DP) - H22-11 (-DP) Всегда 3 Ом или менее

      Note


      • Нажмите и удерживайте замок, расположенный в центре витого кабеля с датчиком в сборе, чтобы повернуть витой кабель с датчиком в сборе.

      • Витой кабель с датчиком в сборе является важной частью системы подушек безопасности (SRS). Неправильно снятый или установленный витой кабель с датчиком в сборе может стать причиной неразвертывания подушки безопасности.

      • Никогда не поворачивайте витой кабель с датчиком в сборе больше, чем требуется, иначе можно повредить его.


    OK
    NG
  5. ПРОВЕРЬТЕ ЖГУТ ПРОВОДОВ И РАЗЪЕМ (СИГНАЛ ОСВЕЩЕНИЯ)


    1. Отсоедините разъем H97 приемника мультимедийного модуля в сборе.

    2. Измерьте напряжение в соответствии со значениями, приведенными в таблице.

      Номинальное напряжение
      Подключение диагностического прибора Условие Заданные условия
      H97-14 (ILL+) - масса

      Питание выключено

      Переключатель освещения в положении TAIL или HEAD

      11 - 14 В

    NG
    OK
  6. ПРОВЕРЬТЕ ЖГУТ ПРОВОДОВ И РАЗЪЕМ (ПРИЕМНИК МУЛЬТИМЕДИЙНОГО МОДУЛЯ В СБОРЕ — ЩИТОК ПРИБОРОВ В СБОРЕ)


    1. Отсоедините разъем H97 приемника мультимедийного модуля в сборе.

    2. Отсоедините разъем H14 щитка приборов.

    3. Измерьте сопротивление в соответствии со значениями, приведенными в таблице ниже.

      Номинальное сопротивление
      Контакты для подключения диагностического прибора Условие Заданные условия
      H97-13 (ILL-) - H14-39 (ILL-) Всегда Менее 1 Ом
      H97-13 (ILL-) - масса Всегда 10 кОм или более

    OK
    NG