СИСТЕМА НАВИГАЦИИ, Diagnostic DTC:B15C3

Код DTC Наименование DTC
B15C3 Короткое замыкание в выходной цепи динамика

ОПИСАНИЕ

Данный DTC регистрируется в случае неисправности динамиков.

№ DTC Неисправность Условие обнаружения DTC Неисправный участок
B15C3 Короткое замыкание в выходной цепи динамика Обнаружено короткое замыкание в выходной цепи динамика.
  • Жгут или разъем

  • Динамики

  • Компонентный стереоусилитель в сборе

  • Приемопередатчик системы обработки и передачи информации*


СХЕМА ЭЛЕКТРИЧЕСКИХ СОЕДИНЕНИЙ

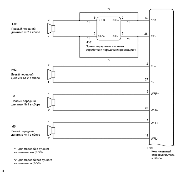
Figure 1. для моделей с 8 динамиками

A00047NE22

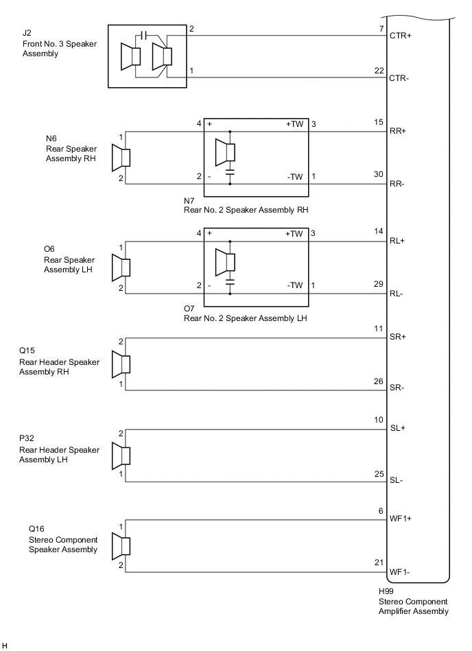
Figure 2. для моделей с 8 динамиками

A0003ERE33

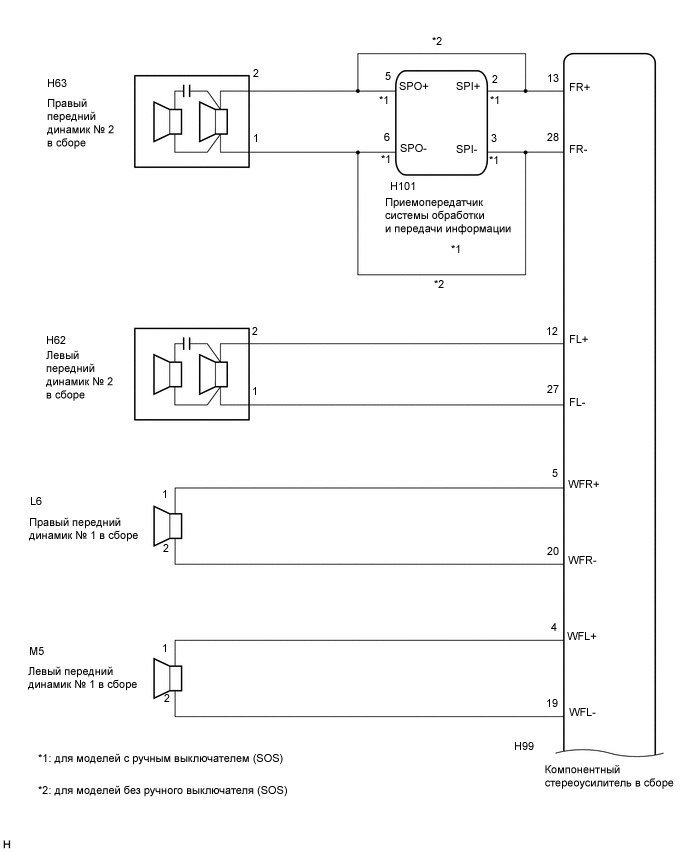
Figure 3. для моделей с 15 динамиками

A0009MAE18

Figure 4. для моделей с 15 динамиками

A000778E18

ПРЕДОСТЕРЕЖЕНИЕ / ПРИМЕЧАНИЕ / УКАЗАНИЕ

Note

В зависимости от замененных деталей или операций, которые были выполнены при проверке или обслуживании автомобиля, может потребоваться инициализация, регистрация или калибровка. См. меры предосторожности по системе навигации.

Нажмите здесь Click here

ПОРЯДОК ВЫПОЛНЕНИЯ


  1. ПРОВЕРЬТЕ МОДЕЛЬ


    1. Выберите модель для проверки.

      Результат
      Результат Следующий шаг
      для моделей с 8 динамиками (с ручным выключателем (SOS)) А
      для моделей с 8 динамиками (без ручного выключателя (SOS)) B
      для моделей с 15 динамиками (с ручным выключателем (SOS)) C
      для моделей с 15 динамиками (без ручного выключателя (SOS)) D

    B
    C
    D
    А
  2. ПРОВЕРЬТЕ ЖГУТ ПРОВОДОВ И РАЗЪЕМ (КОМПОНЕНТНЫЙ СТЕРЕОУСИЛИТЕЛЬ ИЛИ ДИНАМИКИ - МАССА)


    1. Отсоедините разъем H99 компонентного стереоусилителя в сборе.

    2. Отсоедините разъем H101 приемопередатчика системы обработки и передачи информации.

    3. Отсоедините разъем H62 переднего динамика № 2 в сборе.

    4. Отсоедините разъемы L6 и M5 передних динамиков № 1.

    5. Отсоедините разъем J2 переднего динамика № 3.

    6. Отсоедините разъемы N6 и O6 задних динамиков.

    7. Отсоедините разъем Q16 компонентного стереофонического динамика в сборе.

    8. Измерьте сопротивление в соответствии со значениями, приведенными в таблице ниже.

      Номинальное сопротивление
      Подключение диагностического прибора Условие Заданные условия
      H99-13 (FR+) или H101-2 (SPI+) - масса Всегда 10 кОм или более
      H99-28 (FR-) или H101-3 (SPI-) - масса Всегда 10 кОм или более
      H99-12 (FL+) или H62-2 - масса Всегда 10 кОм или более
      H99-27 (FL-) или H62-1 - масса Всегда 10 кОм или более
      H99-5 (WFR+) или L6-1 - масса Всегда 10 кОм или более
      H99-20 (WFR-) или L6-2 - масса Всегда 10 кОм или более
      H99-4 (WFL+) или M5-1 - масса Всегда 10 кОм или более
      H99-19 (WFL-) или M5-2 - масса Всегда 10 кОм или более
      H99-7 (CTR+) или J2-2 - масса Всегда 10 кОм или более
      H99-22 (CTR-) или J2-1 - масса Всегда 10 кОм или более
      H99-15 (RR+) или N6-1 - масса Всегда 10 кОм или более
      H99-30 (RR-) или - N6-2 масса Всегда 10 кОм или более
      H99-14 (RL+) или O6-1 - масса Всегда 10 кОм или более
      H99-29 (RL-) или O6-2 - масса Всегда 10 кОм или более
      H99-6 (WF1+) или Q16-2 - масса Всегда 10 кОм или более
      H99-21 (WF1-) или Q16-1 - масса Всегда 10 кОм или более
      Результат
      Перейти к
      OK
      NG

    NG
    OK
  3. ПРОВЕРЬТЕ ЖГУТ ПРОВОДОВ И РАЗЪЕМ (ПРИЕМОПЕРЕДАТЧИК СИСТЕМЫ ОБРАБОТКИ И ПЕРЕДАЧИ ИНФОРМАЦИИ ИЛИ ДИНАМИКИ — МАССА)


    1. Отсоедините разъем H101 приемопередатчика системы обработки и передачи информации.

    2. Отсоедините разъем H63 правого переднего динамика № 2.

    3. Измерьте сопротивление в соответствии со значениями, приведенными в таблице ниже.

      Номинальное сопротивление
      Подключение диагностического прибора Условие Заданные условия
      H101-5 (SPO+) или H63-2 - масса Всегда 10 кОм или более
      H101-6 (SPO-) или H63-1 - масса Всегда 10 кОм или более
      Результат
      Следующий шаг
      OK
      NG

    NG
    OK
  4. ПРОВЕРЬТЕ ПРИЕМОПЕРЕДАТЧИК СИСТЕМЫ ОБРАБОТКИ И ПЕРЕДАЧИ ИНФОРМАЦИИ


    1. Снимите приемопередатчик системы обработки и передачи информации.

      Нажмите здесь Click here

    2. A0007JDC05
      *a

      Устройство с неподсоединенным жгутом проводов

      (приемопередатчик системы обработки и передачи информации)

      Измерьте сопротивление в соответствии со значениями, приведенными в таблице ниже.

      Номинальное сопротивление
      Подключение диагностического прибора Условие Заданные условия
      2 (SPI+) - 5 (SPO+) Всегда Менее 1 Ом
      3 (SPI-) - 6 (SPO-) Всегда Менее 1 Ом
      2 (SPI+) - 3 (SPI-) Всегда 10 кОм или более
      5 (SPO+) - 6 (SPO-) Всегда 10 кОм или более
      2 (SPI+) - масса Всегда 10 кОм или более
      3 (SPI-) - масса Всегда 10 кОм или более
      Результат
      Результат Следующий шаг
      NG А
      OK B

    А
    B
  5. ПРОВЕРЬТЕ ЖГУТ ПРОВОДОВ И РАЗЪЕМ (КОМПОНЕНТНЫЙ СТЕРЕОУСИЛИТЕЛЬ ИЛИ ДИНАМИКИ - МАССА)


    1. Отсоедините разъем H99 компонентного стереоусилителя в сборе.

    2. Отсоедините разъемы H63 и H62 передних динамиков № 2.

    3. Отсоедините разъемы L6 и M5 передних динамиков № 1.

    4. Отсоедините разъем J2 переднего динамика № 3.

    5. Отсоедините разъемы N6 и O6 задних динамиков.

    6. Отсоедините разъем Q16 компонентного стереофонического динамика в сборе.

    7. Измерьте сопротивление в соответствии со значениями, приведенными в таблице ниже.

      Номинальное сопротивление
      Подключение диагностического прибора Условие Заданные условия
      H99-13 (FR+) или H63-2 - масса Всегда 10 кОм или более
      H99-28 (FR-) или H63-1 - масса Всегда 10 кОм или более
      H99-12 (FL+) или H62-2 - масса Всегда 10 кОм или более
      H99-27 (FL-) или H62-1 - масса Всегда 10 кОм или более
      H99-5 (WFR+) или L6-1 - масса Всегда 10 кОм или более
      H99-20 (WFR-) или L6-2 - масса Всегда 10 кОм или более
      H99-4 (WFL+) или M5-1 - масса Всегда 10 кОм или более
      H99-19 (WFL-) или M5-2 - масса Всегда 10 кОм или более
      H99-7 (CTR+) или J2-2 - масса Всегда 10 кОм или более
      H99-22 (CTR-) или J2-1 - масса Всегда 10 кОм или более
      H99-15 (RR+) или N6-1 - масса Всегда 10 кОм или более
      H99-30 (RR-) или N6-2 - масса Всегда 10 кОм или более
      H99-14 (RL+) или O6-1 - масса Всегда 10 кОм или более
      H99-29 (RL-) или O6-2 - масса Всегда 10 кОм или более
      H99-6 (WF1+) или Q16-2 - масса Всегда 10 кОм или более
      H99-21 (WF1-) или Q16-1 - масса Всегда 10 кОм или более
      Результат
      Следующий шаг
      OK
      NG

    NG
    OK
  6. ПРОВЕРЬТЕ ПЕРЕДНИЙ ДИНАМИК № 2 В СБОРЕ


    1. Снимите передний динамик № 2.

      Нажмите здесь Click here

    2. Проверьте передний динамик № 2 в сборе.

      Нажмите здесь Click here

    3. Удалите коды DTC.

      Нажмите здесь Click here

    4. Повторно проверьте коды DTC и убедитесь, что они не выводятся.

      OK
      Коды DTC не выводятся.
      Результат
      Перейти к
      OK
      NG

    NG
    OK
  7. ПРОВЕРЬТЕ ПЕРЕДНИЙ ДИНАМИК № 1


    1. Снимите передний динамик № 1.

      Нажмите здесь Click here

    2. Проверьте передний динамик № 1 в сборе.

      Нажмите здесь Click here

      Результат
      Перейти к
      OK
      NG

    NG
    OK
  8. ПРОВЕРЬТЕ ПЕРЕДНИЙ ДИНАМИК № 3 В СБОРЕ


    1. Снимите передний динамик № 3.

      Нажмите здесь Click here

    2. Проверьте передний динамик № 3 в сборе.

      Нажмите здесь Click here

    3. Удалите коды DTC.

      Нажмите здесь Click here

    4. Повторно проверьте коды DTC и убедитесь, что они не выводятся.

      OK
      Коды DTC не выводятся.
      Результат
      Перейти к
      OK
      NG

    NG
    OK
  9. ПРОВЕРЬТЕ ЗАДНИЙ ДИНАМИК В СБОРЕ


    1. Снимите задний динамик в сборе.

      Нажмите здесь Click here

    2. Проверьте задний динамик в сборе.

      Нажмите здесь Click here

      Результат
      Перейти к
      OK
      NG

    NG
    OK
  10. ПРОВЕРЬТЕ КОМПОНЕНТНЫЙ СТЕРЕОДИНАМИК В СБОРЕ


    1. Снимите компонентный стереодинамик в сборе.

      Нажмите здесь Click here

    2. Проверьте компонентный стереодинамик в сборе.

      Нажмите здесь Click here

      Результат
      Перейти к
      OK
      NG

    OK
    NG
  11. ПРОВЕРЬТЕ ЖГУТ ПРОВОДОВ И РАЗЪЕМ (КОМПОНЕНТНЫЙ СТЕРЕОУСИЛИТЕЛЬ ИЛИ ДИНАМИКИ - МАССА)


    1. Отсоедините разъем H99 компонентного стереоусилителя в сборе.

    2. Отсоедините разъем H101 приемопередатчика системы обработки и передачи информации.

    3. Отсоедините разъем H62 левого переднего динамика № 2 в сборе.

    4. Отсоедините разъемы L6 и M5 передних динамиков № 1.

    5. Отсоедините разъем J2 переднего динамика № 3.

    6. Отсоедините разъемы N7 и O7 задних динамиков № 2.

    7. Отсоедините разъемы Q15 и P32 задних головных динамиков.

    8. Отсоедините разъем Q16 компонентного стереофонического динамика в сборе.

    9. Измерьте сопротивление в соответствии со значениями, приведенными в таблице ниже.

      Номинальное сопротивление
      Подключение диагностического прибора Условие Заданные условия
      H99-13 (FR+) или H101-2 (SPI+) - масса Всегда 10 кОм или более
      H99-28 (FR-) или H101-3 (SPI-) - масса Всегда 10 кОм или более
      H99-12 (FL+) или H52-2 - масса Всегда 10 кОм или более
      H99-27 (FL-) или H52-1 - масса Всегда 10 кОм или более
      H99-5 (WFR+) или L6-1 - масса Всегда 10 кОм или более
      H99-20 (WFR-) или L6-2 - масса Всегда 10 кОм или более
      H99-4 (WFL+) или M5-1 - масса Всегда 10 кОм или более
      H99-19 (WFL-) или M5-2 - масса Всегда 10 кОм или более
      H99-7 (CTR+) или J2-2 - масса Всегда 10 кОм или более
      H99-22 (CTR-) или J2-1 - масса Всегда 10 кОм или более
      H99-15 (RR+) или N7-3 (+TW) - масса Всегда 10 кОм или более
      H99-30 (RR-) или N7-1 (-TW) - масса Всегда 10 кОм или более
      H99-14 (RL+) или O7-3 (+TW) - масса Всегда 10 кОм или более
      H99-29 (RL-) или O7-1 (TW-) - масса Всегда 10 кОм или более
      H99-11 (SR+) или Q15-2 - масса Всегда 10 кОм или более
      H99-26 (SR-) или Q15-1 - масса Всегда 10 кОм или более
      H99-10 (SL+) или P32-2 - масса Всегда 10 кОм или более
      H99-25 (SL-) или P32-1 - масса Всегда 10 кОм или более
      H99-6 (WF1+) или Q16-1 - масса Всегда 10 кОм или более
      H99-21 (WF1-) или Q16-2 - масса Всегда 10 кОм или более
      Результат
      Перейти к
      OK
      NG

    NG
    OK
  12. ПРОВЕРЬТЕ ЖГУТ ПРОВОДОВ И РАЗЪЕМ (ЗАДНИЙ ДИНАМИК № 2 В СБОРЕ – МАССА)


    1. Отсоедините разъемы N7 и O7 задних динамиков № 2.

    2. Отсоедините разъемы N6 и O6 задних динамиков.

    3. Измерьте сопротивление в соответствии со значениями, приведенными в таблице ниже.

      Номинальное сопротивление
      Подключение диагностического прибора Условие Заданные условия
      N7-4 (+) или N6-1 - масса Всегда 10 кОм или более
      N7-2 (-) или N6-2 - масса Всегда 10 кОм или более
      O7-4 (+) или O6-1 - масса Всегда 10 кОм или более
      O7-2 (-) O6-2 - масса Всегда 10 кОм или более
      Результат
      Перейти к
      OK
      NG

    NG
    OK
  13. ПРОВЕРЬТЕ ЖГУТ ПРОВОДОВ И РАЗЪЕМ (ПРИЕМОПЕРЕДАТЧИК СИСТЕМЫ ОБРАБОТКИ И ПЕРЕДАЧИ ИНФОРМАЦИИ ИЛИ ДИНАМИКИ — МАССА)


    1. Отсоедините разъем H101 приемопередатчика системы обработки и передачи информации.

    2. Отсоедините разъем H63 правого переднего динамика № 2.

    3. Измерьте сопротивление в соответствии со значениями, приведенными в таблице ниже.

      Номинальное сопротивление
      Подключение диагностического прибора Условие Заданные условия
      H101-5 (SPO+) или H63-2 - масса Всегда 10 кОм или более
      H101-6 (SPO-) или H63-1 - масса Всегда 10 кОм или более
      Результат
      Перейти к
      OK
      NG

    NG
    OK
  14. ПРОВЕРЬТЕ ПРИЕМОПЕРЕДАТЧИК СИСТЕМЫ ОБРАБОТКИ И ПЕРЕДАЧИ ИНФОРМАЦИИ


    1. Снимите приемопередатчик системы обработки и передачи информации.

      Нажмите здесь Click here

    2. A0007JDC05
      *a

      Устройство с неподсоединенным жгутом проводов

      (приемопередатчик системы обработки и передачи информации)

      Измерьте сопротивление в соответствии со значениями, приведенными в таблице ниже.

      Номинальное сопротивление
      Подключение диагностического прибора Условие Заданные условия
      2 (SPI+) - 5 (SPO+) Всегда Менее 1 Ом
      3 (SPI-) - 6 (SPO-) Всегда Менее 1 Ом
      2 (SPI+) - 3 (SPI-) Всегда 10 кОм или более
      5 (SPO+) - 6 (SPO-) Всегда 10 кОм или более
      2 (SPI+) - масса Всегда 10 кОм или более
      3 (SPI-) - масса Всегда 10 кОм или более
      Результат
      Перейти к
      OK
      NG

    OK
    NG
  15. ПРОВЕРЬТЕ ЖГУТ ПРОВОДОВ И РАЗЪЕМ (КОМПОНЕНТНЫЙ СТЕРЕОУСИЛИТЕЛЬ ИЛИ ДИНАМИКИ - МАССА)


    1. Отсоедините разъем H99 компонентного стереоусилителя в сборе.

    2. Отсоедините разъемы H63 и H62 передних динамиков № 2.

    3. Отсоедините разъемы L6 и M5 передних динамиков № 1.

    4. Отсоедините разъем J2 переднего динамика № 3.

    5. Отсоедините разъемы N7 и O7 задних динамиков № 2.

    6. Отсоедините разъемы Q15 и P32 задних головных динамиков.

    7. Отсоедините разъем Q16 компонентного стереофонического динамика в сборе.

    8. Измерьте сопротивление в соответствии со значениями, приведенными в таблице ниже.

      Номинальное сопротивление
      Подключение диагностического прибора Условие Заданные условия
      H99-13 (FR+) или H63-2 - масса Всегда 10 кОм или более
      H99-28 (FR-) или H63-1 - масса Всегда 10 кОм или более
      H99-12 (FL+) или H62-2 - масса Всегда 10 кОм или более
      H99-27 (FL-) или H62-1 - масса Всегда 10 кОм или более
      H99-5 (WFR+) или L6-1 - масса Всегда 10 кОм или более
      H99-20 (WFR-) или L6-2 - масса Всегда 10 кОм или более
      H99-4 (WFL+) или M5-1 - масса Всегда 10 кОм или более
      H99-19 (WFL-) или M5-2 - масса Всегда 10 кОм или более
      H99-7 (CTR+) или J2-2 - масса Всегда 10 кОм или более
      H99-22 (CTR-) или J2-1 - масса Всегда 10 кОм или более
      H99-15 (RR+) или N7-3 (TW+) - масса Всегда 10 кОм или более
      H99-30 (RR-) или N7-1 (TW-) - масса Всегда 10 кОм или более
      H99-14 (RL+) O7-3 (TW+) - масса Всегда 10 кОм или более
      H99-29 (RL-) O7-1 (TW-) - масса Всегда 10 кОм или более
      H99-11 (SR+) или Q15-2 - масса Всегда 10 кОм или более
      H99-26 (SR-) или Q15-1 - масса Всегда 10 кОм или более
      H99-10 (SL+) или P32-2 - масса Всегда 10 кОм или более
      H99-25 (SL-) или P32-1 - масса Всегда 10 кОм или более
      H99-6 (WF1+) или Q16-1 - масса Всегда 10 кОм или более
      H99-21 (WF1-) или Q16-2 - масса Всегда 10 кОм или более
      Результат
      Перейти к
      OK
      NG

    NG
    OK
  16. ПРОВЕРЬТЕ ЖГУТ ПРОВОДОВ И РАЗЪЕМ (ЗАДНИЙ ДИНАМИК № 2 В СБОРЕ – МАССА)


    1. Отсоедините разъемы N7 и O7 задних динамиков № 2.

    2. Отсоедините разъемы N6 и O6 задних динамиков.

    3. Измерьте сопротивление в соответствии со значениями, приведенными в таблице ниже.

      Номинальное сопротивление
      Подключение диагностического прибора Условие Заданные условия
      N7-4 (+) или N6-1 - масса Всегда 10 кОм или более
      N7-2 (-) или N6-2 - масса Всегда 10 кОм или более
      O7-4 (+) или O6-1 - масса Всегда 10 кОм или более
      O7-2 (-) O6-2 - масса Всегда 10 кОм или более
      Результат
      Перейти к
      OK
      NG

    NG
    OK
  17. ПРОВЕРЬТЕ ПЕРЕДНИЙ ДИНАМИК № 2 В СБОРЕ


    1. Снимите передний динамик № 2.

      Нажмите здесь Click here

    2. Проверьте передний динамик № 2 в сборе.

      Нажмите здесь Click here

    3. Удалите коды DTC.

      Нажмите здесь Click here

    4. Повторно проверьте коды DTC и убедитесь, что они не выводятся.

      OK
      Коды DTC не выводятся.
      Результат
      Перейти к
      OK
      NG

    OK
    NG
  18. ПРОВЕРЬТЕ ПЕРЕДНИЙ ДИНАМИК № 1 В СБОРЕ


    1. Снимите передний динамик № 1.

      Нажмите здесь Click here

    2. Проверьте передний динамик № 1 в сборе.

      Нажмите здесь Click here

      Результат
      Перейти к
      OK
      NG

    NG
    OK
  19. ПРОВЕРЬТЕ ПЕРЕДНИЙ ДИНАМИК № 3 В СБОРЕ


    1. Снимите передний динамик № 3.

      Нажмите здесь Click here

    2. Проверьте передний динамик № 3 в сборе.

      Нажмите здесь Click here

    3. Удалите коды DTC.

      Нажмите здесь Click here

    4. Повторно проверьте коды DTC и убедитесь, что они не выводятся.

      OK
      Коды DTC не выводятся.
      Результат
      Перейти к
      OK
      NG

    OK
    NG
  20. ПРОВЕРЬТЕ ЗАДНИЙ ДИНАМИК В СБОРЕ


    1. Снимите задний динамик в сборе.

      Нажмите здесь Click here

    2. Проверьте задний динамик в сборе.

      Нажмите здесь Click here

      Результат
      Следующий шаг
      OK
      NG

    NG
    OK
  21. ПРОВЕРЬТЕ ЗАДНИЙ ДИНАМИК № 2 В СБОРЕ


    1. Снимите задний динамик № 2 в сборе.

      Нажмите здесь Click here

    2. Проверьте задний динамик № 2 в сборе.

      Нажмите здесь Click here

      Результат
      Перейти к
      OK
      NG

    OK
    NG
  22. ПРОВЕРЬТЕ ЗАДНИЙ ГОЛОВНОЙ ДИНАМИК В СБОРЕ


    1. Снимите задний головной динамик в сборе.

      Нажмите здесь Click here

    2. Проверьте задний головной динамик в сборе.

      Нажмите здесь Click here

      Результат
      Перейти к
      OK
      NG

    NG
    OK
  23. ПРОВЕРЬТЕ КОМПОНЕНТНЫЙ СТЕРЕОДИНАМИК В СБОРЕ


    1. Снимите компонентный стереодинамик в сборе.

      Нажмите здесь Click here

    2. Проверьте компонентный стереодинамик в сборе.

      Нажмите здесь Click here

      Результат
      Перейти к
      OK
      NG

    OK
    NG