СИСТЕМА ПОДУШЕК БЕЗОПАСНОСТИ, Diagnostic DTC:B1617/84, B1618/84

Код DTC Наименование DTC
B1617/84 Нарушение связи с левым передним датчиком системы SRS
B1618/84 Не завершена инициализация левого переднего датчика системы SRS

ОПИСАНИЕ

Цепь левого переднего датчика системы SRS включает в себя центральный блок управления системы SRS и левый передний датчик системы SRS.

Левый передний датчик системы SRS обнаруживает удар автомобиля при столкновении и посылает сигналы в блок управления системы SRS, который определяет необходимость активации подушек безопасности и преднатяжителей.

Эти коды DTC регистрируются при обнаружении неисправности в цепи левого переднего датчика системы SRS.

№ DTC Условие обнаружения DTC Неисправный участок

B1617/84

B1618/84


  • Блок управления системы SRS получает сигнал короткого замыкания, сигнал обрыва, сигнал короткого замыкания на массу или на B+ в цепи левого переднего датчика системы SRS.

  • Неисправность левого переднего датчика системы SRS

  • Неисправность блока управления системы SRS


  • Жгут проводов панели приборов

  • Основной жгут проводов моторного отсека

  • Левый передний датчик системы SRS

  • Блок управления системы SRS

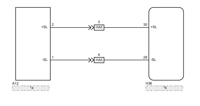
СХЕМА ЭЛЕКТРИЧЕСКИХ СОЕДИНЕНИЙ

A0004MWE13
*a Левый передний датчик системы SRS
*b Блок управления системы SRS

ПРЕДОСТЕРЕЖЕНИЕ / ПРИМЕЧАНИЕ / УКАЗАНИЕ

Note

После выключения питания следует подождать некоторое время, прежде чем отсоединять провод от отрицательного (-) вывода вспомогательной аккумуляторной батареи. Поэтому, прежде чем приступать к этой работе, обязательно ознакомьтесь с примечаниями относительно отсоединения провода от отрицательного (-) вывода вспомогательной аккумуляторной батареи (см. стр. Click here).

ПОРЯДОК ВЫПОЛНЕНИЯ


  1. ПРОВЕРЬТЕ РАЗЪЕМЫ


    1. Выключите питание.

    2. Отсоедините провод от отрицательного (-) вывода вспомогательной аккумуляторной батареи.

      CAUTION:

      После отсоединения провода от отрицательного (-) вывода вспомогательной аккумуляторной батареи подождите не менее 90 с, чтобы предотвратить срабатывание системы SRS.

    3. Проверьте правильность подключения разъемов к центральному блоку управления системы SRS и левому переднему датчику системы SRS. Также убедитесь в надежности подключения разъемов, соединяющих главный кабель моторного отсека и жгут проводов панели приборов.

      OK
      Разъемы подсоединены должным образом.

      Tech Tips

      Если разъемы подсоединены ненадежно, подсоедините их и перейдите к следующей проверке.

    4. Отсоедините разъемы от центрального блока управления системы SRS и левого переднего датчика системы SRS. Также разъедините разъемы, соединяющие главный кабель моторного отсека и жгут проводов панели приборов.

    5. Убедитесь, что контакты разъемов не повреждены.

      OK
      Контакты не деформированы и не повреждены.

    NG
    OK
  2. ПРОВЕРЬТЕ ЦЕПЬ ЛЕВОГО ПЕРЕДНЕГО ДАТЧИКА СИСТЕМЫ SRS (ОБРЫВ)


    1. A000609E02
      Обозначения на рисунке
      *1 Левый передний датчик системы SRS
      *2 Блок управления системы SRS
      *3 Технологический провод
      *a

      Вид спереди разъема со стороны жгута проводов:

      (блок управления системы SRS)

      *b

      Вид спереди разъема со стороны жгута проводов:

      (к левому переднему датчику системы SRS)

      Соедините разъемы, соединяющие главный кабель моторного отсека и жгут проводов панели приборов.

    2. С помощью технологического провода соедините контакты 30 (+SL) и 28 (-SL) разъема "В".

      Note

      Технологический провод следует вставлять в контакты разъема без усилия.

    3. Измерьте сопротивление в соответствии со значениями, приведенными в таблице ниже.

      Номинальное сопротивление
      Подключение диагностического прибора Значение Заданные условия
      A12-2 (+SL) - A12-1 (-SL) Всегда Менее 1 Ом

    NG
    OK
  3. ПРОВЕРЬТЕ ЦЕПЬ ЛЕВОГО ПЕРЕДНЕГО ДАТЧИКА СИСТЕМЫ SRS (КОРОТКОЕ ЗАМЫКАНИЕ)


    1. A0006K9E01
      Обозначения на рисунке
      *1 Левый передний датчик системы SRS
      *2 Блок управления системы SRS
      *a

      Вид спереди разъема со стороны жгута проводов:

      (к левому переднему датчику системы SRS)

      Отсоедините технологический провод от разъема В.

    2. Измерьте сопротивление в соответствии со значениями, приведенными в таблице ниже.

      Номинальное сопротивление
      Контакты для подключения диагностического прибора Условие Заданные условия
      A12-2 (+SL) - A12-1 (-SL) Всегда 1 МОм или более

    NG
    OK
  4. ПРОВЕРЬТЕ ЦЕПЬ ЛЕВОГО ПЕРЕДНЕГО ДАТЧИКА СИСТЕМЫ SRS (КОРОТКОЕ ЗАМЫКАНИЕ НА B+)


    1. A0006K9E01
      Обозначения на рисунке
      *1 Левый передний датчик системы SRS
      *2 Блок управления системы SRS
      *a

      Вид спереди разъема со стороны жгута проводов:

      (к левому переднему датчику системы SRS)

      Подсоедините провод к отрицательному (-) выводу вспомогательной аккумуляторной батареи.

    2. Включите питание (IG).

    3. Измерьте напряжение в соответствии со значениями, приведенными в таблице.

      Номинальное напряжение
      Подключение диагностического прибора Условие Заданные условия
      A12-2 (+SL) - масса Питание включено (IG) Менее 1 В
      A12-1 (-SL) - масса Питание включено (IG) Менее 1 В
    4. Выключите питание.

    5. Отсоедините провод от отрицательного (-) вывода вспомогательной аккумуляторной батареи.

      CAUTION:

      После отсоединения провода от отрицательного (-) вывода вспомогательной аккумуляторной батареи подождите не менее 90 с, чтобы предотвратить срабатывание системы SRS.


    NG
    OK
  5. ПРОВЕРЬТЕ ЦЕПЬ ЛЕВОГО ПЕРЕДНЕГО ДАТЧИКА СИСТЕМЫ SRS (КОРОТКОЕ ЗАМЫКАНИЕ НА МАССУ)


    1. A0006K9E01
      Обозначения на рисунке
      *1 Левый передний датчик системы SRS
      *2 Блок управления системы SRS
      *a

      Вид спереди разъема со стороны жгута проводов:

      (к левому переднему датчику системы SRS)

      Измерьте сопротивление в соответствии со значениями, приведенными в таблице ниже.

      Номинальное сопротивление
      Подключение диагностического прибора Условие Заданные условия
      A12-2 (+SL) - масса Всегда 1 МОм или более
      A12-1 (-SL) - масса Всегда 1 МОм или более

    NG
    OK
  6. ПРОВЕРЬТЕ ЛЕВЫЙ ПЕРЕДНИЙ ДАТЧИК СИСТЕМЫ SRS


    1. A0006JEE02
      Обозначения на рисунке
      *1 Правый передний датчик системы SRS
      *2 Блок управления системы SRS

      Подсоедините разъем к блоку управления системы SRS.

    2. Поменяйте местами правый и левый передние датчики системы SRS и подсоедините к ним разъемы.

    3. Подсоедините провод к отрицательному (-) выводу вспомогательной аккумуляторной батареи.

    4. Сбросьте коды DTC, сохраненные в памяти (см. стр. Click here).

    5. Выключите питание.

    6. Включите питание (IG) и подождите не менее 60 с.

    7. Проверьте коды DTC (см. стр. Click here).

      Результат
      Результат Следующий шаг
      Коды DTC B1612/83, B1613/83, B1617/84 и B1618/84 не выводятся. А
      Выводится код DTC B1617/84 или B1618/84. B
      Выводится код DTC B1612/83 или B1613/83. C

      Tech Tips

      На этом этапе могут выводиться коды, отличные от кодов DTC B1612/83, B1613/83, B1617/84 и B1618/84, однако они не связаны с данной проверкой.

    8. Выключите питание.

    9. Отсоедините провод от отрицательного (-) вывода вспомогательной аккумуляторной батареи.

      CAUTION:

      После отсоединения провода от отрицательного (-) вывода вспомогательной аккумуляторной батареи подождите не менее 90 с, чтобы предотвратить срабатывание системы SRS.

    10. Установите на место левый и правый передние датчики системы SRS и подсоедините к ним разъемы.


    А
    B
    C
  7. ПРОВЕРЬТЕ ЖГУТ ПРОВОДОВ ПАНЕЛИ ПРИБОРОВ (ОБРЫВ)


    1. A0006HXE03
      Обозначения на рисунке
      *1 Левый передний датчик системы SRS
      *2 Блок управления системы SRS
      *3 Главный жгут проводов моторного отсека
      *4 Жгут проводов панели приборов
      *5 Технологический провод
      *a

      Вид спереди разъема со стороны жгута проводов:

      (блок управления системы SRS)

      *b

      Вид спереди разъема со стороны жгута проводов:

      (к главному кабелю моторного отсека)

      Отсоедините разъем основного жгута проводов моторного отсека от жгута проводов панели приборов.

      Tech Tips

      Технологический провод уже вставлен в разъем "B".

    2. Измерьте сопротивление в соответствии со значениями, приведенными в таблице ниже.

      Номинальное сопротивление
      Контакты для подключения диагностического прибора Условие Заданные условия
      HA5-3 (+SL) - HA5-4 (-SL) Всегда Менее 1 Ом
    3. Отсоедините технологический провод от разъема В.


    OK
    NG
  8. ПРОВЕРЬТЕ ЖГУТ ПРОВОДОВ ПАНЕЛИ ПРИБОРОВ (НА КОРОТКОЕ ЗАМЫКАНИЕ)


    1. A0004Y2E04
      Обозначения на рисунке
      *1 Левый передний датчик системы SRS
      *2 Блок управления системы SRS
      *3 Главный жгут проводов моторного отсека
      *4 Жгут проводов панели приборов
      *a

      Вид спереди разъема со стороны жгута проводов:

      (к главному кабелю моторного отсека)

      Отсоедините разъем основного жгута проводов моторного отсека от жгута проводов панели приборов.

    2. Измерьте сопротивление в соответствии со значениями, приведенными в таблице ниже.

      Номинальное сопротивление
      Подключение диагностического прибора Условие Заданные условия
      HA5-3 (+SL) - HA5-4 (-SL) Всегда 1 МОм или более

    OK
    NG
  9. ПРОВЕРЬТЕ ЖГУТ ПРОВОДОВ ПАНЕЛИ ПРИБОРОВ (НА КОРОТКОЕ ЗАМЫКАНИЕ НА В+)


    1. A0004Y2E04
      Обозначения на рисунке
      *1 Левый передний датчик системы SRS
      *2 Блок управления системы SRS
      *3 Главный жгут проводов моторного отсека
      *4 Жгут проводов панели приборов
      *a

      Вид спереди разъема со стороны жгута проводов:

      (к главному кабелю моторного отсека)

      Отсоедините разъем основного жгута проводов моторного отсека от жгута проводов панели приборов.

    2. Подсоедините провод к отрицательному (-) выводу вспомогательной аккумуляторной батареи.

    3. Включите питание (IG).

    4. Измерьте напряжение в соответствии со значениями, приведенными в таблице.

      Номинальное напряжение
      Подключение диагностического прибора Условие Заданные условия
      HA5-3 (+SL) - масса Питание включено (IG) Менее 1 В
      HA5-4 (-SL) - масса Питание включено (IG) Менее 1 В

    OK
    NG
  10. ПРОВЕРЬТЕ ЖГУТ ПРОВОДОВ ПАНЕЛИ ПРИБОРОВ (НА КОРОТКОЕ ЗАМЫКАНИЕ НА МАССУ)


    1. A0004Y2E04
      Обозначения на рисунке
      *1 Левый передний датчик системы SRS
      *2 Блок управления системы SRS
      *3 Главный жгут проводов моторного отсека
      *4 Жгут проводов панели приборов
      *a

      Вид спереди разъема со стороны жгута проводов:

      (к главному кабелю моторного отсека)

      Отсоедините разъем основного жгута проводов моторного отсека от жгута проводов панели приборов.

    2. Измерьте сопротивление в соответствии со значениями, приведенными в таблице ниже.

      Номинальное сопротивление
      Подключение диагностического прибора Условие Заданные условия
      HA5-3 (+SL) - масса Всегда 1 МОм или более
      HA5-4 (-SL) - масса Всегда 1 МОм или более

    OK
    NG