СИСТЕМА ПОДУШЕК БЕЗОПАСНОСТИ СХЕМА СИСТЕМЫ

A0004N3E08
A00078AE02
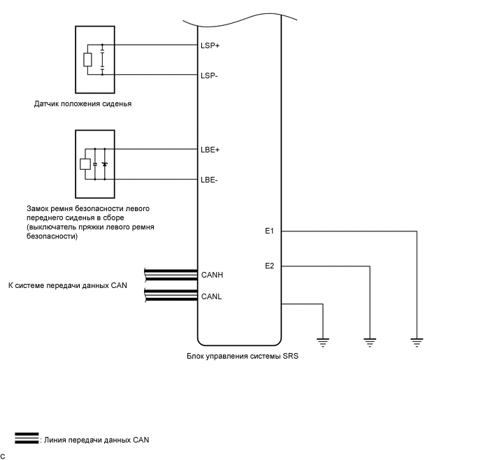
A0003NHE02
Таблица обмена данными

Передающий ЭБУ

(передатчик)

Принимающий ЭБУ Сигнал Метод передачи данных
Блок управления системы SRS ЭБУ распределения питания
  • Сигнал обнаружения столкновения

CAN
Щиток приборов в сборе
  • Сигнал запроса на включение контрольной лампы аварийного состояния SRS

  • Сигнал диагностики (DTC)

ЭБУ системы противоскольжения (усилитель тормозной системы с главным цилиндром в сборе)
  • Сигнал замедления и рысканья

Главный ЭБУ кузова (бортовой ЭБУ сети мультиплексной связи)
  • Сигнал выключателя пряжки ремня безопасности сиденья водителя

ЭБУ распределения питания Блок управления системы SRS
  • Сигнал положения рычага переключения передач

  • Сигнал режима активной диагностики

ECM Сигнал частоты вращения коленчатого вала двигателя
ЭБУ системы противоскольжения (усилитель тормозной системы с главным цилиндром в сборе)
  • Сигнал скорости автомобиля

  • Стоп-сигнал

  • Сигнал запроса об ускорении и рыскании

Датчик положения рулевого колеса Сигнал датчика положения рулевого колеса
Главный ЭБУ кузова (бортовой ЭБУ сети мультиплексной связи)
  • Сигнал счетчика пути

  • Сигнал счетчика времени