Click here

СИСТЕМА ПЕРЕДНИХ СИДЕНИЙ С ЭЛЕКТРОПРИВОДОМ (для моделей с запоминающим устройством), Diagnostic DTC:B2651

Click here
Click here
Код DTC Наименование DTC
B2651 Неисправность датчика наклона
Click here

ОПИСАНИЕ

Этот код DTC регистрируется, когда переключатель электропривода переднего сиденья (водителя) или переключатель электропривода переднего сиденья (переднего пассажира) не получает сигнал датчика, несмотря на перемещение спинки сиденья вперед или назад с помощью электропривода сиденья.

Код DTC Условие обнаружения DTC Неисправный участок
B2651 Крайние переднее и заднее положения, определенные датчиком, совпадают.
  • Со стороны водителя


    • Переключатель электропривода переднего сиденья (для сиденья водителя)


    • Электродвигатель наклона (рама спинки переднего сиденья (водителя))


    • Жгут проводов или разъем


  • Для стороны переднего пассажира


    • Переключатель электропривода переднего сиденья (для сиденья переднего пассажира)


    • Электродвигатель наклона (пружина спинки переднего раздельного сиденья в сборе)


    • Жгут проводов или разъем

Click here

СХЕМА ЭЛЕКТРИЧЕСКИХ СОЕДИНЕНИЙ


Click here
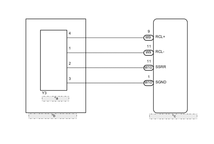
  1. A0007CKE24
    Table 1.
    *a Электродвигатель наклона
    *b Рама спинки переднего сиденья в сборе (со стороны водителя)
    *c Переключатель электропривода переднего сиденья (для водителя)

    Со стороны водителя

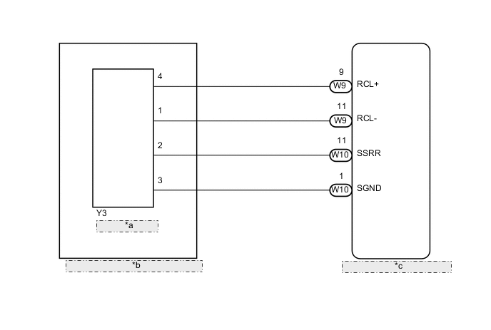
  2. A0007CKE25
    Table 2.
    *a Электродвигатель наклона
    *b Пружина спинки переднего раздельного сиденья в сборе
    *c Переключатель электропривода переднего сиденья (переднего пассажира)

    Для стороны переднего пассажира

Click here

ПОРЯДОК ВЫПОЛНЕНИЯ


  1. Click here

    ПРОВЕРЬТЕ DTC


    1. Проверьте коды DTC (см. стр.Click here).

      Результат
      Результат Следующий шаг
      DTC не выводится A
      Вывод DTC связан с сиденьем водителя B
      Вывод DTC связан с сиденьем пассажира C

    • A

      ВЫПОЛНИТЕ ПРОВЕРКУ С ИМИТАЦИЕЙ УСЛОВИЙ ВОЗНИКНОВЕНИЯ НЕИСПРАВНОСТИ (см. стр.Click here)

    • BClick here
    • CClick here
  2. Click here

    ВЫПОЛНИТЕ АКТИВНУЮ ДИАГНОСТИКУ С ПОМОЩЬЮ GTS (RECLINING MOTOR)


    1. Подключите GTS к DLC3.

    2. Включите питание (IG).

    3. Включите GTS.

    4. Войдите в следующие меню: Body Electrical / Driver Seat / Active Test.

    5. Выполните диагностику в режиме ACTIVE TEST в соответствии с указаниями на дисплее GTS.

      Table 3. Driver Seat (Сиденье водителя)
      Информация на дисплее прибора Испытываемое устройство Диапазон регулирования Замечание по диагностике
      Seat Reclining Управление наклоном сиденья OFF (ВЫКЛ) / Front (вперед) / Rear (назад) -
      OK
      Электродвигатель работает нормально.

  3. Click here

    ПРОВЕРЬТЕ ПЕРЕКЛЮЧАТЕЛЬ ЭЛЕКТРОПРИВОДА ПЕРЕДНЕГО СИДЕНЬЯ (ВОДИТЕЛЯ) (ЦЕПЬ ЭЛЕКТРОДВИГАТЕЛЯ НАКЛОНА)


    1. Отсоедините разъем Y3 электродвигателя наклона.

    2. Измерьте напряжение в соответствии со значениями, приведенными в таблице.

      Номинальное напряжение
      Подключение диагностического прибора Условие Заданные условия
      Y3-2 - Y3-3 Переключатель наклона в положении ON (ВКЛ) 4,8 - 5,1 В

  4. Click here

    ПРОВЕРЬТЕ ЭЛЕКТРОДВИГАТЕЛЬ НАКЛОНА (РАМУ СПИНКИ ПЕРЕДНЕГО СИДЕНЬЯ (ВОДИТЕЛЯ))


    1. A0005E5E02

      Подсоедините разъем Y3 электродвигателя наклона.

    2. Измерьте напряжение в соответствии со значениями, приведенными в таблице.

      Номинальное напряжение
      Подключение диагностического прибора Условие Заданные условия
      Y3-2 - масса Переключатель наклона в положении ON (ВКЛ) 4,5 - 4,8 В
      Table 4. Обозначения на рисунке
      *a

      Устройство с подсоединенным жгутом проводов

      (Электродвигатель наклона (рама спинки переднего сиденья (водителя)))


    • OK

      ЗАМЕНИТЕ ПЕРЕКЛЮЧАТЕЛЬ ЭЛЕКТРОПРИВОДА ПЕРЕДНЕГО СИДЕНЬЯ (ВОДИТЕЛЯ) (см. стр.Click here)

    • NG

      ЗАМЕНИТЕ ЭЛЕКТРОДВИГАТЕЛЬ НАКЛОНА (РАМУ СПИНКИ ПЕРЕДНЕГО СИДЕНЬЯ (ВОДИТЕЛЯ)) (см. стр.Click here)

  5. Click here

    ПРОВЕРЬТЕ ЖГУТ ПРОВОДОВ И РАЗЪЕМ (ПЕРЕКЛЮЧАТЕЛЬ ЭЛЕКТРОПРИВОДА ПЕРЕДНЕГО СИДЕНЬЯ (ВОДИТЕЛЯ) – ЭЛЕКТРОДВИГАТЕЛЬ НАКЛОНА)


    1. Отсоедините разъем W10 переключателя электропривода переднего сиденья (водителя).

    2. Измерьте сопротивление в соответствии со значениями, приведенными в таблице ниже.

      Номинальное сопротивление
      Подключение диагностического прибора Условие Заданные условия
      W10-11 (SSRR) - Y3-2 Всегда Менее 1 Ом
      W10-1 (SGND) - Y3-3 Всегда Менее 1 Ом
      W10-11 (SSRR) - масса Всегда 10 кОм или более
      W10-1 (SGND) - масса Всегда 10 кОм или более

    • OK

      ЗАМЕНИТЕ ПЕРЕКЛЮЧАТЕЛЬ ЭЛЕКТРОПРИВОДА ПЕРЕДНЕГО СИДЕНЬЯ (ВОДИТЕЛЯ) (см. стр.Click here)

    • NG

      ОТРЕМОНТИРУЙТЕ ИЛИ ЗАМЕНИТЕ ЖГУТ ПРОВОДОВ ИЛИ РАЗЪЕМ

  6. Click here

    ПРОВЕРЬТЕ ЭЛЕКТРОДВИГАТЕЛЬ НАКЛОНА (РАМУ СПИНКИ ПЕРЕДНЕГО СИДЕНЬЯ (ВОДИТЕЛЯ))


    1. A0007P8E14

      Отсоедините разъем Y3 электродвигателя наклона.

    2. Убедитесь, что когда к контактам разъема электродвигателя наклона подключена вспомогательная аккумуляторная батарея, спинка сиденья плавно перемещается.

      OK
      Условие Направление перемещения

      Положительный (+) вывод вспомогательной аккумуляторной батареи → контакт 4

      Отрицательный (-) вывод вспомогательной аккумуляторной батареи → контакт 1

      Спинка сиденья перемещается вперед

      Положительный (+) вывод вспомогательной аккумуляторной батареи → контакт 1

      Отрицательный (-) вывод вспомогательной аккумуляторной батареи → контакт 4

      Спинка сиденья перемещается назад
      Table 5. Обозначения на рисунке
      *a

      Устройство с неподсоединенным жгутом проводов

      (Электродвигатель наклона (рама спинки переднего сиденья (водителя)))


    • OKClick here
    • NG

      ЗАМЕНИТЕ ЭЛЕКТРОДВИГАТЕЛЬ НАКЛОНА (РАМУ СПИНКИ ПЕРЕДНЕГО СИДЕНЬЯ (ВОДИТЕЛЯ)) (см. стр.Click here)

  7. Click here

    ПРОВЕРЬТЕ ЖГУТ ПРОВОДОВ И РАЗЪЕМ (ПЕРЕКЛЮЧАТЕЛЬ ЭЛЕКТРОПРИВОДА ПЕРЕДНЕГО СИДЕНЬЯ (ВОДИТЕЛЯ) – ЭЛЕКТРОДВИГАТЕЛЬ НАКЛОНА)


    1. Отсоедините разъем W9 переключателя электропривода переднего сиденья (водителя).

    2. Измерьте сопротивление в соответствии со значениями, приведенными в таблице ниже.

      Номинальное сопротивление
      Подключение диагностического прибора Условие Заданные условия
      W9-9 (RCL+) - Y3-4 Всегда Менее 1 Ом
      W9-11 (RCL-) - Y3-1 Всегда Менее 1 Ом
      W9-9 (RCL+) - масса Всегда 10 кОм или более
      W9-11 (RCL-) - масса Всегда 10 кОм или более

    • OK

      ЗАМЕНИТЕ ПЕРЕКЛЮЧАТЕЛЬ ЭЛЕКТРОПРИВОДА ПЕРЕДНЕГО СИДЕНЬЯ (ВОДИТЕЛЯ) (см. стр.Click here)

    • NG

      ОТРЕМОНТИРУЙТЕ ИЛИ ЗАМЕНИТЕ ЖГУТ ПРОВОДОВ ИЛИ РАЗЪЕМ

  8. Click here

    ВЫПОЛНИТЕ АКТИВНУЮ ДИАГНОСТИКУ С ПОМОЩЬЮ GTS (RECLINING MOTOR)


    1. Подключите GTS к DLC3.

    2. Включите питание (IG).

    3. Включите GTS.

    4. Войдите в следующие меню: Body Electrical / Passenger Seat / Active Test.

    5. Выполните диагностику в режиме ACTIVE TEST в соответствии с указаниями на дисплее GTS.

      Table 6. Passenger Seat (Сиденье пассажира)
      Информация на дисплее прибора Испытываемое устройство Диапазон регулирования Замечание по диагностике
      Seat Reclining Управление наклоном сиденья OFF (ВЫКЛ) / Front (вперед) / Rear (назад) -
      OK
      Электродвигатель работает нормально.

  9. Click here

    ПРОВЕРЬТЕ ПЕРЕКЛЮЧАТЕЛЬ ЭЛЕКТРОПРИВОДА ПЕРЕДНЕГО СИДЕНЬЯ (ПЕРЕДНЕГО ПАССАЖИРА) (ЦЕПЬ ЭЛЕКТРОДВИГАТЕЛЯ НАКЛОНА)


    1. Отсоедините разъем Y3 электродвигателя наклона.

    2. Измерьте напряжение в соответствии со значениями, приведенными в таблице.

      Номинальное напряжение
      Подключение диагностического прибора Условие Заданные условия
      Y3-2 - Y3-3 Переключатель наклона в положении ON (ВКЛ) 4,8 - 5,1 В

  10. Click here

    ПРОВЕРЬТЕ ЭЛЕКТРОДВИГАТЕЛЬ НАКЛОНА (ПРУЖИНУ СПИНКИ РАЗДЕЛЬНОГО ПЕРЕДНЕГО СИДЕНЬЯ)


    1. A0006SXE02

      Подсоедините разъем Y3 электродвигателя наклона.

    2. Измерьте напряжение в соответствии со значениями, приведенными в таблице.

      Номинальное напряжение
      Подключение диагностического прибора Условие Заданные условия
      Y3-2 - масса Переключатель наклона в положении ON (ВКЛ) 4,5 - 4,8 В
      Table 7. Обозначения на рисунке
      *a

      Устройство с подсоединенным жгутом проводов

      (Электродвигатель наклона (пружина спинки переднего раздельного сиденья в сборе))


    • OK

      ЗАМЕНИТЕ ПЕРЕКЛЮЧАТЕЛЬ ЭЛЕКТРОПРИВОДА ПЕРЕДНЕГО СИДЕНЬЯ (ПЕРЕДНЕГО ПАССАЖИРА) (см. стр.Click here)

    • NG

      ЗАМЕНИТЕ ЭЛЕКТРОДВИГАТЕЛЬ НАКЛОНА (ПРУЖИНУ СПИНКИ РАЗДЕЛЬНОГО ПЕРЕДНЕГО СИДЕНЬЯ) (см. стр.Click here)

  11. Click here

    ПРОВЕРЬТЕ ЖГУТ ПРОВОДОВ И РАЗЪЕМ (ПЕРЕКЛЮЧАТЕЛЬ ЭЛЕКТРОПРИВОДА ПЕРЕДНЕГО СИДЕНЬЯ (ПЕРЕДНЕГО ПАССАЖИРА) - ЭЛЕКТРОДВИГАТЕЛЬ НАКЛОНА)


    1. Отсоедините разъем W10 переключателя электропривода переднего сиденья (переднего пассажира).

    2. Измерьте сопротивление в соответствии со значениями, приведенными в таблице ниже.

      Номинальное сопротивление
      Подключение диагностического прибора Условие Заданные условия
      W10-11 (SSRR) - Y3-2 Всегда Менее 1 Ом
      W10-1 (SGND) - Y3-3 Всегда Менее 1 Ом
      W10-11 (SSRR) - масса Всегда 10 кОм или более
      W10-1 (SGND) - масса Всегда 10 кОм или более

    • OK

      ЗАМЕНИТЕ ПЕРЕКЛЮЧАТЕЛЬ ЭЛЕКТРОПРИВОДА ПЕРЕДНЕГО СИДЕНЬЯ (ПЕРЕДНЕГО ПАССАЖИРА) (см. стр.Click here)

    • NG

      ОТРЕМОНТИРУЙТЕ ИЛИ ЗАМЕНИТЕ ЖГУТ ПРОВОДОВ ИЛИ РАЗЪЕМ

  12. Click here

    ПРОВЕРЬТЕ ЭЛЕКТРОДВИГАТЕЛЬ НАКЛОНА (ПРУЖИНУ СПИНКИ РАЗДЕЛЬНОГО ПЕРЕДНЕГО СИДЕНЬЯ)


    1. A0007P8E14

      Отсоедините разъем Y3 электродвигателя наклона.

    2. Убедитесь, что когда к контактам разъема электродвигателя наклона подключена вспомогательная аккумуляторная батарея, спинка сиденья плавно перемещается.

      OK
      Условие Направление перемещения

      Положительный (+) вывод вспомогательной аккумуляторной батареи → контакт 4

      Отрицательный (-) вывод вспомогательной аккумуляторной батареи → контакт 1

      Спинка сиденья перемещается вперед

      Положительный (+) вывод вспомогательной аккумуляторной батареи → контакт 1

      Отрицательный (-) вывод вспомогательной аккумуляторной батареи → контакт 4

      Спинка сиденья перемещается назад
      Table 8. Обозначения на рисунке
      *a

      Устройство с неподсоединенным жгутом проводов

      (Электродвигатель наклона (пружина спинки переднего раздельного сиденья в сборе))


    • OKClick here
    • NG

      ЗАМЕНИТЕ ЭЛЕКТРОДВИГАТЕЛЬ НАКЛОНА (ПРУЖИНУ СПИНКИ РАЗДЕЛЬНОГО ПЕРЕДНЕГО СИДЕНЬЯ) (см. стр.Click here)

  13. Click here

    ПРОВЕРЬТЕ ЖГУТ ПРОВОДОВ И РАЗЪЕМ (ПЕРЕКЛЮЧАТЕЛЬ ЭЛЕКТРОПРИВОДА ПЕРЕДНЕГО СИДЕНЬЯ (ПЕРЕДНЕГО ПАССАЖИРА) - ЭЛЕКТРОДВИГАТЕЛЬ НАКЛОНА)


    1. Отсоедините разъем W9 переключателя электропривода переднего сиденья (переднего пассажира).

    2. Измерьте сопротивление в соответствии со значениями, приведенными в таблице ниже.

      Номинальное сопротивление
      Подключение диагностического прибора Условие Заданные условия
      W9-9 (RCL+) - Y3-4 Всегда Менее 1 Ом
      W9-11 (RCL-) - Y3-1 Всегда Менее 1 Ом
      W9-9 (RCL+) - масса Всегда 10 кОм или более
      W9-11 (RCL-) - масса Всегда 10 кОм или более

    • OK

      ЗАМЕНИТЕ ПЕРЕКЛЮЧАТЕЛЬ ЭЛЕКТРОПРИВОДА ПЕРЕДНЕГО СИДЕНЬЯ (ПЕРЕДНЕГО ПАССАЖИРА) (см. стр.Click here)

    • NG

      ОТРЕМОНТИРУЙТЕ ИЛИ ЗАМЕНИТЕ ЖГУТ ПРОВОДОВ ИЛИ РАЗЪЕМ