WIPER AND WASHER SYSTEM Wiper and Washer Switch Circuit

DESCRIPTION

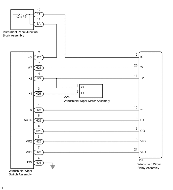
This circuit detects the state of the windshield wiper switch assembly (front wiper switch and front washer switch) and sends it to the windshield wiper relay assembly.

WIRING DIAGRAM

A0007J3E07

CAUTION / NOTICE / HINT

Note

Inspect the fuses for circuits related to this system before performing the following inspection procedure.

PROCEDURE


  1. INSPECT WINDSHIELD WIPER SWITCH ASSEMBLY


    1. A00066AE05
      Text in Illustration
      *1 Windshield Wiper Switch Assembly (Adjusting lever Position)
      *a

      Component without harness connected

      (Windshield Wiper Switch Assembly)

      Remove the windshield wiper switch assembly Click here.

    2. Measure the resistance according to the value(s) in the table below.

      Standard Resistance
      Front Wiper Switch
      Tester Connection Condition Specified Condition
      H25-3 (+1) - H25-1 (+S) OFF Below 1 Ω
      AUTO
      H25-3 (+1) - H25-2 (+B) MIST
      LO
      H25-2 (+B) - H25-4 (+2) HI
      H25-8 (AUTO) - H25-9 (E) AUTO
      Front Washer Switch
      Tester Connection Condition Specified Condition
      H24-4 (EW) - H24-7 (WF) ON Below 1 Ω
      OFF 10 kΩ or higher
      Adjusting lever*
      Tester Connection Condition Specified Condition
      H25-7 (VR1) - H25-6 (VR2) P1 209 to 231 Ω
      P2 114 to 126 Ω
      P3 58.9 to 65.1 Ω
      P4 Below 1 Ω

      Tech Tips

      *: The rain sensor sensitivity can be adjusted by the windshield wiper switch assembly adjusting lever.


    NG
    OK
  2. CHECK HARNESS AND CONNECTOR (WINDSHIELD WIPER SWITCH ASSEMBLY - WINDSHIELD WIPER RELAY ASSEMBLY AND BODY GROUND)


    1. Disconnect the H51 windshield wiper relay assembly connector.

    2. Disconnect the A25 windshield wiper motor assembly.

    3. Disconnect the 3A instrument panel junction block assembly.

    4. Measure the resistance according to the value(s) in the table below.

      Standard Resistance
      Tester Connection Condition Specified Condition
      H24-4 (EW) - Body ground Always Below 1 Ω
      H24-7 (WF) - H51-25 (W) Always Below 1 Ω
      H24-7 (WF) - Body ground Always 10 kΩ or higher
      H25-1 (+S) - H51-10 (+1) Always Below 1 Ω
      H25-1 (+S) - Body ground Always 10 kΩ or higher
      H25-2 (+B) - 3A-11 Always Below 1 Ω
      H25-2 (+B) - Body ground Always 10 kΩ or higher
      H25-3 (+1) - A25-5 (+1) Always Below 1 Ω
      H25-3 (+1) - Body ground Always 10 kΩ or higher
      H25-4 (+2) - H51-11 (+2) Always Below 1 Ω
      H25-4 (+2) - A25-3 (+2) Always Below 1 Ω
      H25-4 (+2) - Body ground Always 10 kΩ or higher
      H25-6 (VR2) - H51-8 (VR2) Always Below 1 Ω
      H25-6 (VR2) - Body ground Always 10 kΩ or higher
      H25-7 (VR1) - H51-21 (VR1) Always Below 1 Ω
      H25-7 (VR1) - Body ground Always 10 kΩ or higher
      H25-8 (AUTO) - H51-3 (C1) Always Below 1 Ω
      H25-8 (AUTO) - Body ground Always 10 kΩ or higher
      H25-9 (E) - H51-5 (CO) Always Below 1 Ω
      H25-9 (E) - Body ground Always 10 kΩ or higher

    OK
    NG