CAN COMMUNICATION SYSTEM(w/o Central Gateway ECU) Check CAN Bus Lines for Short Circuit (RHD Models)

DESCRIPTION

There may be a short circuit between the V bus main lines and/or CAN branch lines when the resistance between terminals 6 (CANH) and 14 (CANL) of the DLC3 is below 54 Ω.

Symptom Trouble Area
Resistance between terminals 6 (CANH) and 14 (CANL) of DLC3 is below 54 Ω.
  • Short in CAN main bus line

  • Short in CAN branch line

  • Power management control ECU

  • ECM

  • Main body ECU (multiplex network body ECU)

  • Combination meter assembly

  • Brake booster with master cylinder assembly (skid control ECU)

  • Steering sensor

  • Power steering ECU with motor assembly

  • Airbag sensor assembly

  • Air conditioning amplifier assembly

  • Certification ECU (smart key ECU assembly)

  • Multi-media module receiver assembly*

  • Clearance warning ECU assembly

  • CAN junction connector LH1

  • CAN junction connector RH1


WIRING DIAGRAM

A0008DSE09
A0005CYE08

CAUTION / NOTICE / HINT

Note


  • Before measuring the resistance of the CAN bus, turn the power switch off and leave the vehicle for 1 minute or more without operating the key, switches or opening or closing the doors. After that, disconnect the cable from the negative (-) auxiliary battery terminal and leave the vehicle for 1 minute or more before measuring the resistance.

  • After turning the power switch off, waiting time may be required before disconnecting the cable from the negative (-) auxiliary battery terminal. Therefore, make sure to read the disconnecting the cable from the negative (-) auxiliary battery terminal notices before proceeding with work Click here.

  • Because the order of diagnosis is important to allow correct diagnosis, make sure to begin troubleshooting using How to Proceed with Troubleshooting when CAN communication system related DTCs are output Click here.

  • After performing repairs, perform the DTC check procedure and confirm that the DTCs are not output again.

  • DTC check procedure: Turn the power switch on (IG), turn the cruise control main switch on, turn the blind spot monitor main switch on, wait at least 60 seconds and then drive the vehicle at a speed of 36 km/h (22 mph) or more for 7 seconds or more.

  • After the repair, perform CAN bus check and check that all the ECUs and sensors connected to the CAN communication system are displayed Click here.

  • If the main body ECU (multiplex network body ECU) is replaced, refer to Service Bulletin.

Tech Tips


  • Operating the power switch, any other switches or a door triggers related ECU and sensor communication on the CAN. This communication will cause the resistance value to change.

  • Even after DTCs are cleared, if a DTC is stored again after driving the vehicle for a while, the malfunction may be occurring due to vibration of the vehicle. In such a case, wiggling the ECUs or wire harness while performing the inspection below may help determine the cause of the malfunction.

  • Connectors that connect to the CAN junction connector can be distinguished by the color of their CAN bus lines. When the connectors have been disconnected from the CAN junction connector, reconnecting the connectors to non-original positions on the CAN junction connector does not affect system performance. However, it is preferred to reconnect the connectors to their original positions to avoid negative effects on the wiring such as tension on the wiring harnesses, and to make future maintenance easier.

PROCEDURE


  1. CHECK FOR SHORT IN CAN BUS LINES (DLC3 BRANCH LINE)


    1. Disconnect the cable from the negative (-) auxiliary battery terminal.

    2. A000587E02
      Text in Illustration
      *a

      Rear view of wire harness connector

      (to CAN Junction Connector RH1)

      *b to DLC3

      Disconnect the H119 DLC3 branch line connector.

      Note


      • Before disconnecting the connector, make a note of where it is connected.

      • Reconnect the connector to its original position.

    3. A0004RVE03
      Text in Illustration
      *1 DLC3

      Measure the resistance according to the value(s) in the table below.

      Standard Resistance
      Tester Connection Condition Specified Condition
      H29-6 (CANH) - H29-14 (CANL) Cable disconnected from negative (-) auxiliary battery terminal 1 MΩ or higher

    NG
    OK
  2. CHECK FOR SHORT IN CAN BUS LINES (BRANCH LINE)


    1. Reconnect the H119 DLC3 branch line connector.

    2. A0004RVE03
      Text in Illustration
      *1 DLC3

      Connect the probes of an ohmmeter to terminals 6 (CANH) and 14 (CANL) of the DLC3.

    3. While observing the resistance value shown on the tester, disconnect connectors (H118, H120, H121, H123, H124, H127, H128, H130, H131 and H132) from the CAN junction connector LH1 or CAN junction connector RH1 one by one until the resistance becomes normal (between 54 and 69 Ω).

      Tech Tips

      Disconnect the branch line connectors other than those of the DLC3.

      A0006CBE06
      Text in Illustration
      *A w/ Navigation System - -
      *1 Power Management Control ECU *2 ECM
      *3 Air Conditioning Amplifier Assembly *4 Airbag Sensor Assembly
      *5 Main Body ECU (Multiplex Network Body ECU) *6 Power Steering ECU with Motor Assembly
      *7 Multi-media Module Receiver Assembly *8 Combination Meter Assembly
      *9 Clearance Warning ECU Assembly *10 DLC3
      *11 Brake Booster with Master Cylinder Assembly (Skid Control ECU) *12 Steering Sensor
      *13 Certification ECU (Smart Key ECU Assembly) *14 CAN Junction Connector LH1
      *15 CAN Junction Connector RH1 - -
      A0008Z6E05
      Text in Illustration
      *a

      Component without harness connected

      (CAN Junction Connector RH1)

      - -
      Wiring Color
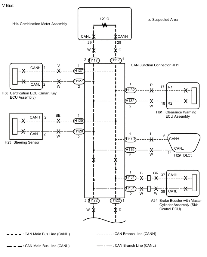
      CAN Junction Connector RH1 Side Code Color (CANH Side) Color (CANL Side)
      CAN main bus line (bus line connecting CAN junction connector LH1 and CAN junction connector RH1) H122 R W
      Combination meter assembly H117 G W
      DLC3 H119 L W
      Steering sensor H120 BE W
      Certification ECU (smart key ECU assembly) H127 V W
      Brake booster with master cylinder assembly (skid control ECU) H131 B W
      Clearance warning ECU assembly H132 P W
      A00085KE15
      Text in Illustration
      *a

      Component without harness connected

      (CAN Junction Connector LH1)

      - -
      Wiring Color
      CAN Junction Connector LH1 Side Code Color (CANH Side) Color (CANL Side)
      Main body ECU (multiplex network body ECU assembly) H118 V W
      Power steering ECU with motor assembly H121 P W
      CAN main bus line (bus line connecting CAN junction connector LH1 and CAN junction connector RH1) H116 R W
      Air conditioning amplifier assembly H123 G W
      Airbag sensor assembly H124 Y W
      ECM H125 L W
      Multi-media module receiver assembly* H128 BE W
      Power management control ECU H130 B W

      *: w/ Navigation system

      Note

      Do not reconnect the disconnected connectors until this inspection is complete because there may be a short in 2 or more branch lines.

      Result
      Symptom Proceed to
      The resistance is still below 54 Ω when all the specified connectors are disconnected. (There are no shorts between a pair of branch lines.) A
      The resistance becomes normal (between 54 and 69 Ω) when a connector is disconnected. (There is a short between one or more pairs of branch lines.) B
    4. When there is a short in one or more of the branch lines:


      1. Reconnect all of the connectors to the CAN junction connectors, except for the one that was disconnected last (the short-circuited bus line). Check that the resistance shown on the tester is normal (between 54 and 69 Ω) to confirm that there is a short in the one branch line only.

        Tech Tips


        • Connectors that connect to the CAN junction connector can be distinguished by the color of their CAN bus lines.

        • Reconnecting the connectors to non-original positions on the CAN junction connector does not affect system performance. However, it is preferred to reconnect the connectors to their original positions to avoid negative effects on the wiring such as tension on the wiring harnesses, and to make future maintenance easier.


    B
    A
  3. CHECK FOR SHORT IN CAN BUS LINES (COMBINATION METER ASSEMBLY MAIN BUS LINE)


    1. A00068CE02
      Text in Illustration
      *a

      Rear view of wire harness connector

      (to CAN Junction Connector RH1)

      *b to Combination Meter Assembly

      Disconnect the H117 combination meter assembly main bus line connector.

      Note


      • Before disconnecting the connector, make a note of where it is connected.

      • Reconnect the connector to its original position.

    2. A0004RVE03
      Text in Illustration
      *1 DLC3

      Measure the resistance according to the value(s) in the table below.

      Standard Resistance
      Tester Connection Condition Specified Condition
      H29-6 (CANH) - H29-14 (CANL) Cable disconnected from negative (-) auxiliary battery terminal 108 to 132 Ω
      Result
      Symptom Proceed to
      The resistance is still below 54 Ω when the combination meter assembly connector is disconnected. (There are no shorts in the combination meter assembly or between its main bus lines.) A
      The resistance falls within the specified range (between 108 and 132 Ω) (the other terminating resistor is normal) when the combination meter assembly connector is disconnected. (There is a short in the combination meter assembly or between its main bus lines.) B

    B
    A
  4. CHECK FOR SHORT IN CAN BUS LINES (ECM MAIN BUS LINE)


    1. A0009J0E02
      Text in Illustration
      *a

      Rear view of wire harness connector

      (to CAN Junction Connector LH1)

      *b to ECM

      Disconnect the H125 ECM main bus line connector.

      Note


      • Before disconnecting the connector, make a note of where it is connected.

      • Reconnect the connector to its original position.

    2. A0004RVE03
      Text in Illustration
      *1 DLC3

      Measure the resistance according to the value(s) in the table below.

      Standard Resistance
      Tester Connection Condition Specified Condition
      H29-6 (CANH) - H29-14 (CANL) Cable disconnected from negative (-) auxiliary battery terminal 1 MΩ or higher

      Tech Tips

      Measure the resistance with the combination meter assembly main bus line connector (H117) disconnected.

      Result
      Symptom Proceed to
      The resistance is still below 1 MΩ when the ECM connector is disconnected. (There are no shorts in the ECM or between its main bus lines.) A
      The resistance becomes 1 MΩ or more when the ECM connector is disconnected. (There is a short in the ECM or between its main bus lines.) B

    B
    A
  5. CHECK FOR SHORT IN CAN BUS LINES (CAN J/C RH1)


    1. A0003FCE02
      Text in Illustration
      *a

      Rear view of wire harness connector

      (to CAN Junction Connector RH1)

      *b to CAN Junction Connector LH1

      Disconnect the H122 CAN main bus line connector.

      Note


      • Before disconnecting the connector, make a note of where it is connected.

      • Reconnect the connector to its original position.

    2. A0004RVE03
      Text in Illustration
      *1 DLC3

      Measure the resistance according to the value(s) in the table below.

      Standard Resistance
      Tester Connection Condition Specified Condition
      H29-6 (CANH) - H29-14 (CANL) Cable disconnected from negative (-) auxiliary battery terminal 1 MΩ or higher

    NG
    OK
  6. CHECK FOR SHORT IN CAN BUS LINES (CAN J/C LH1 - CAN J/C RH1)


    1. Reconnect the H122 CAN main bus line connector.

    2. A0007CDE02
      Text in Illustration
      *a

      Rear view of wire harness connector

      (to CAN Junction Connector LH1)

      *b to CAN Junction Connector RH1

      Disconnect the H116 CAN main bus line connector.

      Note


      • Before disconnecting the connector, make a note of where it is connected.

      • Reconnect the connector to its original position.

    3. A0004RVE03
      Text in Illustration
      *1 DLC3

      Measure the resistance according to the value(s) in the table below.

      Standard Resistance
      Tester Connection Condition Specified Condition
      H29-6 (CANH) - H29-14 (CANL) Cable disconnected from negative (-) auxiliary battery terminal 1 MΩ or higher

    OK
    NG
  7. CHECK FOR SHORT IN CAN BUS LINES (ECU, SENSOR)


    1. Reconnect the connector for the short-circuited branch line to the CAN junction connector (the connector that caused the bus line resistance to become normal (between 54 and 69 Ω) when it was disconnected).

    2. Disconnect the connector that includes the DLC3 connected CAN lines (such as CANH and CANL) from the ECU (or sensor) to which the short-circuited branch line is connected Click here.

    3. A0004RVE03
      Text in Illustration
      *1 DLC3

      Measure the resistance according to the value(s) in the table below.

      Standard Resistance
      Tester Connection Condition Specified Condition
      H29-6 (CANH) - H29-14 (CANL) Cable disconnected from negative (-) auxiliary battery terminal 54 to 69 Ω

      Tech Tips

      If the resistance becomes normal (between 54 and 69 Ω) when the connector is disconnected from the ECU (or sensor), there may be a short in the ECU (or sensor).


    OK
    NG
  8. CHECK FOR SHORT IN CAN BUS LINES (COMBINATION METER ASSEMBLY)


    1. Reconnect the H117 combination meter assembly main bus line connector.

    2. Disconnect the H14 combination meter assembly connector.

    3. A0004RVE03
      Text in Illustration
      *1 DLC3

      Measure the resistance according to the value(s) in the table below.

      Standard Resistance
      Tester Connection Condition Specified Condition
      H29-6 (CANH) - H29-14 (CANL) Cable disconnected from negative (-) auxiliary battery terminal 108 to 132 Ω

      Tech Tips

      If the resistance becomes normal (between 108 to 132 Ω) when the connector is disconnected, there may be a short in the combination meter assembly.


    OK
    NG
  9. CHECK FOR SHORT IN CAN BUS LINES (ECM)


    1. Reconnect the H125 ECM main bus line connector.

    2. Disconnect the A22 ECM connector.

    3. A0004RVE03
      Text in Illustration
      *1 DLC3

      Measure the resistance according to the value(s) in the table below.

      Standard Resistance
      Tester Connection Condition Specified Condition
      H29-6 (CANH) - H29-14 (CANL) Cable disconnected from negative (-) auxiliary battery terminal 1 MΩ or higher

      Tech Tips


      • Measure the resistance with the combination meter assembly main bus line connector (H117) disconnected.

      • If the resistance changes to 1 MΩ or more when the connector is disconnected, there may be a short in the ECM.


    OK
    NG