CAN COMMUNICATION SYSTEM(w/o Central Gateway ECU) Combination Meter ECU Communication Stop Mode

DESCRIPTION

Detection Item Symptom Trouble Area
Combination Meter ECU Communication Stop Mode

Either condition is met:


  • "Combination Meter" is not displayed on the CAN Bus Check screen of the GTS Click here

  • Communication system DTCs (DTCs that start with U) that correspond to "Combination Meter ECU Communication Stop Mode" in "DTC Combination Table" are output Click here


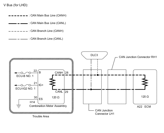
  • Combination meter assembly main line or connector

  • Power source circuit of combination meter assembly

  • Combination meter assembly ground circuit

  • Combination meter assembly

WIRING DIAGRAM

A0007C0E38
A0007C0E39

CAUTION / NOTICE / HINT

Note


  • Before measuring the resistance of the CAN bus, turn the power switch off and leave the vehicle for 1 minute or more without operating the key, switches or opening or closing the doors. After that, disconnect the cable from the negative (-) auxiliary battery terminal and leave the vehicle for 1 minute or more before measuring the resistance.

  • After turning the power switch off, waiting time may be required before disconnecting the cable from the negative (-) auxiliary battery terminal. Therefore, make sure to read the disconnecting the cable from the negative (-) auxiliary battery terminal notices before proceeding with work Click here.

  • Because the order of diagnosis is important to allow correct diagnosis, make sure to begin troubleshooting using How to Proceed with Troubleshooting when CAN communication system related DTCs are output Click here.

  • After performing repairs, perform the DTC check procedure and confirm that the DTCs are not output again.

  • DTC check procedure: Turn the power switch on (IG) and wait at least 52 seconds.

  • After the repair, perform CAN bus check and check that all the ECUs and sensors connected to the CAN communication system are displayed Click here.

Tech Tips


  • Operating the power switch, any other switches or a door triggers related ECU and sensor communication on the CAN. This communication will cause the resistance value to change.

  • Even after DTCs are cleared, if a DTC is stored again after driving the vehicle for a while, the malfunction may be occurring due to vibration of the vehicle. In such a case, wiggling the ECUs or wire harness while performing the inspection below may help determine the cause of the malfunction.

PROCEDURE


  1. CHECK FOR OPEN IN CAN BUS LINES (COMBINATION METER ASSEMBLY MAIN LINE)


    1. Disconnect the cable from the negative (-) auxiliary battery terminal.

    2. A0005FVE02
      Text in Illustration
      *a

      Front view of wire harness connector

      (to Combination Meter Assembly)

      Disconnect the H14 combination meter assembly connector.

    3. Measure the resistance according to the value(s) in the table below.

      Standard Resistance
      Tester Connection Condition Specified Condition
      H14-28 (CANH) - H14-29 (CANL) Cable disconnected from negative (-) auxiliary battery terminal 108 to 132 Ω

    NG
    OK
  2. CHECK HARNESS AND CONNECTOR (POWER SOURCE CIRCUIT)


    1. A0003FQE02
      Text in Illustration
      *a

      Front view of wire harness connector

      (to Combination Meter Assembly)

      Measure the resistance according to the value(s) in the table below.

      Standard Resistance
      Tester Connection Condition Specified Condition
      H14-30 (ES) - Body ground Cable disconnected from negative (-) auxiliary battery terminal Below 1 Ω
    2. Connect the cable to the negative (-) auxiliary battery terminal.

    3. Measure the voltage according to the value(s) in the table below.

      Standard Voltage
      Tester Connection Condition Specified Condition
      H14-21 (IG+) - Body ground Power switch on (IG) 11 to 14 V
      H14-22 (B) - Body ground Power switch off 11 to 14 V

    OK
    NG