CAN COMMUNICATION SYSTEM(w/o Central Gateway ECU) Main Body ECU Communication Stop Mode

DESCRIPTION

Detection Item Symptom Trouble Area
Main Body ECU Communication Stop Mode

Either condition is met:


  • "Main Body" is not displayed on the CAN Bus Check screen of the GTS Click here

  • Communication system DTCs (DTCs that start with U) that correspond to "Main Body ECU Communication Stop Mode" in "DTC Combination Table" are output Click here


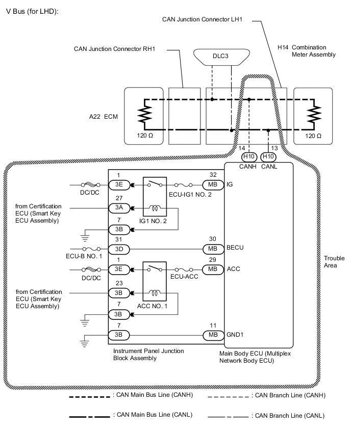
  • Main body ECU (multiplex network body ECU) branch line or connector

  • Power source circuit of main body ECU (multiplex network body ECU) or instrument panel junction block assembly

  • Main body ECU (multiplex network body ECU) ground circuit or instrument panel junction block assembly

  • Main body ECU (multiplex network body ECU) or instrument panel junction block assembly

WIRING DIAGRAM

A0008KJE11
A0006TAE05

CAUTION / NOTICE / HINT

Note


  • Before measuring the resistance of the CAN bus, turn the power switch off and leave the vehicle for 1 minute or more without operating the key or any switches, or opening or closing the doors. After that, disconnect the cable from the negative (-) auxiliary battery terminal and leave the vehicle for 1 minute or more before measuring the resistance.

  • After turning the power switch off, waiting time may be required before disconnecting the cable from the negative (-) auxiliary battery terminal. Therefore, make sure to read the disconnecting the cable from the negative (-) auxiliary battery terminal notices before proceeding with work Click here.

  • Because the order of diagnosis is important to allow correct diagnosis, make sure to begin troubleshooting using How to Proceed with Troubleshooting when CAN communication system related DTCs are output Click here.

  • After performing repairs, perform the DTC check procedure and confirm that the DTCs are not output again.

  • DTC check procedure: Turn the power switch on (IG) and wait at least 20 seconds.

  • After the repair, perform the CAN bus check and check that all the ECUs and sensors connected to the CAN communication system are displayed Click here.

  • If the main body ECU (multiplex network body ECU) is replaced, refer to Service Bulletin.

Tech Tips


  • Operating the power switch, any other switches or a door triggers related ECU and sensor communication on the CAN. This communication will cause the resistance value to change.

  • Even after DTCs are cleared, if a DTC is stored again after driving the vehicle for a while, the malfunction may be occurring due to vibration of the vehicle. In such a case, wiggling the ECUs or wire harness while performing the inspection below may help determine the cause of the malfunction.

PROCEDURE


  1. CHECK FOR OPEN IN CAN BUS LINES (MAIN BODY ECU (MULTIPLEX NETWORK BODY ECU) BRANCH LINE)


    1. Disconnect the cable from the negative (-) auxiliary battery terminal.

    2. A00081UE03
      Text in Illustration
      *a

      Front view of wire harness connector

      (to Main Body ECU (Multiplex Network Body ECU))

      Disconnect the H10 main body ECU (multiplex network body ECU) connector.

    3. Measure the resistance according to the value(s) in the table below.

      Standard Resistance
      Tester Connection Condition Specified Condition
      H10-14 (CANH) - H10-13 (CANL) Cable disconnected from negative (-) auxiliary battery terminal 54 to 69 Ω

    NG
    OK
  2. CHECK HARNESS AND CONNECTOR (POWER SOURCE CIRCUIT)


    1. A0006WZE06
      Text in Illustration
      *a

      Front view of wire harness connector

      (to Instrument Panel Junction Block Assembly)

      Disconnect the 3B instrument panel junction block assembly connector.

    2. Disconnect the 3D instrument panel junction block assembly connector.

    3. Measure the resistance according to the value(s) in the table below.

      Standard Resistance
      Tester Connection Condition Specified Condition
      3B-7 (GND1) - Body ground Cable disconnected from negative (-) auxiliary battery terminal Below 1 Ω
    4. Reconnect the cable to the negative (-) auxiliary battery terminal.

    5. Measure the voltage according to the value(s) in the table below.

      Standard Voltage
      Tester Connection Condition Specified Condition
      3D-31 (BECU) - Body ground Power switch off 11 to 14 V

    NG
    OK
  3. INSPECT INSTRUMENT PANEL JUNCTION BLOCK ASSEMBLY (IG1 NO. 2 RELAY AND ACC NO. 1 RELAY)


    1. Remove the instrument panel junction block assembly Click here.

    2. Remove the main body ECU (multiplex network body ECU) from the instrument panel junction block assembly.

    3. Measure the resistance according to the value(s) in the table below.

      A0004EJE02
      Text in Illustration
      *A for LHD *B for RHD
      *a

      Component without harness connected

      (Instrument Panel Junction Block Assembly)

      - -
      Standard Resistance
      Tester Connection Condition Specified Condition

      3E-1 - MB-32 (IG)*1

      3F-1 - MB-32 (IG)*2

      Always 10 kΩ or higher

      3E-1 - MB-32 (IG)*1

      3F-1 - MB-32 (IG)*2

      Auxiliary battery positive (+) → 3A-27

      Auxiliary battery negative (-) → 3B-7

      Below 1 Ω

      3E-1 - MB-29 (ACC)*1

      3F-1 - MB-29 (ACC)*2

      Always 10 kΩ or higher

      3E-1 - MB-29 (ACC)*1

      3F-1 - MB-29 (ACC)*2

      Auxiliary battery positive (+) → 3B-23

      Auxiliary battery negative (-) → 3B-7

      Below 1 Ω

      • *1: for LHD

      • *2: for RHD


    OK
    NG