CAN COMMUNICATION SYSTEM(w/o Central Gateway ECU) Check CAN Bus Line for Short to +B (RHD Models)

DESCRIPTION

There may be a short circuit between one of the CAN bus lines and +B when no resistance exists between terminals 6 (CANH) and 16 (BAT) or 14 (CANL) and 16 (BAT) of the DLC3.

Symptom Trouble Area
No resistance exists between terminals 6 (CANH) and 16 (BAT) or 14 (CANL) and 16 (BAT) of the DLC3.
  • Short in CAN main bus line

  • Short in CAN branch line

  • Hybrid vehicle control ECU assembly

  • ECM

  • Main body ECU (multiplex network body ECU)

  • Combination meter assembly

  • Brake booster with master cylinder assembly (skid control ECU)

  • Steering sensor

  • Power steering ECU with motor assembly

  • Airbag sensor assembly

  • Air conditioning amplifier assembly

  • Certification ECU (smart key ECU assembly)

  • Radio receiver assembly*1*2

  • Clearance warning ECU assembly

  • Headlight leveling ECU (headlight swivel ECU assembly)

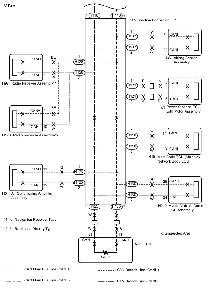
  • CAN junction connector LH1

  • CAN junction connector RH1


WIRING DIAGRAM

A0004JLE02
A0004W4E06

CAUTION / NOTICE / HINT

Note


  • Before measuring the resistance of the CAN bus, turn the power switch off and leave the vehicle for 1 minute or more without operating the key or any switches, or opening or closing the doors. After that, disconnect the cable from the negative (-) auxiliary battery terminal and leave the vehicle for 1 minute or more before measuring the resistance.

  • After turning the power switch off, waiting time may be required before disconnecting the cable from the negative (-) auxiliary battery terminal. Therefore, make sure to read the disconnecting the cable from the negative (-) auxiliary battery terminal notices before proceeding with work Click here.

  • Because the order of diagnosis is important to allow correct diagnosis, make sure to begin troubleshooting using How to Proceed with Troubleshooting when CAN communication system related DTCs are output Click here.

  • After performing repairs, perform the DTC check procedure and confirm that the DTCs are not output again.

  • DTC check procedure: Turn the power switch on (IG), wait at least 60 seconds, then drive the vehicle at a speed of 20 km/h (12 mph) or more for 5 minutes or more, turn the cruise control main switch on and wait at least 3.58 seconds.

  • After the repair, perform the CAN bus check and check that all the ECUs and sensors connected to the CAN communication system are displayed Click here.

  • If the main body ECU (multiplex network body ECU) is replaced, refer to Service Bulletin.

Tech Tips


  • Operating the power switch, any other switches or a door triggers related ECU and sensor communication on the CAN. This communication will cause the resistance value to change.

  • Even after DTCs are cleared, if a DTC is stored again after driving the vehicle for a while, the malfunction may be occurring due to vibration of the vehicle. In such a case, wiggling the ECUs or wire harness while performing the inspection below may help determine the cause of the malfunction.

  • Connectors that connect to the CAN junction connector can be distinguished by the color of their CAN bus lines. When the connectors have been disconnected from the CAN junction connector, reconnecting the connectors to non-original positions on the CAN junction connector does not affect system performance. However, it is preferred to reconnect the connectors to their original positions to avoid negative effects on the wiring such as tension on the wire harnesses, and to make future maintenance easier.

PROCEDURE


  1. CHECK FOR SHORT TO +B IN CAN BUS LINE (DLC3 BRANCH LINE)


    1. Disconnect the cable from the negative (-) auxiliary battery terminal.

    2. A0009DUE02
      Text in Illustration
      *a

      Rear view of wire harness connector

      (to CAN Junction Connector RH1)

      *b to DLC3

      Disconnect the H119 DLC3 branch line connector.

      Note


      • Before disconnecting the connector, make a note of where it is connected.

      • Reconnect the connector to its original position.

    3. A0007BJE03
      Text in Illustration
      *1 DLC3

      Measure the resistance according to the value(s) in the table below.

      Standard Resistance
      Tester Connection Condition Specified Condition
      H29-6 (CANH) - H29-16 (BAT) Cable disconnected from negative (-) auxiliary battery terminal 6 kΩ or higher
      H29-14 (CANL) - H29-16 (BAT) Cable disconnected from negative (-) auxiliary battery terminal 6 kΩ or higher

    NG
    OK
  2. CHECK FOR SHORT TO +B IN CAN BUS LINE


    1. Reconnect the H119 DLC3 branch line connector.

    2. A0007BJE03
      Text in Illustration
      *1 DLC3

      Disconnect the connectors from the CAN junction connector LH1 and CAN junction connector RH1 one at a time.

      Tech Tips

      Disconnect the ECU and sensor connectors other than the DLC3 branch lines and CAN main bus lines between the CAN junction connector LH1 and CAN junction connector RH1.

    3. Using an electrical tester, measure the resistance between terminals 6 (CANH) and 16 (BAT), and between terminals 14 (CANL) and 16 (BAT) of the DLC3 each time a connector is disconnected.

      A0006B4E02
      Text in Illustration
      *A for Navigation Receiver Type *B for Radio and Display Type
      *1 Radio Receiver Assembly *2 Power Steering ECU with Motor Assembly
      *3 Main Body ECU (Multiplex Network Body ECU) *4 Airbag Sensor Assembly
      *5 ECM *6 Air Conditioning Amplifier Assembly
      *7 Hybrid Vehicle Control ECU Assembly *8 CAN Junction Connector LH1
      *9 Brake Booster with Master Cylinder Assembly (Skid Control ECU) *10 Combination Meter Assembly
      *11 DLC3 *12 Certification ECU (Smart Key ECU Assembly)
      *13 Clearance Warning ECU Assembly *14 Steering Sensor
      *15 Headlight Leveling ECU (Headlight Swivel ECU Assembly) *16 CAN Junction Connector RH1
      A0004UUE02
      Text in Illustration
      *a

      Component without harness connected

      (CAN Junction Connector RH1)

      - -
      Wiring Color
      CAN Junction Connector RH1 Side Code Color (CANH Side) Color (CANL Side)
      Steering sensor H120 BE W
      Clearance warning ECU assembly H132 P W
      Certification ECU (smart key ECU assembly) H127 V W
      DLC3 H119 L W
      Headlight leveling ECU (headlight swivel ECU assembly) H200 L W
      Combination meter assembly H117 G W
      CAN main bus line (bus line connecting CAN junction connector LH1 and CAN junction connector RH1) H122 R W
      Brake booster with master cylinder assembly (skid control ECU) H131 B W
      A00085KE29
      Text in Illustration
      *a

      Component without harness connected

      (CAN Junction Connector LH1)

      - -
      Wiring Color
      CAN Junction Connector LH1 Side Code Color (CANH Side) Color (CANL Side)
      Hybrid vehicle control ECU assembly H130 B W
      CAN main bus line (bus line connecting CAN junction connector LH1 and CAN junction connector RH1) H116 R W
      Air conditioning amplifier assembly H123 G W
      ECM H125 L W
      Airbag sensor assembly H207 Y W
      Main body ECU (multiplex network body ECU assembly) H118 V W
      Power steering ECU with motor assembly H121 P W
      Radio receiver assembly*1*2 H128 BE W

      • *1: for Navigation Receiver Type

      • *2: for Radio and Display Type

      Note

      Do not reconnect the disconnected connectors until this inspection is complete because there may be a short in 2 or more branch lines.

      Result
      Symptom Proceed to
      The resistance between terminals 6 (CANH) and 16 (BAT), or the resistance between 14 (CANL) and 16 (BAT) is still below 6 kΩ when all the specified connectors are disconnected from the CAN junction connector. (There is a short to +B in the CAN main bus lines between the CAN junction connector LH1 and CAN junction connector RH1.) A
      The resistance between terminals 6 (CANH) and 16 (BAT), or the resistance between 14 (CANL) and 16 (BAT) becomes normal (6 kΩ or higher) when a connector is disconnected from the CAN junction connector. (There is a short to +B in one of the areas that relate to one or more of the disconnected bus lines.) B
    4. When there is a short to +B in one or more of the bus lines that connect to an ECU or sensor:


      1. Reconnect all of the connectors to the CAN junction connectors, except for the one that was disconnected last (the bus line that is shorted to +B). Check that the resistance shown on the electrical tester is normal (6 kΩ or higher) to confirm that there is a short to +B in the one bus line only.

        Tech Tips


        • Connectors that connect to the CAN junction connector can be distinguished by the color of their CAN bus lines.

        • Reconnecting the connectors to non-original positions on the CAN junction connector does not affect system performance. However, it is preferred to reconnect the connectors to their original positions to avoid negative effects on the wiring such as tension on the wire harnesses, and to make future maintenance easier.

    5. When there is no short to +B in any of the bus lines that connect to the ECUs and sensors:


      1. With all the specified connectors for ECUs and sensors disconnected, proceed with the inspection of the CAN main bus lines between the CAN junction connector LH1 and CAN junction connector RH1.


    B
    A
  3. CHECK FOR SHORT TO +B IN CAN BUS LINE (CAN J/C RH1)


    1. A00068SE02
      Text in Illustration
      *a

      Rear view of wire harness connector

      (to CAN Junction Connector RH1)

      *b to CAN Junction Connector LH1

      Disconnect the H122 CAN main bus line connector.

      Note


      • Before disconnecting the connector, make a note of where it is connected.

      • Reconnect the connector to its original position.

    2. A0007BJE03
      Text in Illustration
      *1 DLC3

      Measure the resistance according to the value(s) in the table below.

      Standard Resistance
      Tester Connection Condition Specified Condition
      H29-6 (CANH) - H29-16 (BAT) Cable disconnected from negative (-) auxiliary battery terminal 6 kΩ or higher
      H29-14 (CANL) - H29-16 (BAT) Cable disconnected from negative (-) auxiliary battery terminal 6 kΩ or higher

    NG
    OK
  4. CHECK FOR SHORT TO +B IN CAN BUS LINE (CAN J/C LH1 - CAN J/C RH1)


    1. Reconnect the H122 CAN main bus line connector.

    2. A0004WJE02
      Text in Illustration
      *a

      Rear view of wire harness connector

      (to CAN Junction Connector LH1)

      *b to CAN Junction Connector RH1

      Disconnect the H116 CAN main bus line connector.

      Note


      • Before disconnecting the connector, make a note of where it is connected.

      • Reconnect the connector to its original position.

    3. A0007BJE03
      Text in Illustration
      *1 DLC3

      Measure the resistance according to the value(s) in the table below.

      Standard Resistance
      Tester Connection Condition Specified Condition
      H29-6 (CANH) - H29-16 (BAT) Cable disconnected from negative (-) auxiliary battery terminal 6 kΩ or higher
      H29-14 (CANL) - H29-16 (BAT) Cable disconnected from negative (-) auxiliary battery terminal 6 kΩ or higher

    OK
    NG
  5. CHECK FOR SHORT TO +B IN CAN BUS LINE (ECU, SENSOR)


    1. Reconnect the connector of the bus line that is shorted to +B to the CAN junction connector (the connector that caused the bus line resistance to change to 6 kΩ or higher when it was disconnected).

    2. A0007BJE03
      Text in Illustration
      *1 DLC3

      Disconnect the connector that includes the DLC3 connected CAN lines (such as CANH and CANL) from the ECU or sensor to which the bus line shorted to +B is connected Click here.

    3. Measure the resistance according to the value(s) in the table below.

      Standard Resistance
      Tester Connection Condition Specified Condition
      H29-6 (CANH) - H29-16 (BAT) Cable disconnected from negative (-) auxiliary battery terminal 6 kΩ or higher
      H29-14 (CANL) - H29-16 (BAT) Cable disconnected from negative (-) auxiliary battery terminal 6 kΩ or higher

      Tech Tips

      If the resistance changes to 6 kΩ or higher when the connector is disconnected from the ECU or sensor, there may be a short in the ECU or sensor.


    OK
    NG