CAN COMMUNICATION SYSTEM(w/o Central Gateway ECU) Check CAN Bus Line for Short to +B (LHD Models)

DESCRIPTION

There may be a short circuit between one of the CAN bus lines and +B when no resistance exists between terminals 6 (CANH) and 16 (BAT) or 14 (CANL) and 16 (BAT) of the DLC3.

Symptom Trouble Area
No resistance exists between terminals 6 (CANH) and 16 (BAT) or 14 (CANL) and 16 (BAT) of the DLC3.
  • Short in CAN main bus line

  • Short in CAN branch line

  • Hybrid vehicle control ECU assembly

  • ECM

  • Main body ECU (multiplex network body ECU)

  • Combination meter assembly

  • Brake booster with master cylinder assembly (skid control ECU)

  • Steering sensor

  • Power steering ECU with motor assembly

  • Airbag sensor assembly

  • Air conditioning amplifier assembly

  • Certification ECU (smart key ECU assembly)

  • Radio receiver assembly*1*2

  • Clearance warning ECU assembly

  • Telematics transceiver*3

  • Headlight leveling ECU (headlight swivel ECU assembly)

  • CAN junction connector LH1

  • CAN junction connector RH1


WIRING DIAGRAM

A00068LE02
A0005C9E02

CAUTION / NOTICE / HINT

Note


  • Before measuring the resistance of the CAN bus, turn the power switch off and leave the vehicle for 1 minute or more without operating the key or any switches, or opening or closing the doors. After that, disconnect the cable from the negative (-) auxiliary battery terminal and leave the vehicle for 1 minute or more before measuring the resistance.

  • After turning the power switch off, waiting time may be required before disconnecting the cable from the negative (-) auxiliary battery terminal. Therefore, make sure to read the disconnecting the cable from the negative (-) auxiliary battery terminal notices before proceeding with work Click here.

  • Because the order of diagnosis is important to allow correct diagnosis, make sure to begin troubleshooting using How to Proceed with Troubleshooting when CAN communication system related DTCs are output Click here.

  • After performing repairs, perform the DTC check procedure and confirm that the DTCs are not output again.

  • DTC check procedure: Turn the power switch on (IG), wait at least 60 seconds, then drive the vehicle at a speed of 20 km/h (12 mph) or more for 5 minutes or more, turn the cruise control main switch on and wait at least 3.58 seconds.

  • After the repair, perform the CAN bus check and check that all the ECUs and sensors connected to the CAN communication system are displayed Click here.

  • If the main body ECU (multiplex network body ECU) is replaced, refer to Service Bulletin.

Tech Tips


  • Operating the power switch, any other switches or a door triggers related ECU and sensor communication on the CAN. This communication will cause the resistance value to change.

  • Even after DTCs are cleared, if a DTC is stored again after driving the vehicle for a while, the malfunction may be occurring due to vibration of the vehicle. In such a case, wiggling the ECUs or wire harness while performing the inspection below may help determine the cause of the malfunction.

  • Connectors that connect to the CAN junction connector can be distinguished by the color of their CAN bus lines. When the connectors have been disconnected from the CAN junction connector, reconnecting the connectors to non-original positions on the CAN junction connector does not affect system performance. However, it is preferred to reconnect the connectors to their original positions to avoid negative effects on the wiring such as tension on the wire harnesses, and to make future maintenance easier.

PROCEDURE


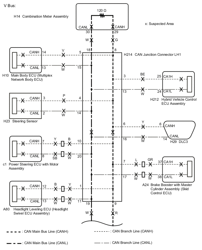
  1. CHECK FOR SHORT TO +B IN CAN BUS LINE (CAN J/C LH1)


    1. Disconnect the cable from the negative (-) auxiliary battery terminal.

    2. Disconnect the H214 CAN junction connector LH1.

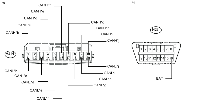
      A00093PE02
      Text in Illustration
      *1 DLC3 - -
      *a

      Front view of wire harness connector

      (to CAN Junction Connector LH1)

      *b to Headlight Leveling ECU (Headlight Swivel ECU Assembly)
      *c to Hybrid Vehicle Control ECU Assembly *d to Steering Sensor
      *e to Main Body ECU (Multiplex Network Body ECU) *f to DLC3
      *g to Brake Booster with Master Cylinder Assembly (Skid Control ECU) *h to Combination Meter Assembly
      *i to CAN Junction Connector RH1 *j to Power Steering ECU with Motor Assembly
    3. Measure the resistance according to the value(s) in the table below.

      Standard Resistance
      Tester Connection Condition Specified Condition Connected to
      H214-1 (CANH) - H29-16 (BAT) Cable disconnected from negative (-) auxiliary battery terminal 6 kΩ or higher Headlight leveling ECU (headlight swivel ECU assembly)
      H214-11 (CANL) - H29-16 (BAT)
      H214-3 (CANH) - H29-16 (BAT) Cable disconnected from negative (-) auxiliary battery terminal 6 kΩ or higher Hybrid vehicle control ECU assembly
      H214-13 (CANL) - H29-16 (BAT)
      H214-4 (CANH) - H29-16 (BAT) Cable disconnected from negative (-) auxiliary battery terminal 6 kΩ or higher Steering sensor
      H214-14 (CANL) - H29-16 (BAT)
      H214-5 (CANH) - H29-16 (BAT) Cable disconnected from negative (-) auxiliary battery terminal 6 kΩ or higher Main body ECU (multiplex network body ECU)
      H214-15 (CANL) - H29-16 (BAT)
      H214-6 (CANH) - H29-16 (BAT) Cable disconnected from negative (-) auxiliary battery terminal 6 kΩ or higher DLC3
      H214-16 (CANL) - H29-16 (BAT)
      H214-7 (CANH) - H29-16 (BAT) Cable disconnected from negative (-) auxiliary battery terminal 6 kΩ or higher Brake booster with master cylinder assembly (skid control ECU)
      H214-17 (CANL) - H29-16 (BAT)
      H214-8 (CANH) - H29-16 (BAT) Cable disconnected from negative (-) auxiliary battery terminal 6 kΩ or higher Combination meter assembly
      H214-18 (CANL) - H29-16 (BAT)
      H214-9 (CANH) - H29-16 (BAT) Cable disconnected from negative (-) auxiliary battery terminal 6 kΩ or higher CAN junction connector RH1
      H214-19 (CANL) - H29-16 (BAT)
      H214-10 (CANH) - H29-16 (BAT) Cable disconnected from negative (-) auxiliary battery terminal 6 kΩ or higher Power steering ECU with motor assembly
      H214-20 (CANL) - H29-16 (BAT)
      Result
      Symptom Proceed to
      OK A
      NG (CAN junction connector RH1 main line) B
      NG (ECU or sensor bus line) C
      NG (DLC3 branch lines) D

    A
    C
    D
    B
  2. CHECK FOR SHORT TO +B IN CAN BUS LINE (CAN J/C LH1 - CAN J/C RH1)


    1. Reconnect the H214 CAN junction connector LH1.

    2. A0008O2E05
      Text in Illustration
      *a

      Rear view of wire harness connector

      (to CAN Junction Connector RH1)

      *b (to CAN Junction Connector LH1)

      Disconnect the H122 CAN main bus line connector.

      Note


      • Before disconnecting the connector, make a note of where it is connected.

      • Reconnect the connector to its original position.

    3. A0008GRE02
      Text in Illustration
      *1 DLC3

      Measure the resistance according to the value(s) in the table below.

      Standard Resistance
      Tester Connection Condition Specified Condition
      H29-6 (CANH) - H29-16 (BAT) Cable disconnected from negative (-) auxiliary battery terminal 6 kΩ or higher
      H29-14 (CANL) - H29-16 (BAT) Cable disconnected from negative (-) auxiliary battery terminal 6 kΩ or higher

    NG
    OK
  3. CHECK FOR SHORT TO +B IN CAN BUS LINE (CAN J/C RH1)


    1. Reconnect the H122 CAN main bus line connector.

    2. Disconnect the connectors (H123, H199, H125, H127, H128, H132 and H210) from the CAN junction connector RH1 one at a time.

      A00085KE28
      Text in Illustration
      *a

      Component without harness connected

      (CAN Junction Connector RH1)

      - -
      Wiring Color
      CAN Junction Connector RH1 Side Code Color (CANH Side) Color (CANL Side)
      ECM H125 B W
      CAN main bus line (bus line connecting CAN junction connector LH1 and CAN junction connector RH1) H122 R W
      Air conditioning amplifier assembly H123 G W
      Radio receiver assembly*1*2 H128 L W
      Airbag sensor assembly H199 Y W
      Certification ECU (Smart key ECU assembly) H127 V W
      Clearance warning ECU assembly H132 P W
      Telematics transceiver*3 H210 BE W

      • *1: for Navigation Receiver Type

      • *2: for Radio and Display Type

      • *3: w/ Manual (SOS) Switch

      Note

      Do not reconnect the disconnected connectors until this inspection is complete because there may be a short to +B in 2 or more CAN bus lines.

    3. A0008GRE02
      Text in Illustration
      *1 DLC3

      Using an electrical tester, measure the resistance between terminals 6 (CANH) and 16 (BAT), and between terminals 14 (CANL) and 16 (BAT) of the DLC3 each time a connector is disconnected.

      Tech Tips

      Disconnect the ECU and sensor connectors other than CAN main bus lines between the CAN junction connector LH1 and CAN junction connector RH1.

      Result
      Symptom Proceed to
      The resistance between terminals 6 (CANH) and 16 (BAT), or the resistance between 14 (CANL) and 16 (BAT) is still below 6 kΩ when all the specified connectors are disconnected from the CAN junction connector. (There is a short to +B in the CAN junction connector RH1.) A
      The resistance between terminals 6 (CANH) and 16 (BAT), or the resistance between 14 (CANL) and 16 (BAT) becomes normal (6 kΩ or higher) when a connector is disconnected from the CAN junction connector. (There is a short to +B in one of the areas that relate to one or more of the disconnected bus lines.) B
    4. When there is a short to +B in one or more of the bus lines that connect to an ECU or sensor:


      1. Reconnect all of the connectors to the CAN junction connector, except for the one that was disconnected last (the bus line that is shorted to +B). Check that the resistance shown on the electrical tester is normal (6 kΩ or higher) to confirm that there is a short to +B in the one bus line only.

        Tech Tips


        • Connectors that connect to the CAN junction connector can be distinguished by the color of their CAN bus lines.

        • Reconnecting the connectors to non-original positions on the CAN junction connector does not affect system performance. However, it is preferred to reconnect the connectors to their original positions to avoid negative effects on the wiring such as tension on the wire harnesses, and to make future maintenance easier.


    A
    B
  4. CHECK FOR SHORT TO +B IN CAN BUS LINE (ECU, SENSOR)


    1. Reconnect the connector of the bus line that is shorted to +B to the CAN junction connector (the connector that caused the bus line resistance to change to 6 kΩ or higher when it was disconnected).

    2. Disconnect the connector that includes the DLC3 connected CAN lines (such as CANH and CANL) from the ECU or sensor to which the bus line shorted to +B is connected Click here.

    3. A0008GRE02
      Text in Illustration
      *1 DLC3

      Measure the resistance according to the value(s) in the table below.

      Standard Resistance
      Tester Connection Condition Specified Condition
      H29-6 (CANH) - H29-16 (BAT) Cable disconnected from negative (-) auxiliary battery terminal 6 kΩ or higher
      H29-14 (CANL) - H29-16 (BAT) Cable disconnected from negative (-) auxiliary battery terminal 6 kΩ or higher

      Tech Tips

      If the resistance changes to 6 kΩ or higher when the connector is disconnected from the ECU or sensor, there may be a short in the ECU or sensor.


    OK
    NG