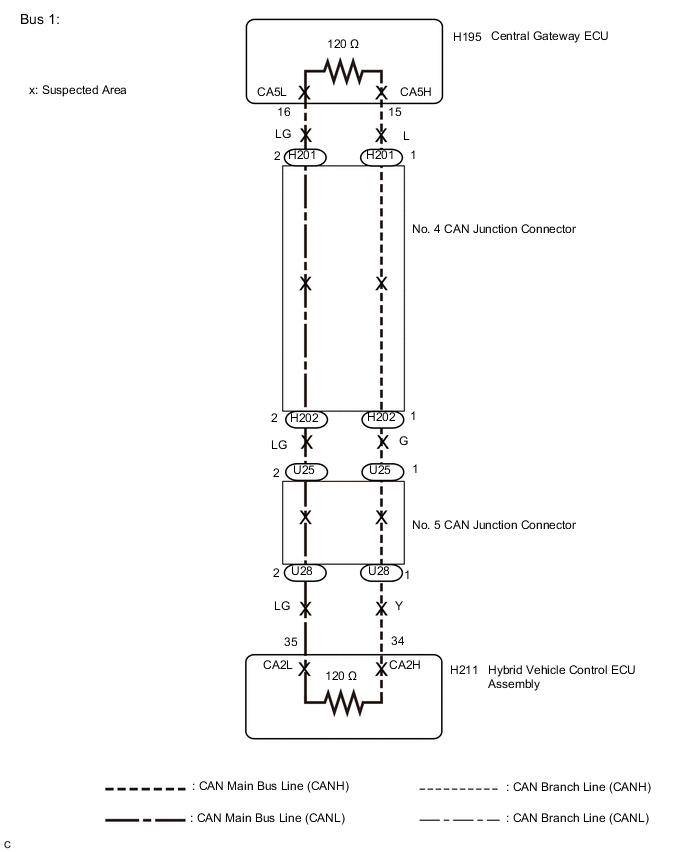
CAN COMMUNICATION SYSTEM(w/ Central Gateway ECU) Open in Bus 1 Main Bus Line

DESCRIPTION

There may be an open circuit in one of the bus 1 main lines when the resistance between terminals 15 (CA5H) and 16 (CA5L) of the central gateway ECU is 70 Ω or higher.

Symptom Trouble Area
Resistance between terminals 15 (CA5H) and 16 (CA5L) of central gateway ECU is 70 Ω or higher.
  • Bus 1 main lines or connector

  • Central gateway ECU

  • No. 4 CAN junction connector

  • No. 5 CAN junction connector

  • Hybrid vehicle control ECU assembly

This malfunction is not related to the lines of a bus 1 branch or to ECUs or sensors connected to a bus 1 branch.

WIRING DIAGRAM

A0004U6E04

CAUTION / NOTICE / HINT

Note


  • Before measuring the resistance of the CAN bus, turn the power switch off and leave the vehicle for 1 minute or more without operating the key or any switches, or opening or closing the doors. After that, disconnect the cable from the negative (-) auxiliary battery terminal and leave the vehicle for 1 minute or more before measuring the resistance.

  • After turning the power switch off, waiting time may be required before disconnecting the cable from the negative (-) auxiliary battery terminal. Therefore, make sure to read the disconnecting the cable from the negative (-) auxiliary battery terminal notices before proceeding with work Click here.

  • Because the order of diagnosis is important to allow correct diagnosis, make sure to begin troubleshooting using How to Proceed with Troubleshooting when CAN communication system related DTCs are output Click here.

  • After performing repairs, perform the DTC check procedure and confirm that the DTCs are not output again.

  • DTC check procedure: Turn the power switch on (IG), turn the LDA main switch on, turn the blind spot monitor main switch on, wait at least 52 seconds and then drive the vehicle at a speed of 36 km/h (22 mph) or more for 7 seconds or more.

  • After the repair, perform the CAN Bus Check and check that all the ECUs and sensors connected to the CAN communication system are displayed Click here.

Tech Tips


  • Operating the power switch, any other switches or a door triggers related ECU and sensor communication on the CAN. This communication will cause the resistance value to change.

  • Even after DTCs are cleared, if a DTC is stored again after driving the vehicle for a while, the malfunction may be occurring due to vibration of the vehicle. In such a case, wiggling the ECUs or wire harness while performing the inspection below may help determine the cause of the malfunction.

  • Connectors that connect to the CAN junction connector can be distinguished by the color of their CAN bus lines. When the connectors have been disconnected from the CAN junction connector, reconnecting the connectors to non-original positions on the CAN junction connector does not affect system performance. However, it is preferred to reconnect the connectors to their original positions to avoid negative effects on the wiring such as tension on the wiring harnesses, and to make future maintenance easier.

PROCEDURE


  1. CHECK FOR OPEN IN CAN BUS LINES (CENTRAL GATEWAY ECU)


    1. A0008HGE02
      Text in Illustration
      *a

      Front view of wire harness connector

      (to Central Gateway ECU)

      Disconnect the H195 central gateway ECU connector.

    2. Measure the resistance according to the value(s) in the table below.

      Standard Resistance
      Tester Connection Condition Specified Condition
      H195-15 (CA5H) -H195-16 (CA5L) Cable disconnected from negative (-) auxiliary battery terminal 108 to 132 Ω

    OK
    NG
  2. CHECK FOR OPEN IN CAN BUS LINES (HYBRID VEHICLE CONTROL ECU ASSEMBLY)


    1. Reconnect the H195 central gateway ECU connector.

    2. A0007W6E02
      Text in Illustration
      *a

      Front view of wire harness connector

      (to Hybrid Vehicle Control ECU Assembly)

      Disconnect the H211 hybrid vehicle control ECU assembly connector.

    3. Measure the resistance according to the value(s) in the table below.

      Standard Resistance
      Tester Connection Condition Specified Condition
      H211-34 (CA2H) - H211-35 (CA2L) Cable disconnected from negative (-) auxiliary battery terminal 108 to 132 Ω

    OK
    NG
  3. CHECK FOR OPEN IN CAN BUS LINES (NO. 4 CAN J/C)


    1. Reconnect the H211 hybrid vehicle control ECU assembly connector.

    2. Disconnect the H201 and H202 No. 4 CAN junction connectors.

      A00041GE02
      Text in Illustration
      *a

      Rear view of wire harness connector

      (to No. 4 CAN Junction Connector)

      *b to Central Gateway ECU
      *c to No. 5 CAN Junction Connector - -
    3. Measure the resistance according to the value(s) in the table below.

      Standard Resistance
      Tester Connection Condition Specified Condition Connected to
      H201-1 (CANH) - H201-2 (CANL) Cable disconnected from negative (-) auxiliary battery terminal 108 to 132 Ω Central gateway ECU
      H202-1 (CANH) - H202-2 (CANL) Cable disconnected from negative (-) auxiliary battery terminal 108 to 132 Ω No. 5 CAN junction connector
      Wiring Color
      Code Color (CANH Side) Color (CANL Side) Connected to
      H201 L LG Central gateway ECU
      H202 G LG No. 5 CAN junction connector

      Note


      • Before disconnecting the connectors, make a note of where they are connected.

      • Reconnect each connector to its original position.

      Result
      Result Proceed to
      OK A
      NG (Central gateway ECU main line) B
      NG (No. 5 CAN junction connector main line) C

    A
    B
    C
  4. CHECK FOR OPEN IN CAN BUS LINES (NO. 5 CAN J/C)


    1. Reconnect the H201 and H202 CAN junction connectors.

    2. Disconnect the U25 and U28 No. 5 CAN junction connectors.

      A0004RJE02
      Text in Illustration
      *a

      Rear view of wire harness connector

      (to No. 5 CAN Junction Connector)

      *b to Hybrid Vehicle Control ECU Assembly
      *c to No. 4 CAN Junction Connector - -
    3. Measure the resistance according to the value(s) in the table below.

      Standard Resistance
      Tester Connection Condition Specified Condition Connected to
      U25-1 (CANH) - U25-2 (CANL) Cable disconnected from negative (-) auxiliary battery terminal 108 to 132 Ω No. 4 CAN junction connector
      U28-1 (CANH) - U28-2 (CANL) Cable disconnected from negative (-) auxiliary battery terminal 108 to 132 Ω Hybrid vehicle control ECU assembly
      Wiring Color
      Code Color (CANH Side) Color (CANL Side) Connected to
      U25 G LG No. 4 CAN junction connector
      U28 Y LG Hybrid vehicle control ECU assembly

      Note


      • Before disconnecting the connectors, make a note of where they are connected.

      • Reconnect each connector to its original position.

      Result
      Result Proceed to
      OK A
      NG (No. 4 CAN junction connector main line) B
      NG (Hybrid vehicle control ECU assembly main line) C

    A
    B
    C