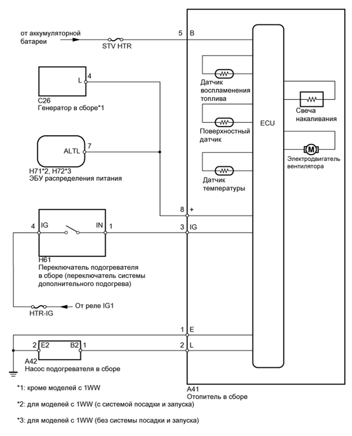
СИСТЕМА ДОПОЛНИТЕЛЬНОГО ПОДОГРЕВА ПЛАМЕННОГО ТИПА СХЕМА СИСТЕМЫ

A01ISXFE01