ОПИСАНИЕ
Главный ЭБУ кузова получает сигнал положения TAIL переключателя освещения для управления реле заднего габаритного освещения. Когда переключатель освещения установлен в положение AUTO, главный ЭБУ кузова получает сигнал уровня окружающей освещенности от датчика автоматического управления освещением для управления реле заднего габаритного освещения.
Tech Tips
Данная цепь используется только в моделях с системой автоматического управления освещением или с системой подфарников, включаемых при движении в светлое время суток
Если автомобиль имеет систему автоматического управления освещением или систему подфарников, включаемых при движении в светлое время суток, наружным освещением (фарами, задними фонарями, передними противотуманными фарами* и задними противотуманными фонарями) управляет главный ЭБУ кузова.
Если автомобиль не имеет системы автоматического управления освещением и системы подфарников, включаемых при движении в светлое время суток, главный ЭБУ кузова не управляет наружным освещением (фарами, задними фонарями, передними противотуманными фарами* и задними противотуманными фонарями). Выполните поиск неисправностей в соответствии с таблицей признаков неисправностей (см. стр. Click here).
Если какой-либо световой прибор не светится, проверьте лампу и жгут проводов, связанные с ним.
Если не светятся все световые приборы, связанные с реле заднего габаритного освещения, и предохранитель TAIL исправен, выполните диагностику в режиме Active Test реле заднего габаритного освещения и считайте значение сигнала TAIL переключателя освещения в режиме Data List, чтобы определить местонахождение неисправности – со стороны переключателя или со стороны реле.
Реле заднего габаритного освещения установлено в распределительном блоке панели приборов, поэтому его нельзя снять для проверки.
*: для моделей с передними противотуманными фарами
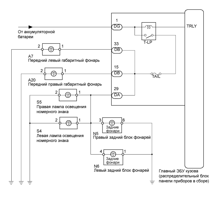
СХЕМА ЭЛЕКТРИЧЕСКИХ СОЕДИНЕНИЙ
ПОСЛЕДОВАТЕЛЬНОСТЬ ПРОВЕРКИ
Note
Прежде чем переходить к следующей процедуре проверки, проверьте плавкие предохранители и лампы, относящиеся к данной системе.
ПОРЯДОК ВЫПОЛНЕНИЯ
ВЫПОЛНИТЕ АКТИВНУЮ ДИАГНОСТИКУ С ПОМОЩЬЮ ПОРТАТИВНОГО ДИАГНОСТИЧЕСКОГО ПРИБОРА (ДЛЯ РЕЛЕ ЗАДНЕГО ГАБАРИТНОГО ОСВЕЩЕНИЯ)
Выполните диагностику в режиме Active Test с помощью портативного диагностического прибора (см. стр. Click here).
| Информация на дисплее прибора | Испытываемое устройство | Диапазон регулирования | Замечание по диагностике |
|---|---|---|---|
| Taillight Relay | Реле задних фонарей | ON (ВКЛ) / OFF (ВЫКЛ) | - |
| OK |
|---|
| Реле заднего габаритного освещения работает (задние фонари светятся). |
| NG |
|
СНИМИТЕ ПОКАЗАНИЯ ПОРТАТИВНОГО ДИАГНОСТИЧЕСКОГО ПРИБОРА (ПЕРЕКЛЮЧАТЕЛЬ СВЕТА ФАР) Click here |
| OK |
|
ПЕРЕЙДИТЕ К СЛЕДУЮЩЕМУ ПРЕДПОЛАГАЕМОМУ УЧАСТКУ, УКАЗАННОМУ В ТАБЛИЦЕ ПРИЗНАКОВ НЕИСПРАВНОСТЕЙ Click here
СНИМИТЕ ПОКАЗАНИЯ ПОРТАТИВНОГО ДИАГНОСТИЧЕСКОГО ПРИБОРА (ПЕРЕКЛЮЧАТЕЛЬ СВЕТА ФАР)
Считайте данные в режиме Data List портативного диагностического прибора (см. стр. Click here).
| Информация на дисплее прибора | Измеряемая величина / диапазон измерения | Нормальное состояние | Замечание по диагностике |
|---|---|---|---|
| Head Light SW (Tail) | Сигнал TAIL переключателя освещения / ON (ВКЛ) или OFF (ВЫКЛ) | ON (ВКЛ): Переключатель освещения в положении TAIL или HEAD OFF (ВЫКЛ): переключатель освещения не в положении TAIL или HEAD |
- |
| OK |
|---|
| На дисплее отображается значение, соответствующее нормальному состоянию. |
| NG |
|
ПЕРЕЙДИТЕ К СЛЕДУЮЩЕМУ ПРЕДПОЛАГАЕМОМУ УЧАСТКУ, УКАЗАННОМУ В ТАБЛИЦЕ ПРИЗНАКОВ НЕИСПРАВНОСТЕЙ Click here |
| OK |
|
ПРОВЕРЬТЕ ЖГУТ ПРОВОДОВ И РАЗЪЕМ (АККУМУЛЯТОРНАЯ БАТАРЕЯ – КОНТАКТ ПРЕДОХРАНИТЕЛЯ TAIL)
| *1 | Главный ЭБУ кузова (распределительный блок панели приборов) |
| *2 | Предохранитель TAIL |
Измерьте напряжение в соответствии со значениями, приведенными в таблице.
| Номинальное напряжение | ||||||||
|---|---|---|---|---|---|---|---|---|
|
| NG |
|
ПРОВЕРЬТЕ ЖГУТ ПРОВОДОВ И РАЗЪЕМ (АККУМУЛЯТОРНАЯ БАТАРЕЯ - ГЛАВНЫЙ ЭБУ КУЗОВА) Click here |
| OK |
|
ОТРЕМОНТИРУЙТЕ ИЛИ ЗАМЕНИТЕ ЖГУТ ПРОВОДОВ ИЛИ РАЗЪЕМ
ПРОВЕРЬТЕ ЖГУТ ПРОВОДОВ И РАЗЪЕМ (АККУМУЛЯТОРНАЯ БАТАРЕЯ - ГЛАВНЫЙ ЭБУ КУЗОВА)
| *1 | Вид спереди разъема со стороны жгута проводов: (к главному ЭБУ кузова) |
Отсоедините разъем DG главного ЭБУ кузова.
Измерьте напряжение в соответствии со значениями, приведенными в таблице.
| Номинальное напряжение | ||||||
|---|---|---|---|---|---|---|
|
| NG |
|
ОТРЕМОНТИРУЙТЕ ИЛИ ЗАМЕНИТЕ ЖГУТ ПРОВОДОВ ИЛИ РАЗЪЕМ |
| OK |
|
ЗАМЕНИТЕ ГЛАВНЫЙ ЭБУ КУЗОВА (РАСПРЕДЕЛИТЕЛЬНЫЙ БЛОК ПАНЕЛИ ПРИБОРОВ)