ЭЛЕКТРОДВИГАТЕЛЬ НАСОСА СТЕКЛООМЫВАТЕЛЯ (переднего) ПРОВЕРКА


  1. ПРОВЕРЬТЕ ЭЛЕКТРОДВИГАТЕЛЬ И НАСОС СТЕКЛООМЫВАТЕЛЯ ВЕТРОВОГО СТЕКЛА В СБОРЕ


    1. Снимите бачок омывателя.

    2. Отсоедините разъем насоса и электродвигателя насоса стеклоомывателя ветрового стекла.

      Tech Tips

      Убедитесь, что электродвигатель и насос стеклоомывателя ветрового стекла подсоединены к бачку стеклоомывателя.

    3. Заполните бачок омывателя омывающей жидкостью.

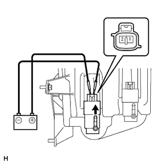
    4. A01ISSG

      Подсоедините положительный (+) вывод аккумуляторной батареи к контакту 1 насоса и электродвигателя стеклоомывателя ветрового стекла, а отрицательный (-) вывод – к контакту 2.

    5. Убедитесь, что жидкость для стеклоомывателя вытекает из бачка омывателя.

      OK
      Омывающая жидкость вытекает из бачка омывателя.

      Если результат проверки не отвечает требованиям, замените электродвигатель и насос в сборе.