LANE DEPARTURE ALERT SYSTEM(w/ Dynamic Radar Cruise Control System) Power Source Circuit

DESCRIPTION

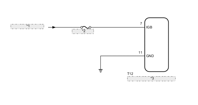
This circuit provides power to operate the lane departure warning camera.

WIRING DIAGRAM

A0004XRE61
*1 from IG1 NO. 2 Relay
*2 ECU-IG1 NO. 2
*3 Lane Departure Warning Camera

CAUTION / NOTICE / HINT

Note

Inspect the fuses for circuits related to this system before performing the following inspection procedure.

PROCEDURE


  1. CHECK HARNESS AND CONNECTOR (POWER SOURCE VOLTAGE)


    1. Disconnect the T12 lane departure warning camera connector.

    2. Turn the power switch on (IG).

    3. A0008O9E02
      Text in Illustration
      *a

      Front view of wire harness connector

      (to Lane Departure Warning Camera)

      Measure the voltage according to the value(s) in the table below.

      Standard Voltage
      Tester Connection Condition Condition
      T12-7 (IGB) - Body ground Power switch on (IG) 11 to 14 V
    4. Turn the power switch off.

    5. Reconnect the T12 lane departure warning camera connector.


    NG
    OK
  2. CHECK HARNESS AND CONNECTOR (LANE DEPARTURE WARNING CAMERA - BODY GROUND)


    1. Disconnect the T12 lane departure warning camera connector.

    2. A0004HWE02
      Text in Illustration
      *a

      Front view of wire harness connector

      (to Lane Departure Warning Camera)

      Measure the resistance according to the value(s) in the table below.

      Standard Resistance
      Tester Connection Condition Condition
      T12-11 (GND) - Body ground Always Below 1 Ω
    3. Reconnect the T12 lane departure warning camera connector.


    OK
    NG