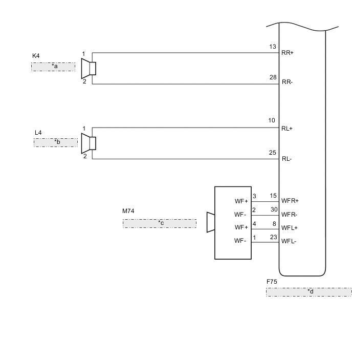
NAVIGATION SYSTEM Speaker Circuit

DESCRIPTION




WIRING DIAGRAM


  1. A001UXXE15
    A001XYYE01
    A001WETE05
    for 9 Speakers
    *a Rear Speaker Assembly RH
    *b Rear Speaker Assembly LH
    *c No. 1 Speaker with Box Assembly
    *d Stereo Component Amplifier Assembly

PROCEDURE


  1. CONFIRM MODEL


    1. Choose the model to be inspected.

      Result
      Result Proceed to
      for 6 Speakers A
      for 9 Speakers B

    B
    A
  2. CHECK SPEAKER (OPERATION CHECK)


    1. A001TS1

      Enter the "System Check Mode" screen. Refer to Check Speaker in Operation Check.

      Click here

    2. Perform the operation check above and determine the speaker that is not operating.

      Result
      Not Operating Speaker Proceed to
      Front No. 1 speaker assembly or front No. 2 speaker assembly (w/ Manual (SOS) Switch) A
      Front No. 1 speaker assembly or front No. 2 speaker assembly (w/o Manual (SOS) Switch) B
      Rear speaker assembly C

      Tech Tips

      If sound cannot be heard from any speaker, inspect all of them.


    B
    C
    A
  3. CHECK HARNESS AND CONNECTOR (RADIO AND DISPLAY RECEIVER ASSEMBLY - TELEMATICS TRANSCEIVER - FRONT NO. 2 SPEAKER ASSEMBLY)


    1. Disconnect the F126 radio and display receiver assembly connector.

    2. Disconnect the F51 telematics transceiver connector.

    3. Disconnect the F85 and F86 front No. 2 speaker assembly connectors.

    4. Measure the resistance according to the value(s) in the table below.

      Standard Resistance
      Tester Connection Condition Specified Condition
      F126-1 (FR+) - F51-2 (SPI+) Always Below 1 Ω
      F126-5 (FR-) - F51-3 (SPI-) Always Below 1 Ω
      F51-5 (SPO+) - F85-4 (TWR+) Always Below 1 Ω
      F51-6 (SPO-) - F85-2 (TWR-) Always Below 1 Ω
      F126-2 (FL+) - F86-4 (TWL+) Always Below 1 Ω
      F126-6 (FL-) - F86-2 (TWL-) Always Below 1 Ω
      F126-1 (FR+) or F51-2 (SPI+) - Body ground Always 10 kΩ or higher
      F126-5 (FR-) or F51-3 (SPI-) - Body ground Always 10 kΩ or higher
      F51-5 (SPO+) or F85-4 (TWR+) - Body ground Always 10 kΩ or higher
      F51-6 (SPO-) or F85-2 (TWR-) - Body ground Always 10 kΩ or higher
      F126-2 (FL+) or F86-4 (TWL+) - Body ground Always 10 kΩ or higher
      F126-6 (FL-) or F86-2 (TWL-) - Body ground Always 10 kΩ or higher
      Result
      Proceed to
      OK
      NG

    NG
    OK
  4. CHECK HARNESS AND CONNECTOR (FRONT NO. 1 SPEAKER ASSEMBLY - FRONT NO. 2 SPEAKER ASSEMBLY)


    1. Disconnect the I1 and J1 front No. 1 speaker assembly connectors.

    2. Disconnect the F85 and F86 front No. 2 speaker assembly connectors.

    3. Measure the resistance according to the value(s) in the table below.

      Standard Resistance
      Tester Connection Condition Specified Condition
      I1-1 - F85-3 (+) Always Below 1 Ω
      I1-2 - F85-1 (-) Always Below 1 Ω
      J1-1 - F86-3 (+) Always Below 1 Ω
      J1-2 - F86-1 (-) Always Below 1 Ω
      I1-1 or F85-3 (+) - Body ground Always 10 kΩ or higher
      I1-2 or F85-1 (-) - Body ground Always 10 kΩ or higher
      J1-1 or F86-3 (+) - Body ground Always 10 kΩ or higher
      J1-2 or F86-1 (-) - Body ground Always 10 kΩ or higher
      Result
      Proceed to
      OK
      NG

    NG
    OK
  5. INSPECT TELEMATICS TRANSCEIVER


    1. Remove the telematics transceiver.

      Click here

    2. A001SA6C32
      *a

      Component without harness connected

      (Telematics Transceiver)

      Measure the resistance according to the value(s) in the table below.

      Standard Resistance
      Tester Connection Condition Specified Condition
      2 (SPI+) - 5 (SPO+) Always Below 1 Ω
      3 (SPI-) - 6 (SPO-) Always Below 1 Ω
      2 (SPI+) - 3 (SPI-) Always 10 kΩ or higher
      5 (SPO+) - 6 (SPO-) Always 10 kΩ or higher
      2 (SPI+) or 5 (SPO+) - Body ground Always 10 kΩ or higher
      3 (SPI-) or 6 (SPO-) - Body ground Always 10 kΩ or higher
      Result
      Proceed to
      OK
      NG

    NG
    OK
  6. INSPECT FRONT NO. 2 SPEAKER ASSEMBLY


    1. Remove the front No. 2 speaker assembly.

      Click here

    2. Inspect the front No. 2 speaker assembly.

      Click here

    3. Check that the malfunction disappears when a new or known good front No. 2 speaker assembly is installed.

      OK
      Malfunction disappears.
      Result
      Proceed to
      OK
      NG

    OK
    NG
  7. INSPECT FRONT NO. 1 SPEAKER ASSEMBLY


    1. Remove the front No. 1 speaker assembly.

      Click here

    2. Inspect the front No. 1 speaker assembly.

      Click here

      Result
      Proceed to
      OK
      NG

    OK
    NG
  8. CHECK HARNESS AND CONNECTOR (RADIO AND DISPLAY RECEIVER ASSEMBLY - FRONT NO. 1 SPEAKER ASSEMBLY - FRONT NO. 2 SPEAKER ASSEMBLY)


    1. Disconnect the F126 radio and display receiver assembly connector.

    2. Disconnect the I1 and J1 front No. 1 speaker assembly connectors.

    3. Disconnect the F85 and F86 front No. 2 speaker assembly connectors.

    4. Measure the resistance according to the value(s) in the table below.

      Standard Resistance
      Tester Connection Condition Specified Condition
      F126-1 (FR+) - F85-4 (TWR+) Always Below 1 Ω
      F126-5 (FR-) - F85-2 (TWR-) Always Below 1 Ω
      F126-2 (FL+) - F86-4 (TWL+) Always Below 1 Ω
      F126-6 (FL-) - F86-2 (TWL-) Always Below 1 Ω
      I1-1 - F85-3 (+) Always Below 1 Ω
      I1-2 - F85-1 (-) Always Below 1 Ω
      J1-1 - F86-3 (+) Always Below 1 Ω
      J1-2 - F86-1 (-) Always Below 1 Ω
      F126-1 (FR+) or F85-4 (TWR+) - Body ground Always 10 kΩ or higher
      F126-5 (FR-) or F85-2 (TWR-) - Body ground Always 10 kΩ or higher
      F126-2 (FL+) or F86-4 (TWL+) - Body ground Always 10 kΩ or higher
      F126-6 (FL-) or F86-2 (TWL-) - Body ground Always 10 kΩ or higher
      I1-1 or F85-3 (+) - Body ground Always 10 kΩ or higher
      I1-2 or F85-1 (-) - Body ground Always 10 kΩ or higher
      J1-1 or F86-3 (+) - Body ground Always 10 kΩ or higher
      J1-2 or F86-1 (-) - Body ground Always 10 kΩ or higher
      Result
      Proceed to
      OK
      NG

    NG
    OK
  9. INSPECT FRONT NO. 2 SPEAKER ASSEMBLY


    1. Remove the front No. 2 speaker assembly.

      Click here

    2. Inspect the front No. 2 speaker assembly.

      Click here

    3. Check that the malfunction disappears when a new or known good front No. 2 speaker assembly is installed.

      OK
      Malfunction disappears.
      Result
      Proceed to
      OK
      NG

    OK
    NG
  10. INSPECT FRONT NO. 1 SPEAKER ASSEMBLY


    1. Remove the front No. 1 speaker assembly.

      Click here

    2. Inspect the front No. 1 speaker assembly.

      Click here

      Result
      Proceed to
      OK
      NG

    OK
    NG
  11. CHECK HARNESS AND CONNECTOR (RADIO AND DISPLAY RECEIVER ASSEMBLY - REAR SPEAKER ASSEMBLY)


    1. Disconnect the F127 radio and display receiver assembly connector.

    2. Disconnect the L4 and K4 rear speaker assembly connectors.

    3. Measure the resistance according to the value(s) in the table below.

      Standard Resistance
      Tester Connection Condition Specified Condition
      F127-1 (RR+) - K4-1 Always Below 1 Ω
      F127-3 (RR-) - K4-2 Always Below 1 Ω
      F127-2 (RL+) - L4-1 Always Below 1 Ω
      F127-6 (RL-) - L4-2 Always Below 1 Ω
      F127-1 (RR+) or K4-1 - Body ground Always 10 kΩ or higher
      F127-3 (RR-) or K4-2 - Body ground Always 10 kΩ or higher
      F127-2 (RL+) or L4-1 - Body ground Always 10 kΩ or higher
      F127-6 (RL-) or L4-2 - Body ground Always 10 kΩ or higher
      Result
      Proceed to
      OK
      NG

    NG
    OK
  12. INSPECT REAR SPEAKER ASSEMBLY


    1. Remove the rear speaker assembly.

      Click here

    2. Inspect the rear speaker assembly.

      Click here

      Result
      Proceed to
      OK
      NG

    OK
    NG
  13. CHECK SPEAKER (OPERATION CHECK)


    1. A001TS1

      Enter the "System Check Mode" screen. Refer to Check Speaker in Operation Check.

      Click here

    2. Perform the operation check above and determine the speaker that is not operating.

      Result
      Not Operating Speaker Proceed to
      Front No. 1 speaker assembly or front No. 3 speaker assembly A
      Front No. 2 speaker assembly (w/ Manual (SOS) Switch) B
      Front No. 2 speaker assembly (w/o Manual (SOS) Switch) C
      Rear speaker assembly D
      No. 1 speaker with box assembly E

      Tech Tips

      If sound cannot be heard from any speaker, inspect all of them.


    B
    C
    D
    E
    A
  14. CHECK HARNESS AND CONNECTOR (STEREO COMPONENT AMPLIFIER ASSEMBLY - FRONT NO. 1 SPEAKER ASSEMBLY - FRONT NO. 3 SPEAKER ASSEMBLY)


    1. Disconnect the F75 stereo component amplifier assembly connector.

    2. Disconnect the I1 and J1 front No. 1 speaker assembly connectors.

    3. Disconnect the F89 and F90 front No. 3 speaker assembly connectors.

    4. Measure the resistance according to the value(s) in the table below.

      Standard Resistance
      Tester Connection Condition Specified Condition
      F75-12 (FR+) - F89-2 (TWR+) Always Below 1 Ω
      F75-27 (FR-) - F89-4 (TWR-) Always Below 1 Ω
      F75-11 (FL+) - F90-2 (TWL+) Always Below 1 Ω
      F75-26 (FL-) - F90-4 (TWL-) Always Below 1 Ω
      I1-1 - F89-1 (+) Always Below 1 Ω
      I1-2 - F89-3 (-) Always Below 1 Ω
      J1-1 - F90-1 (+) Always Below 1 Ω
      J1-2 - F90-3 (-) Always Below 1 Ω
      F75-12 (FR+) or F89-2 (TWR+) - Body ground Always 10 kΩ or higher
      F75-27 (FR-) or F89-4 (TWR-) - Body ground Always 10 kΩ or higher
      F75-11 (FL+) or F90-2 (TWL+) - Body ground Always 10 kΩ or higher
      F75-26 (FL-) or F90-4 (TWL-) - Body ground Always 10 kΩ or higher
      I1-1 or F89-1 (+) - Body ground Always 10 kΩ or higher
      I1-2 or F89-3 (-) - Body ground Always 10 kΩ or higher
      J1-1 or F90-1 (+) - Body ground Always 10 kΩ or higher
      J1-2 or F90-3 (-) - Body ground Always 10 kΩ or higher
      Result
      Proceed to
      OK
      NG

    NG
    OK
  15. INSPECT FRONT NO. 3 SPEAKER ASSEMBLY


    1. Remove the front No. 3 speaker assembly.

      Click here

    2. Inspect the front No. 3 speaker assembly.

      Click here

    3. Check that the malfunction disappears when a new or known good front No. 2 speaker assembly is installed.

      OK
      Malfunction disappears.
      Result
      Proceed to
      OK
      NG

    OK
    NG
  16. INSPECT FRONT NO. 1 SPEAKER ASSEMBLY


    1. Remove the front No. 1 speaker assembly.

      Click here

    2. Inspect the front No. 1 speaker assembly.

      Click here

      Result
      Proceed to
      OK
      NG

    OK
    NG
  17. CHECK HARNESS AND CONNECTOR (STEREO COMPONENT AMPLIFIER ASSEMBLY - TELEMATICS TRANSCEIVER - FRONT NO. 2 SPEAKER ASSEMBLY)


    1. Disconnect the F75 stereo component amplifier assembly connector.

    2. Disconnect the F51 telematics transceiver connector.

    3. Disconnect the F52 and F53 front No. 2 speaker assembly connectors.

    4. Measure the resistance according to the value(s) in the table below.

      Standard Resistance
      Tester Connection Condition Specified Condition
      F75-14 (TWR+) - F51-2 (SPI+) Always Below 1 Ω
      F75-29 (TWR-) - F51-3 (SPI-) Always Below 1 Ω
      F51-5 (SPO+) - F52-2 Always Below 1 Ω
      F51-6 (SPO-) - F52-1 Always Below 1 Ω
      F75-9 (TWL+) - F53-2 Always Below 1 Ω
      F75-24 (TWL-) - F53-1 Always Below 1 Ω
      F75-14 (TWR+) or F51-2 (SPI+) - Body ground Always 10 kΩ or higher
      F75-29 (TWR-) or F51-3 (SPI-) - Body ground Always 10 kΩ or higher
      F51-5 (SPO+) or F52-2 - Body ground Always 10 kΩ or higher
      F51-6 (SPO-) or F52-1 - Body ground Always 10 kΩ or higher
      F75-9 (TWL+) or F53-2 - Body ground Always 10 kΩ or higher
      F75-24 (TWL-) or F53-1 - Body ground Always 10 kΩ or higher
      Result
      Proceed to
      OK
      NG

    NG
    OK
  18. INSPECT TELEMATICS TRANSCEIVER


    1. Remove the telematics transceiver.

      Click here

    2. A001SA6C33
      *a

      Component without harness connected

      (Telematics Transceiver)

      Measure the resistance according to the value(s) in the table below.

      Standard Resistance
      Tester Connection Condition Specified Condition
      2 (SPI+) - 5 (SPO+) Always Below 1 Ω
      3 (SPI-) - 6 (SPO-) Always Below 1 Ω
      2 (SPI+) - 3 (SPI-) Always 10 kΩ or higher
      5 (SPO+) - 6 (SPO-) Always 10 kΩ or higher
      2 (SPI+) or 5 (SPO+) - Body ground Always 10 kΩ or higher
      3 (SPI-) or 6 (SPO-) - Body ground Always 10 kΩ or higher
      Result
      Proceed to
      OK
      NG

    NG
    OK
  19. INSPECT FRONT NO. 2 SPEAKER ASSEMBLY


    1. Remove the front No. 2 speaker assembly.

      Click here

    2. Inspect the front No. 2 speaker assembly.

      Click here

      Result
      Proceed to
      OK
      NG

    OK
    NG
  20. CHECK HARNESS AND CONNECTOR (STEREO COMPONENT AMPLIFIER ASSEMBLY - FRONT NO. 2 SPEAKER ASSEMBLY)


    1. Disconnect the F75 stereo component amplifier assembly connector.

    2. Disconnect the F52 and F53 front No. 2 speaker assembly connectors.

    3. Measure the resistance according to the value(s) in the table below.

      Standard Resistance
      Tester Connection Condition Specified Condition
      F75-14 (TWR+) - F52-2 Always Below 1 Ω
      F75-29 (TWR-) - F52-1 Always Below 1 Ω
      F75-9 (TWL+) - F53-2 Always Below 1 Ω
      F75-24 (TWL-) - F53-1 Always Below 1 Ω
      F75-14 (TWR+) or F52-2 - Body ground Always 10 kΩ or higher
      F75-29 (TWR-) or F52-1 - Body ground Always 10 kΩ or higher
      F75-9 (TWL+) or F53-2 - Body ground Always 10 kΩ or higher
      F75-24 (TWL-) or F53-1 - Body ground Always 10 kΩ or higher
      Result
      Proceed to
      OK
      NG

    NG
    OK
  21. INSPECT FRONT NO. 2 SPEAKER ASSEMBLY


    1. Remove the front No. 2 speaker assembly.

      Click here

    2. Inspect the front No. 2 speaker assembly.

      Click here

      Result
      Proceed to
      OK
      NG

    OK
    NG
  22. CHECK HARNESS AND CONNECTOR (STEREO COMPONENT AMPLIFIER ASSEMBLY - REAR SPEAKER ASSEMBLY)


    1. Disconnect the F75 stereo component amplifier assembly connector.

    2. Disconnect the L4 and K4 rear speaker assembly connectors.

    3. Measure the resistance according to the value(s) in the table below.

      Standard Resistance
      Tester Connection Condition Specified Condition
      F75-13 (RR+) - K4-1 Always Below 1 Ω
      F75-28 (RR-) - K4-2 Always Below 1 Ω
      F75-10 (RL+) - L4-1 Always Below 1 Ω
      F75-25 (RL-) - L4-2 Always Below 1 Ω
      F75-13 (RR+) or K4-1 - Body ground Always 10 kΩ or higher
      F75-28 (RR-) or K4-2 - Body ground Always 10 kΩ or higher
      F75-10 (RL+) or L4-1 - Body ground Always 10 kΩ or higher
      F75-25 (RL-) or L4-2 - Body ground Always 10 kΩ or higher
      Result
      Proceed to
      OK
      NG

    NG
    OK
  23. INSPECT REAR SPEAKER ASSEMBLY


    1. Remove the rear speaker assembly.

      Click here

    2. Inspect the rear speaker assembly.

      Click here

      Result
      Proceed to
      OK
      NG

    OK
    NG
  24. CHECK HARNESS AND CONNECTOR (STEREO COMPONENT AMPLIFIER ASSEMBLY - NO. 1 SPEAKER WITH BOX ASSEMBLY)


    1. Disconnect the F75 stereo component amplifier assembly connector.

    2. Disconnect the M74 No. 1 speaker with box assembly connector.

    3. Measure the resistance according to the value(s) in the table below.

      Standard Resistance
      Tester Connection Condition Specified Condition
      F75-15 (WFR+) - M74-3 (WF+) Always Below 1 Ω
      F75-30 (WFR-) - M74-2 (WF-) Always Below 1 Ω
      F75-8 (WFL+) - M74-4 (WF+) Always Below 1 Ω
      F75-23 (WFL-) - M74-1 (WF-) Always Below 1 Ω
      F75-15 (WFR+) or M74-3 (WF+) - Body ground Always 10 kΩ or higher
      F75-30 (WFR-) or M74-2 (WF-) - Body ground Always 10 kΩ or higher
      F75-8 (WFL+) or M74-4 (WF+) - Body ground Always 10 kΩ or higher
      F75-23 (WFL-) or M74-1 (WF-) - Body ground Always 10 kΩ or higher
      Result
      Proceed to
      OK
      NG

    NG
    OK
  25. INSPECT NO. 1 SPEAKER WITH BOX ASSEMBLY


    1. Remove the No. 1 speaker with box assembly.

      Click here

    2. Inspect the No. 1 speaker with box assembly.

      Click here

      Result
      Proceed to
      OK
      NG

    OK
    NG