NAVIGATION SYSTEM, Diagnostic DTC:B15C3

DTC Code DTC Name
B15C3 Speaker Output Short

DESCRIPTION

This DTC is stored when a malfunction occurs in the speakers.

DTC No. Detection Item DTC Detection Condition Trouble Area
B15C3 Speaker Output Short A short is detected in the speaker output circuit
  • Harness or connector

  • Speaker

  • Radio and display receiver assembly*1

  • Stereo Component Amplifier*2

  • Telematics transceiver*3


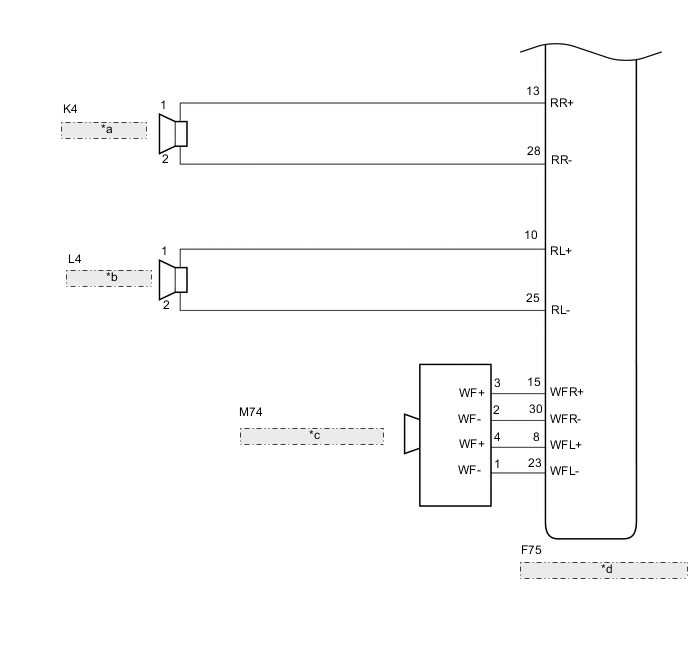
WIRING DIAGRAM

A001UXXE17
A001XYYE01
A001WETE04
for 9 Speakers
*a Rear Speaker Assembly RH
*b Rear Speaker Assembly LH
*c No. 1 Speaker with Box Assembly
*d Stereo Component Amplifier Assembly

PROCEDURE


  1. CONFIRM MODEL


    1. Choose the model to be inspected.

      Result
      Result Proceed to
      for 6 Speakers (w/ Manual (SOS) Switch) A
      for 6 Speakers (w/o Manual (SOS) Switch) B
      for 9 Speakers (w/ Manual (SOS) Switch) C
      for 9 Speakers (w/o Manual (SOS) Switch) D

    B
    C
    D
    A
  2. CHECK HARNESS AND CONNECTOR (RADIO AND DISPLAY RECEIVER ASSEMBLY, TELEMATICS TRANSCEIVER OR SPEAKERS - BODY GROUND)


    1. Disconnect the F126 and F127 radio and display receiver assembly connectors.

    2. Disconnect the F51 telematics transceiver connector.

    3. Disconnect the F86 front No. 2 speaker assembly LH connector.

    4. Disconnect the K4 and L4 rear speaker assembly connectors.

    5. Measure the resistance according to the value(s) in the table below.

      Standard Resistance
      Tester Connection Condition Specified Condition
      F126-1 (FR+) or F51-2 (SPI+) - Body ground Always 10 kΩ or higher
      F126-5 (FR-) or F51-3 (SPI-) - Body ground Always 10 kΩ or higher
      F126-2 (FL+) or F86-4 (TWL+) - Body ground Always 10 kΩ or higher
      F126-6 (FL-) or F86-2 (TWL-) - Body ground Always 10 kΩ or higher
      F127-1 (RR+) or K4-1 - Body ground Always 10 kΩ or higher
      F127-3 (RR-) or K4-2 - Body ground Always 10 kΩ or higher
      F127-2 (RL+) or L4-1 - Body ground Always 10 kΩ or higher
      F127-6 (RL-) or L4-2 - Body ground Always 10 kΩ or higher
      Result
      Proceed to
      OK
      NG

    NG
    OK
  3. CHECK HARNESS AND CONNECTOR (FRONT NO. 2 SPEAKER ASSEMBLY RH OR TELEMATICS TRANSCEIVER - BODY GROUND)


    1. Disconnect the F85 front No. 2 speaker assembly RH connector.

    2. Disconnect the F51 telematics transceiver connector.

    3. Measure the resistance according to the value(s) in the table below.

      Standard Resistance
      Tester Connection Condition Specified Condition
      F85-4 (TWR+) or F51-5 (SPO+) - Body ground Always 10 kΩ or higher
      F85-2 (TWR-) or F51-6 (SPO-) - Body ground Always 10 kΩ or higher
      Result
      Proceed to
      OK
      NG

    NG
    OK
  4. INSPECT TELEMATICS TRANSCEIVER


    1. Remove the telematics transceiver.

      Click here

    2. A001SA6C30
      *a

      Component without harness connected

      (Telematics Transceiver)

      Measure the resistance according to the value(s) in the table below.

      Standard Resistance
      Tester Connection Condition Specified Condition
      2 (SPI+) - 5 (SPO+) Always Below 1 Ω
      3 (SPI-) - 6 (SPO-) Always Below 1 Ω
      2 (SPI+) - 3 (SPI-) Always 10 kΩ or higher
      5 (SPO+) - 6 (SPO-) Always 10 kΩ or higher
      2 (SPI+) or 5 (SPO+) - Body ground Always 10 kΩ or higher
      3 (SPI-) or 6 (SPO-) - Body ground Always 10 kΩ or higher
      Result
      Proceed to
      OK
      NG

    OK
    NG
  5. CHECK HARNESS AND CONNECTOR (RADIO AND DISPLAY RECEIVER ASSEMBLY OR SPEAKERS - BODY GROUND)


    1. Disconnect the F126 and F127 radio and display receiver assembly connectors.

    2. Disconnect the F85 and F86 front No. 2 speaker assembly connectors.

    3. Disconnect the K4 and L4 rear speaker assembly connectors.

    4. Measure the resistance according to the value(s) in the table below.

      Standard Resistance
      Tester Connection Condition Specified Condition
      F126-1 (FR+) or F85-4 (TWR+) - Body ground Always 10 kΩ or higher
      F126-5 (FR-) or F85-2 (TWR-) - Body ground Always 10 kΩ or higher
      F126-2 (FL+) or F86-4 (TWL+) - Body ground Always 10 kΩ or higher
      F126-6 (FL-) or F86-2 (TWL-) - Body ground Always 10 kΩ or higher
      F127-1 (RR+) or K4-1 - Body ground Always 10 kΩ or higher
      F127-3 (RR-) or K4-2 - Body ground Always 10 kΩ or higher
      F127-2 (RL+) or L4-1 - Body ground Always 10 kΩ or higher
      F127-6 (RL-) or L4-2 - Body ground Always 10 kΩ or higher
      Result
      Proceed to
      OK
      NG

    NG
    OK
  6. CHECK HARNESS AND CONNECTOR (FRONT NO. 1 SPEAKER ASSEMBLY OR FRONT NO. 2 SPEAKER ASSEMBLY - BODY GROUND)


    1. Disconnect the I1 and J1 front No. 1 speaker assembly connectors.

    2. Disconnect the F85 and F86 front No. 2 speaker assembly connectors.

    3. Measure the resistance according to the value(s) in the table below.

      Standard Resistance
      Tester Connection Condition Specified Condition
      F85-3 (+) or I1-1 - Body ground Always 10 kΩ or higher
      F85-1 (-) or I1-2 - Body ground Always 10 kΩ or higher
      F86-3 (+) or J1-1 - Body ground Always 10 kΩ or higher
      F86-1 (-) or J1-2 - Body ground Always 10 kΩ or higher
      Result
      Proceed to
      OK
      NG

    NG
    OK
  7. INSPECT FRONT NO. 1 SPEAKER ASSEMBLY


    1. Remove the front No. 1 speaker assembly.

      Click here

    2. Inspect the front No. 1 speaker assembly.

      Click here

      Result
      Proceed to
      OK
      NG

    NG
    OK
  8. INSPECT FRONT NO. 2 SPEAKER ASSEMBLY


    1. Remove the front No. 2 speaker assembly.

      Click here

    2. Inspect the front No. 2 speaker assembly.

      Click here

    3. Clear the DTCs.

      Click here


      Body Electrical > Navigation System > Clear DTCs
    4. Recheck for DTCs and check that no DTCs are output.


      Body Electrical > Navigation System > Trouble Codes
      OK
      No DTCs are output.
      Result
      Proceed to
      OK
      NG

    OK
    NG
  9. INSPECT REAR SPEAKER ASSEMBLY


    1. Remove the rear speaker assembly.

      Click here

    2. Inspect the rear speaker assembly.

      Click here

      Result
      Proceed to
      OK
      NG

    OK
    NG
  10. CHECK HARNESS AND CONNECTOR (STEREO COMPONENT AMPLIFIER ASSEMBLY, TELEMATICS TRANSCEIVER OR SPEAKERS - BODY GROUND)


    1. Disconnect the F75 stereo component amplifier assembly connector.

    2. Disconnect the F89 and F90 front No. 3 speaker assembly connectors.

    3. Disconnect the F51 telematics transceiver connector.

    4. Disconnect the F53 front No. 2 speaker assembly LH connector.

    5. Disconnect the K4 and L4 rear speaker assembly connectors.

    6. Disconnect the M74 No. 1 speaker with box assembly connector.

    7. Measure the resistance according to the value(s) in the table below.

      Standard Resistance
      Tester Connection Condition Specified Condition
      F75-12 (FR+) or F89-2 (TWR+) - Body ground Always 10 kΩ or higher
      F75-27 (FR-) or F89-4 (TWR-) - Body ground Always 10 kΩ or higher
      F75-11 (FL+) or F90-2 (TWL+) - Body ground Always 10 kΩ or higher
      F75-26 (FL-) or F90-4 (TWL-) - Body ground Always 10 kΩ or higher
      F75-14 (TWR+) or F51-2 (SPI+) - Body ground Always 10 kΩ or higher
      F75-29 (TWR-) or F51-3 (SPI-) - Body ground Always 10 kΩ or higher
      F75-9 (TWL+) or F53-2 - Body ground Always 10 kΩ or higher
      F75-24 (TWL-) or F53-1 - Body ground Always 10 kΩ or higher
      F75-13 (RR+) or K4-1 - Body ground Always 10 kΩ or higher
      F75-28 (RR-) or K4-2 - Body ground Always 10 kΩ or higher
      F75-10 (RL+) or L4-1 - Body ground Always 10 kΩ or higher
      F75-25 (RL-) or L4-2 - Body ground Always 10 kΩ or higher
      F75-15 (WFR+) or M74-3 (WF+) - Body ground Always 10 kΩ or higher
      F75-30 (WFR-) or M74-2 (WF-) - Body ground Always 10 kΩ or higher
      F75-8 (WFL+) or M74-4 (WF+) - Body ground Always 10 kΩ or higher
      F75-23 (WFL-) or M74-1 (WF-) - Body ground Always 10 kΩ or higher
      Result
      Proceed to
      OK
      NG

    NG
    OK
  11. CHECK HARNESS AND CONNECTOR (FRONT NO. 2 SPEAKER ASSEMBLY RH OR TELEMATICS TRANSCEIVER - BODY GROUND)


    1. Disconnect the F52 front No. 2 speaker assembly RH connector.

    2. Disconnect the F51 telematics transceiver connector.

    3. Measure the resistance according to the value(s) in the table below.

      Standard Resistance
      Tester Connection Condition Specified Condition
      F52-2 or F51-5 (SPO+) - Body ground Always 10 kΩ or higher
      F52-1 or F51-6 (SPO-) - Body ground Always 10 kΩ or higher
      Result
      Proceed to
      OK
      NG

    NG
    OK
  12. INSPECT TELEMATICS TRANSCEIVER


    1. Remove the telematics transceiver.

      Click here

    2. A001SA6C31
      *a

      Component without harness connected

      (Telematics Transceiver)

      Measure the resistance according to the value(s) in the table below.

      Standard Resistance
      Tester Connection Condition Specified Condition
      2 (SPI+) - 5 (SPO+) Always Below 1 Ω
      3 (SPI-) - 6 (SPO-) Always Below 1 Ω
      2 (SPI+) - 3 (SPI-) Always 10 kΩ or higher
      5 (SPO+) - 6 (SPO-) Always 10 kΩ or higher
      2 (SPI+) or 5 (SPO+) - Body ground Always 10 kΩ or higher
      3 (SPI-) or 6 (SPO-) - Body ground Always 10 kΩ or higher
      Result
      Proceed to
      OK
      NG

    OK
    NG
  13. CHECK HARNESS AND CONNECTOR (STEREO COMPONENT AMPLIFIER ASSEMBLY OR SPEAKERS - BODY GROUND)


    1. Disconnect the F75 stereo component amplifier assembly connector.

    2. Disconnect the F89 and F90 front No. 3 speaker assembly connectors.

    3. Disconnect the F52 and F53 front No. 2 speaker assembly connectors.

    4. Disconnect the K4 and L4 rear speaker assembly connectors.

    5. Disconnect the M74 No. 1 speaker with box assembly connectors.

    6. Measure the resistance according to the value(s) in the table below.

      Standard Resistance
      Tester Connection Condition Specified Condition
      F75-12 (FR+) or F89-2 (TWR+) - Body ground Always 10 kΩ or higher
      F75-27 (FR-) or F89-4 (TWR-) - Body ground Always 10 kΩ or higher
      F75-11 (FL+) or F90-2 (TWL+) - Body ground Always 10 kΩ or higher
      F75-26 (FL-) or F90-4 (TWL-) - Body ground Always 10 kΩ or higher
      F75-14 (TWR+) or F52-2 - Body ground Always 10 kΩ or higher
      F75-29 (TWR-) or F52-1 - Body ground Always 10 kΩ or higher
      F75-9 (TWL+) or F53-2 - Body ground Always 10 kΩ or higher
      F75-24 (TWL-) or F53-1 - Body ground Always 10 kΩ or higher
      F75-13 (RR+) or K4-1 - Body ground Always 10 kΩ or higher
      F75-28 (RR-) or K4-2 - Body ground Always 10 kΩ or higher
      F75-10 (RL+) or L4-1 - Body ground Always 10 kΩ or higher
      F75-25 (RL-) or L4-2 - Body ground Always 10 kΩ or higher
      F75-15 (WFR+) or M74-3 (WF+) - Body ground Always 10 kΩ or higher
      F75-30 (WFR-) or M74-2 (WF-) - Body ground Always 10 kΩ or higher
      F75-8 (WFL+) or M74-4 (WF+) - Body ground Always 10 kΩ or higher
      F75-23 (WFL-) or M74-1 (WF-) - Body ground Always 10 kΩ or higher
      Result
      Proceed to
      OK
      NG

    NG
    OK
  14. CHECK HARNESS AND CONNECTOR (FRONT NO. 1 SPEAKER ASSEMBLY OR FRONT NO. 3 SPEAKER ASSEMBLY - BODY GROUND)


    1. Disconnect the I1 and J1 front No. 1 speaker assembly connectors.

    2. Disconnect the F89 and F90 front No. 3 speaker assembly connectors.

    3. Measure the resistance according to the value(s) in the table below.

      Standard Resistance
      Tester Connection Condition Specified Condition
      F89-1 (+) or I1-1 - Body ground Always 10 kΩ or higher
      F89-3 (-) or I1-2 - Body ground Always 10 kΩ or higher
      F90-1 (+) or J1-1 - Body ground Always 10 kΩ or higher
      F90-3 (-) or J1-2 - Body ground Always 10 kΩ or higher
      Result
      Proceed to
      OK
      NG

    NG
    OK
  15. INSPECT FRONT NO. 1 SPEAKER ASSEMBLY


    1. Remove the front No. 1 speaker assembly.

      Click here

    2. Inspect the front No. 1 speaker assembly.

      Click here

      Result
      Proceed to
      OK
      NG

    NG
    OK
  16. INSPECT FRONT NO. 3 SPEAKER ASSEMBLY


    1. Remove the front No. 3 speaker assembly.

      Click here

    2. Inspect the front No. 3 speaker assembly.

      Click here

    3. Clear the DTCs.

      Click here


      Body Electrical > Navigation System > Clear DTCs
    4. Recheck for DTCs and check that no DTCs are output.


      Body Electrical > Navigation System > Trouble Codes
      OK
      No DTCs are output.
      Result
      Proceed to
      OK
      NG

    OK
    NG
  17. INSPECT FRONT NO. 2 SPEAKER ASSEMBLY


    1. Remove the front No. 2 speaker assembly.

      Click here

    2. Inspect the front No. 2 speaker assembly.

      Click here

      Result
      Proceed to
      OK
      NG

    NG
    OK
  18. INSPECT REAR SPEAKER ASSEMBLY


    1. Remove the rear speaker assembly.

      Click here

    2. Inspect the rear speaker assembly.

      Click here

      Result
      Proceed to
      OK
      NG

    NG
    OK
  19. INSPECT NO. 1 SPEAKER WITH BOX ASSEMBLY


    1. Remove the No. 1 speaker with box assembly.

      Click here

    2. Inspect the No. 1 speaker with box assembly.

      Click here

      Result
      Proceed to
      OK
      NG

    OK
    NG